DRAM
DRAM (англ. dynamic random access memory — динамическая память с произвольным доступом) — тип компьютерной памяти, отличающийся использованием полупроводниковых материалов, энергозависимостью и возможностью доступа к данным, хранящимся в произвольных ячейках памяти (см. запоминающее устройство с произвольным доступом). Модули памяти с памятью такого типа широко используются в компьютерах в качестве оперативных запоминающих устройств (ОЗУ), также используются в качестве устройств постоянного хранения информации в системах, требовательных к задержкам.
Физически DRAM состоит из ячеек, созданных в полупроводниковом материале в виде ёмкости. Заряженная или разряженная ячейка хранит бит данных. Каждая ячейка такой памяти имеет свойство разряжаться (из-за токов утечки и пр.), поэтому их постоянно надо подзаряжать — отсюда название «динамическая» (т. е. в ней постоянно протекают процессы, изменяющие её состояние, даже если к ней нет обращения). Совокупность ячеек образует условный «прямоугольник», состоящий из определённого количества строк и столбцов. Один такой «прямоугольник» называется страницей, а совокупность страниц называется банком. Весь набор ячеек условно делится на несколько областей.
Как запоминающее устройство (ЗУ), так и DRAM представляет собой модуль памяти какого-либо конструктивного исполнения, состоящий из печатной платы, на которой расположены микросхемы памяти, и разъёма, необходимого для подключения модуля к материнской плате.
История

Впервые динамическая память была применена в дешифровальной машине «Aquarius», использовавшейся во время Второй мировой войны в правительственной школе кодов и шифров в Блетчли-парк. Считывавшиеся с бумажной ленты символы «запоминались в динамическом хранилище. Хранилище представляло собой блок конденсаторов, которые были либо заряжены, либо разряжены. Заряженный конденсатор соответствовал символу „X“ (логической единице), разряженный — символу „.“ (логическому нулю). Поскольку конденсаторы теряли заряд из-за утечки, на них периодически подавался импульс для подзарядки (отсюда термин динамическая)»[1].
В электронном калькуляторе фирмы Toshiba «Toscal BC-1411», поступившем в продажу в ноябре 1965 года[2][3], использовалась своеобразная память на конденсаторах общей ёмкостью 180 бит, выполненная на дискретных биполярных транзисторах[2][4].
В 1965 году исследователи из IBM Арнольд Фарбер и Юджин Шлиг создали ячейку памяти на затворе полевого транзистора и триггера на Туннельный диод туннельном диоде в качестве усилителя чтения-регенерации[5]. Позже они заменили триггер на туннельном диоде двухтранзисторным триггером, кроме транзисторов, содержащим ещё два резистора. Эта структура усилителя чтения-регенерации стала называться ячейкой Фарбера — Шлига. В 1965 году Бенджамин Агуста с сотрудниками в IBM создали 16-разрядную кремниевую микросхему памяти на основе ячейки Фарбера — Шлига, содержащую 80 транзисторов, 64 резистора и 4 диода.
Первоначально в DRAM использовались биполярные транзисторы. Несмотря на то, что такая память имела большее быстродействие по сравнению с памятью на магнитных сердечниках, DRAM на биполярных транзисторах не мог конкурировать по цене с господствовавшей в то время памятью на магнитных сердечниках[6].
Конденсаторы также использовались в более ранних запоминающих устройствах, например, в барабане компьютера Атанасова — Берри, трубках Уильямса и селектронах.
В 1966 году Роберт Деннард из исследовательского центра имени Томаса Уотсона компании IBM изобрёл современную память и применяемую до сих пор DRAM с одним конденсатором и одним транзистором на бит. В 1968 году Деннарду был выдан Патент США № 3 387 286.
Первой коммерческой микросхемой динамической памяти стала Intel 1103 объёмом 1 кБит, выпущенная в продажу в октябре 1970 года.
Принцип действия


На физическом уровне память DRAM представляет собой набор ячеек, способных хранить информацию. Ячейки состоят из конденсаторов и транзисторов, расположенных внутри полупроводниковых микросхем памяти[7]. Конденсаторы заряжают при записи в ячейку единичного бита и разряжают при записи в ячейку нулевого бита.
При прекращении подачи электроэнергии конденсаторы разряжаются, и память обнуляется (опустошается). Для поддержания необходимого напряжения на обкладках конденсаторов (для сохранения данных) конденсаторы необходимо периодически подзаряжать. Подзарядку выполняют путём подачи на конденсаторы напряжения через коммутирующие транзисторные ключи. Необходимость постоянной зарядки конденсаторов (динамическое поддержание заряда конденсаторов) является основополагающим принципом работы памяти типа DRAM.
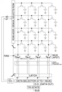
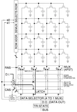
Важным элементом памяти типа DRAM является чувствительный усилитель-компаратор (англ. sense amp), подключённый к каждому из столбцов «прямоугольника». При чтении данных из памяти усилитель-компаратор реагирует на слабый поток электронов, устремившихся через открытые транзисторы с обкладок конденсаторов, и считывает одну строку целиком. Чтение и запись выполняются построчно; обмен данными с отдельно взятой ячейкой невозможен.
Регенерация
В отличие от статической памяти (памяти типа SRAM (англ. static random access memory), конструктивно более сложной, более дорогой, более быстрой и применяемой в основном в кэш-памяти), медленная, но дешёвая динамическая память (DRAM) изготавливается на основе конденсаторов небольшой ёмкости. Такие конденсаторы быстро теряют заряд, поэтому во избежание потерь хранимых данных конденсаторы приходится подзаряжать через определённые промежутки времени. Этот процесс называется регенерацией памяти, осуществляется специальным контроллером, установленным либо на материнской плате, либо на кристалле центрального процессора. На протяжении времени, называемого шагом регенерации, в DRAM перезаписывается целая строка ячеек, и через 8—64 мс обновляются все строки памяти.
Процесс регенерации памяти в классическом варианте существенно тормозит работу системы, поскольку во время его осуществления обмен данными с памятью невозможен. Регенерация, основанная на обычном переборе строк, в современных типах DRAM не применяется. Существует несколько более экономичных вариантов этого процесса: расширенный, пакетный, распределённый. Наиболее экономичной является скрытая (теневая) регенерация.
Среди новых технологий регенерации — PASR (англ. partial array self refresh), применяемая некоторыми компаниями в чипах памяти SDRAM, отличающихся низким уровнем энергопотребления. Регенерация ячеек выполняется только в период ожидания в тех банках памяти, в которых имеются данные. Одновременно с этой технологией применяется технология TCSR (англ. temperature compensated self refresh), предназначенная для регулирования периода регенерации в зависимости от рабочей температуры.
Характеристики DRAM
Основными характеристиками DRAM являются рабочая частота и тайминги.
Перед обращением к ячейке памяти контроллер памяти передаёт модулю памяти номер банка, номер страницы банка, номер строки страницы и номер столбца страницы; на эти запросы тратится время. До и после выполнения чтения или записи довольно большой промежуток времени уходит на «открытие» и «закрытие» банка. На каждое действие требуется время, называемое таймингом.
Основными таймингами DRAM являются:
- задержка между подачей номера строки и номера столбца, называемая временем полного доступа (англ. RAS to CAS delay);
- задержка между подачей номера столбца и получением содержимого ячейки, называемая временем рабочего цикла (англ. CAS delay);
- задержка между чтением последней ячейки и подачей номера новой строки (англ. RAS precharge).
Тайминги измеряются в наносекундах или тактах. Чем меньше величина тайминга, тем быстрее будет работать оперативная память.
Типы DRAM
На протяжении долгого времени разработчики создавали различные типы DRAM с использованием различных технических решений. Основной движущей силой такого развития были стремление увеличить быстродействие и объём оперативной памяти.
PM DRAM
PM DRAM (англ. page mode DRAM — страничная DRAM) — один из первых типов DRAM. Память такого типа выпускалась в начале 1990-х годов. С ростом производительности процессоров и ресурсоёмкости приложений требовалось увеличивать не только объём памяти, но и скорость её работы.
FPM DRAM
FPM DRAM (англ. fast page mode DRAM — быстрая страничная DRAM) — тип DRAM, основанный на PM DRAM и отличающийся повышенным быстродействием. Память такого типа работала так же, как память типа PM DRAM, а увеличение скорости работы достигалось путём повышения нагрузки на аппаратную часть памяти (доступ к данным на той же странице осуществлялся с меньшей задержкой[8]). Память такого типа была популярна в первой половине 1990-х годов, а в 1995 году[9] занимала 80 % рынка компьютерной памяти. Применялась в основном для компьютеров с процессорами Intel 80486 или аналогичных процессоров других фирм. Могла работать на частотах 25 и 33 МГц с временем полного доступа 70 и 60 нс и с временем рабочего цикла 40 и 35 нс соответственно. В 1996—1997 годах была вытеснена памятью EDO DRAM и SDR SDRAM. В 1997 году доля FPM DRAM на рынке упала до 10 %[9][10].
EDO DRAM
EDO DRAM (англ. extended data out DRAM — DRAM с расширенным выходом данных) — тип DRAM, созданный для замены FPM DRAM ввиду неэффективности FPM DRAM при работе с процессорами Intel Pentium. Память такого типа появилась на рынке в 1996 году. Использовалась на компьютерах с процессорами Intel Pentium и выше. По производительности на 10—15 % обгоняла FPM DRAM. Работала на частотах 40 и 50 МГц с временем полного доступа — 60 и 50 нс и с временем рабочего цикла — 25 и 20 нс соответственно. Содержала регистр-защёлку (англ. data latch) выходных данных, что обеспечивало некоторую конвейеризацию работы для повышения производительности при чтении.
SDR SDRAM
SDR SDRAM (англ. single data rate synchronous DRAM — синхронная DRAM одиночной частоты) — тип DRAM, созданный для замены EDO DRAM в связи с понижением стабильности работы EDO DRAM с новыми процессорами и повышением рабочих частот системных шин. Новыми особенностями памяти этого типа стали использование тактового генератора для синхронизации всех сигналов и использование конвейерной обработки информации. Память такого типа надёжно работала на частотах системной шины 100 МГц и выше.
Если для памяти FPM DRAM и EDO DRAM указывалось время чтения данных из первой ячейки в цепочке (время доступа), то для SDRAM указывалось время чтения данных из последующих ячеек. Цепочка — несколько ячеек, расположенных последовательно. На чтение данных из первой ячейки уходило 60—70 нс независимо от типа памяти, а время чтения последующих ячеек зависело от типа памяти. Рабочие частоты SDRAM могли быть равны 66, 100 или 133 МГц, время полного доступа — 40 и 30 нс, а время рабочего цикла — 10 и 7,5 нс.
Совместно с памятью SDRAM применялась технология VCM (англ. virtual channel memory). VCM использует архитектуру виртуального канала, позволяющую более гибко и эффективно передавать данные с использованием каналов регистра на чипе. Данная архитектура интегрирована в SDRAM. Применение VCM повышало скорость передачи данных. Модули памяти SDRAM, поддерживающие и не поддерживающие VCM, были совместимы, что позволяло обновлять системы без значительных затрат и модификаций. Это решение нашло поддержку у некоторых производителей чипсетов.
ESDRAM
ESDRAM (англ. enhanced SDRAM) — тип DRAM, созданный для решения некоторых проблем с задержкой сигнала, присущих стандартной DRAM. Память такого типа отличалась наличием в чипе небольшого количества SRAM, то есть наличием кэша. По существу, представляла собой SDRAM с небольшим количеством SRAM. Кэш использовался для хранения и выборки наиболее часто используемых данных, за счёт чего достигалось уменьшение времени доступа к данным медленной DRAM. Память такого типа выпускалась, например, фирмой «Ramtron International Corporation». При малых задержках и пакетной работе могла работать на частотах до 200 МГц.
BEDO DRAM
BEDO DRAM (англ. burst EDO DRAM — пакетная EDO RAM) — тип DRAM, основанный на EDO DRAM и отличающийся поддержкой технологии поблочного чтения данных (блок данных читался за один такт). Модули памяти такого типа за счёт поблочного чтения работали быстрее SDRAM, стали дешёвой альтернативой SDRAM, но из-за неспособности работать на частотах системной шины, превышающих 66 МГц, не стали популярными.
VRAM
VRAM (англ. video RAM) — тип DRAM, разработанный на основе SDRAM специально для использования в видеоплатах. Память такого типа благодаря некоторым техническим изменениям по производительности обгоняла SDRAM на 25 %. Позволяла обеспечить непрерывный поток данных в процессе обновления изображения, что было необходимо для реализации возможности показа изображений высокого качества. Стала основой памяти типа WRAM (англ. windows RAM), которую иногда ошибочно связывают с операционными системами семейства Windows.
DDR SDRAM
DDR SDRAM (англ. double data rate SDRAM, SDRAM или SDRAM II) — тип DRAM, основанный на SDR SDRAM и отличающийся удвоенной скоростью передачи данных (удвоенной пропускной способностью). Память такого типа первоначально применялась в видеоплатах, позднее стала использоваться и на чипсетах.
У предыдущих версий DRAM линии адреса, данных и управления, которые накладывают ограничения на скорость работы устройств, были разделены. Для преодоления этого ограничения в некоторых технологических решениях все сигналы стали передавать по одной шине. Двумя из таких решений стали DRDRAM и SLDRAM (открытый стандарт). Память типа SLDRAM, подобно предыдущей[какой?] технологии, использует оба перепада тактового сигнала. Что касается интерфейса, то SLDRAM перенимает протокол, названный SynchLink Interface, и стремится работать на частоте 400 МГц.
Рабочие частоты памяти типа DDR SDRAM — 100, 133, 166 и 200 МГц, время полного доступа — 30 и 22,5 нс, а время рабочего цикла — 5, 3,75, 3 и 2,5 нс.
Так как частота синхронизации лежит в пределах от 100 до 200 МГц, а данные передаются по 2 бита на один синхроимпульс, как по фронту, так и по спаду тактового импульса, то эффективная частота передачи данных лежит в пределах от 200 до 400 МГц. Модули памяти, работающие на таких частотах, обозначают «DDR200», «DDR266», «DDR333», «DDR400».
RDRAM
RDRAM (англ. Rambus DRAM) — тип DRAM, разработанный компанией Rambus. Память такого типа отличалась высоким быстродействием за счёт ряда особенностей, не встречающихся в памяти других типов. Работала на частотах 400, 600 и 800 МГц с временем полного доступа до 30 нс и временем рабочего цикла до 2,5 нс. Первоначально стоила очень дорого, из-за чего производители мощных компьютеров предпочли менее производительную и более дешёвую DDR SDRAM.
DDR2 SDRAM
DDR2 SDRAM — тип DRAM, основанный на DDR SDRAM и выпущенный в 2004 году. Память такого типа по сравнению с DDR SDRAM за счёт технических изменений обладала более высоким быстродействием. Предназначалась для использования на современных компьютерах. Работала на тактовых частотах шины 200, 266, 333, 337, 400, 533, 575 и 600 МГц. При этом эффективная частота передачи данных могла составлять 400, 533, 667, 675, 800, 1066, 1150 и 1200 МГц. Некоторые производители модулей памяти, помимо модулей, работающих на стандартных частотах, выпускали модули, работающие на нестандартных (промежуточных) частотах; такие модули предназначались для использования в разогнанных системах, где требовался запас по частоте. Время полного доступа — 25; 11,25; 9; 7,5 нс и менее. Время рабочего цикла — от 5 до 1,67 нс.
DDR3 SDRAM
DDR3 SDRAM — тип DRAM, основанный на DDR2 SDRAM, отличающийся удвоенной частотой передачи данных по шине памяти и пониженным энергопотреблением. Память такого типа обеспечивает большую пропускную способность по сравнению с ранее существовавшими типами памяти. Работает на частотах полосы пропускания в пределах от 800 до 2400 МГц (рекорд частоты — более 3000 МГц).
DDR4 SDRAM
DDR4 SDRAM (англ. DDR four SDRAM) — тип DRAM, основанный на технологиях предыдущих поколений DDR и отличающийся повышенными частотными характеристиками, пониженным напряжением питания.
Основное отличие DDR4 от предыдущего стандарта (DDR3) заключается в удвоенном до 16 числе банков (в двух группах банков, что позволило увеличить скорость передачи). Пропускная способность памяти DDR4 в перспективе может достигать 25,6 ГБ/c (в случае повышения максимальной эффективной частоты до 3200 МГц). Надёжность работы DDR4 повышена за счёт введения механизма контроля чётности на шинах адреса и команд. Изначально в стандарте DDR4 был определён диапазон частот от 1600 до 2400 МГц с возможностью увеличения до 3200 МГц.
Массовое производство ECC-памяти DDR4 началось со второго квартала 2014 года, а в следующем квартале начались продажи non-ECC модулей DDR4 вместе с процессорами Intel Haswell-E/Haswell-EP, требующими DDR4.
DDR5 SDRAM
DDR5 SDRAM (англ. DDR five SDRAM) — тип DRAM, основанный на технологиях предыдущих поколений DDR и отличающийся повышенными частотными характеристиками, максимальным объёмом модуля и пониженным напряжением питания.
Основное отличие DDR5 от предыдущего стандарта (DDR4) заключается в максимальной пропускной способности памяти, достигающей 32 ГБ/c (при максимальной эффективной частоте 8400 МГц), максимальном объёме одного модуля 64 ГБ и напряжении 1,1 В.
Конструктивные исполнения DRAM



Память типа DRAM конструктивно выполняют и в виде отдельных микросхем (в корпусах типа DIP, SOIC, BGA), и в виде модулей памяти (типов SIPP, SIMM, DIMM, RIMM).
Первоначально микросхемы памяти выпускались в корпусах типа DIP (к примеру, серия К565РУхх), позднее стали выпускаться в корпусах, более технологичных для применения в модулях.
На многих модулях типа SIMM и на большинстве модулей типа DIMM устанавливалась SPD (англ. serial presence detect) — небольшая микросхема памяти EEPROM. На SPD записывались параметры модуля (ёмкость, тип, рабочее напряжение, число банков, время доступа и т. п.). Параметры были доступны для чтения оборудованию, использовались для автонастройки, могли быть прочитаны программно (производителем или пользователем).
SIPP
SIPP (англ. single in-line pin package) — модули памяти, представляющие собой прямоугольные платы с контактами в виде ряда маленьких штырьков. Этот тип конструктивного исполнения уже практически не используется, так как был вытеснен модулями типа SIMM.
SIMM
SIMM (англ. single in-line memory module) — модули памяти, представляющие собой длинные прямоугольные платы с рядом контактных площадок вдоль одной из сторон платы. Модули фиксируются в разъёме (слоте, от англ. slot — щель, прорезь) с помощью защёлок путём установки платы под некоторым углом и нажатия на неё до приведения в вертикальное положение. Выпускались модули на 256 Кбайт, 1, 4, 8, 16, 32, 64, 128 Мбайт. Наиболее распространены 30- и 72-контактные модули SIMM.
DIMM
DIMM (англ. dual in-line memory module) — модули памяти, представляющие собой длинные прямоугольные платы с рядами контактных площадок вдоль обеих сторон платы. Устанавливаются в разъём подключения вертикально и фиксируются по обоим торцам защёлками. Микросхемы памяти на них могут быть размещены как с одной, так и с обеих сторон платы.
| Тип памяти | Количество контактов |
|---|---|
| SDRAM | 168 |
| DDR SDRAM | 184 |
| DDR2, DDR3, FB-DIMM SDRAM | 240 |
| DDR4 SDRAM | 288 |
SO-DIMM
SO-DIMM (англ. small outline DIMM) — модули памяти, отличающиеся небольшими размерами и предназначенные для применения в портативных и компактных устройствах (на материнских платах форм-фактора Mini-ITX, в ноутбуках, таблетах и т. п.), в принтерах, в сетевой и телекоммуникационной технике и т. п. Широко применяются конструктивно уменьшенные модули DRAM (как SDRAM, так и DDR SDRAM), представляющие собой аналоги модулей DIMM в компактном исполнении для экономии места. Существуют в 72-, 100-, 144-, 200-, 204- и 260-контактном исполнении.
RIMM
RIMM (англ. rambus in-line memory module) — модули памяти, применяемые парами. Мало распространены. Выпускаются с памятью типа RDRAM, со 168 или 184 контактами. Из-за особенностей конструкции должны устанавливаться на материнские платы только в парах, в противном случае в пустые разъёмы должны устанавливаться специальные модули-заглушки. Также существуют 242-контактные PC1066 RDRAM модули RIMM 4200, не совместимые[11] со 184-контактными разъёмами, и SO-RIMM — уменьшенные модули памяти, аналоги RIMM, предназначенные для применения в портативных устройствах.
Производители микросхем и сборщики модулей
В десятку крупнейших производителей модулей памяти DRAM по итогам 2018 года вошли Kingston Technology (72,17 %), SMART Modular Technologies (5,07 %), Ramaxel (4,68 %), ADATA Technology (3,89 %), Tigo (2,08 %), POWEV (2,05 %), Transcend Information (1,04 %), Apacer Technology (0,96 %), Team Group (0,87 %) и Innodisk (0,67 %).
Лидером по объёму производства готовых модулей DIMM DRAM является американская компания Kingston Technology (45,8 % по состоянию на первую половину 2010 года)[12].
См. также
Примечания
- ↑ Copeland B. Jack, и др. Colossus: The Secrets of Bletchley Park's Codebreaking Computers. — Oxford: Oxford University Press, 2006. — С. 301. — ISBN 0-19-284055-X.
- 1 2 Spec Sheet for Toshiba "TOSCAL" BC-1411. www.oldcalculatormuseum.com. Дата обращения: 8 мая 2018. Архивировано 3 июля 2017 года.
- ↑ Toscal BC-1411 calculator Архивировано 29 июля 2017 года., Science Museum, London
- ↑ Toshiba «Toscal» BC-1411 Desktop Calculator Архивировано 20 мая 2007 года.
- ↑ Nondestructive memory array. Дата обращения: 26 июля 2020. Архивировано 9 августа 2020 года.
- ↑ 1966: Semiconductor RAMs Serve High-speed Storage Needs. Computer History Museum. Дата обращения: 26 июля 2020. Архивировано 3 октября 2019 года.
- ↑ Circuits. Sequential Logic. Dynamic RAM. Дата обращения: 15 января 2011. Архивировано 24 февраля 2011 года.
- ↑ Upgrading and Repairing PCs Архивная копия от 19 декабря 2014 на Wayback Machine page 432, «Fast Page Mode DRAM»
- 1 2 Memory 1996. Complete Coverage of DRAM, SRAM, EPROM and Flash Memory ICs // ICE, ISBN 1-877750-49-2: 2. THE DRAM MARKET Архивная копия от 18 июля 2009 на Wayback Machine DRAM Unit Shipments by Architecture, figure 2-10.
- ↑ 2 The DRAM market Архивная копия от 17 декабря 2014 на Wayback Machine. 1997 год. Figure 2-10. DRAM Shipments by Architecture (Percent).
- ↑ RDRAM Frequently Asked Questions. What is the difference between 184pin, 168pin, 242pin RIMM modules? (англ.). Rambus. Дата обращения: 24 ноября 2008. Архивировано из оригинала 11 февраля 2012 года.
- ↑ Kingston Expands Lead in DRAM Module Business (англ.). iSuppli.com. Архивировано из оригинала 11 июня 2013 года.
Ссылки
- Оперативная память. Лекция.
- Статьи об оперативной памяти // iXBT.
- Всё об оперативной памяти // whatis.ru.
- Оперативная память (RAM)
Литература
- Угрюмов Е. П. Цифровая схемотехника. БХВ-Петербург. 2005 год. Глава 5.