ЭР2

ЭР2
Модель 62-61
ЭР2-1017 с круглой кабиной на перегоне Давыдово — Дулёво (Московская обл., 2004 год)ЭР2-1083 с плоской кабиной на Ярославском вокзале (Москва, 1982 год)
ЭР2-1017 с круглой кабиной на перегоне Давыдово — Дулёво (Московская обл., 2004 год)

ЭР2-1083 с плоской кабиной на Ярославском вокзале (Москва, 1982 год)
Производство
Годы постройки 19621984[к 1]
Страна постройки  СССР
Заводы Латвийская Советская Социалистическая Республика РВЗ (RVR), РЭЗ (RER),
Российская Советская Федеративная Социалистическая Республика КВЗ
Производитель Рижский вагоностроительный завод и Тверской вагоностроительный завод
Составов построено 850 (без учёта модификаций)
Вагонов построено ≈9211
Технические данные
Род службы пассажирский (пригородный)
Тип токосъёма верхний (пантограф)
Род тока и напряжение в контактной сети постоянный, 3 кВ
Число вагонов в составе 4, 6, 8, 10, 12
Композиция 2Пг+6Мп+4Пп
2Пг+5Мп+3Пп (основная)
2Пг+4Мп+2Пп
2Пг+3Мп+Пп
2Пг+2Мп
Количество дверей в вагоне 2×2
Число сидячих мест 1050 (10-вагонный состав)
Длина состава 201 810 мм (10 вагонов)
Длина вагона 19 600 мм (по кузову)
20 100 мм (по автосцепкам)
Ширина 3 480 мм
Высота 4 268 мм
Высота опущенного токоприёмника 5 086 мм
Ширина колеи 1520 мм
Масса тары вагон Пг — 40,9 т
вагон Мп — 54,6 т
вагон Пп — 38,3 т
Материал вагона конструкционная сталь, алюминий
Выходная мощность 4000 кВт
(10-вагонный состав)
Тип ТЭД коллекторный, ДК-106Б / УРТ-110
Мощность ТЭД 4×200 кВт
Конструкционная скорость 130 км/ч
Максимальная служебная скорость 100 км/ч (с января 2008 года)
Ускорение при пуске 0,6 м/с²
Ускорение при торможении 0,8 м/с²
Система тяги реостатно-контакторная
Тормозная система электропневматическая
Эксплуатация
Страны эксплуатации  СССР
после 1991 года:
Оператор
МПС СССР
после 1991 года:
В эксплуатации с 1962
Логотип Викисклада Медиафайлы на Викискладе

ЭР2 (Электропоезд Рижский, 2-й тип) — серия электропоездов постоянного тока, выпускавшихся с июня 1962 года по август — сентябрь 1984 года[к 1] Рижским вагоностроительным заводом (латыш. Rīgas Vagonbūves Rūpnīca, RVR), который строил их совместно с Рижским электромашиностроительным (латыш. Rīgas Elektromašinbūves Rūpnīca, RER), производившим электрооборудование, и Калининским вагоностроительным заводом, который поставлял тележки и некоторое время кузова вагонов.

Заводское обозначение поезда — 62-61.

Заводские обозначения вагонов:

По конструкции ЭР2 является модернизированной версией электропоезда ЭР1, от которого отличается комбинированными выходами на высокие и низкие платформы и более совершенным электрооборудованием. Со второй половины 1960-х годов на протяжении более 4 десятилетий выполнял основной объём пригородных пассажирских перевозок на железных дорогах СССР и постсоветского пространства.

Общие сведения

Электропоезда семейства ЭР2 предназначены для пригородных пассажирских перевозок на электрифицированных участках железных дорог колеи 1520 мм с номинальным напряжением в контактной сети 3 кВ постоянного тока. Поезда имеют комбинированные двери и могут эксплуатироваться на линиях, оборудованных как высокими, так и низкими платформами, чем первоначально отличались от поездов ЭР1 с выходами только на высокие платформы. Поезда ЭР2 выпускались с двумя вариантами лобовой части кабины машиниста головных вагонов — круглой и плоской, впоследствии часть из них при модернизации получила иные кабины. На базе электропоездов ЭР2 было создано множество модификаций, как выпускавшихся новыми, так и модернизированных из старых вагонов. Электропоезда ЭР2 не имели электрического торможения, оно появилось впоследствии у модификаций ЭР2Р и ЭР2Т.

Конструктивным аналогом ЭР2 для линий, электрифицированных переменным током 25 кВ 50 Гц, является серия ЭР9.

Составность

Электропоезд ЭР2 формируется из двухвагонных электросекций, каждая из которых состоит из моторного промежуточного (Мп) и прицепного головного (Пг) либо прицепного промежуточного (Пп) вагонов. Если в состав электросекции входит головной вагон, то она называется головной секцией, если нет, то промежуточной секцией. Электросекция не может работать отдельно от других из-за отсутствия кабины машиниста с одного или обоих концов, но так как по электросекциям ведётся учёт парка моторвагонных поездов, они получили обозначение учётных.

В составе каждой секции первым считается прицепной вагон, за которым следует моторный вагон, причём вагоны в составе каждой секции повёрнуты стороной с узкими окнами вперёд (у головных вагонов узкие окна находятся со стороны кабины машиниста), то есть моторный вагон в составе секции прицепляется стороной с узкими окнами и токоприёмником к стороне прицепного вагона без узких окон. Направление ориентации промежуточных секций в составе как правило совпадает с направлением ближайшей головной секции, то есть узкими окнами к ближайшему головному вагону. Если в составе нечётное количество секций, средняя может быть обращена в любом направлении, но как правило узкими окнами к головному вагону с номером 01).

Минимальное число вагонов в эксплуатируемых электропоездах равно 4 (2 головные секции), максимальное — 12 (2 головные и 4 промежуточные секции). В целом поезда формируются из равного числа моторных и прицепных вагонов (всего — от 4 до 12), то есть составляются по формуле (Пг+Мп)+0..4×(Пп+Мп)+(Мп+Пг). Эксплуатация поездов с числом вагонов больше 12 не рекомендуется, из-за повышенной нагрузки на находящиеся в головных вагонах генераторы тока управления. За основную поездную единицу электропоездов ЭР2 принят 10-вагонный электропоезд, состоящий из 2 головных, 5 моторных и 3 промежуточных вагонов. Правда, встречались и нестандартные компоновки. Так, в начале 1990-х годов, на Омском участке ЗСЖД велась эксплуатация девяти- и одиннадцативагонных составов, которые компоновались варьированием числа промежуточных вагонов.

Основная схема формирования 10-вагонного электропоезда

Нумерация и маркировка

Система нумерации и маркировки, применённая на поездах серии ЭР2, в целом соответствует принятой для других электропоездов РВЗ. Впервые подобная система применена для серии ЭР1. Составы получали трёхзначные номера (начиная от 300), а с номера 1000 — четырёхзначные. Маркировка располагалась под лобовыми стёклами посередине и выполнялась в форматах, соответственно, ЭР2-XXX или ЭР2-XXXX (в случае модификаций ЭР2К-XXX, ЭР2М-XXX, и т. п.), где XXX (или XXXX) — номер состава (без указания номера вагона). Каждый вагон состава получал свой номер, расположенный под окнами посередине борта вагона, в котором первые цифры означали номер состава, последние две — номер вагона по комплекту. Моторные вагоны получали чётные номера (02, 04, 06, 08, 10 и 12), головные — 01 и 09, промежуточные прицепные — остальные нечётные (03, 05, 07 и 11). Например, маркировка первого головного вагона электропоезда ЭР2-400 будет ЭР2-40001; одного из моторных вагонов электропоезда ЭР2-1005 будет ЭР2-100502 и т. д. При выпуске вторых головных вагонов для 8-вагонных электропоездов Калининский вагоностроительный завод присваивал им номер 07. В дальнейшем, когда головные вагоны начал выпускать Рижский вагоностроительный завод, вторые головные вагоны независимо от числа вагонов в составе (4, 6, или 12) имели последние две цифры 09; при этом сцепленные с ними моторные вагоны имели последние две цифры 10. Несколько оригинально нумеровались отдельные головные вагоны, у которых нумерация поначалу велась как бы попарно: пара вагонов получала номера у которых первые три цифры были общие (№ 801, 802 и так далее), но к номеру одного из вагонов добавлялись цифры 01, а другого — 07. С № 811 каждый из вагонов получал уже свой собственный номер, поэтому необходимость в последних двух цифрах отпала, и с № 813 их вообще перестали указывать. Номера отдельных моторных вагонов заканчивались на 00 (например, 70500)[1]. Также под лобовыми стёклами кабин старого типа в центре (над номером) закреплялся логотип РВЗ того времени (пятиконечная звезда с двумя крыльями по бокам и буквами «РВЗ» сверху), либо рельефный герб СССР с двумя крыльями по бокам и надписью «СССР». После внедрения обновлённой кабины на том же месте закреплялся новый логотип (буквы «RVR»)[1][2].

В обозначении серии на головных вагонах цифра 2 после «ЭР» наносилась более мелким шрифтом по сравнению с цифрами заводского номера и буквами. Однако, в отличие от маркировки дизель-поезда Д1, здесь был применён мелкий шрифт (например, ЭР2-301), а не нижний индекс, о чём свидетельствуют технические документы и надписи на заводских табличках. Если после цифры 2 было обозначение модификации, оно могло указываться либо над цифрой 2 верхним мелким шрифтом (например, ЭР2и−300), либо обычным шрифтом слитно или через дефис (например, ЭР2К или ЭР2-К). После перекраски на ряде поездов цифра 2 стала обозначаться обычным шрифтом[2].

После распада СССР на Украине маркировка стала выполняться с украинскими буквами (ЕР2), а в Латвии и Эстонии, соответственно, латинскими (ER2). При этом в Латвии стали вносить в маркировку на лобовой части и номер вагона, как слитно (например: ER2M-60501 или ER2-800401), так и через дефис (например: ER2-1342-09). В Эстонии составы ЭР2 были пронумерованы повагонно в пределах дороги четырёхзначными номерами, при этом на лобовой части стал обозначаться только новый четырёхзначный номер вагона в пределах дороги без обозначения серии, наносимый выше заводского логотипа. Нередко на место герба СССР или логотипа РВЗ под лобовыми стёклами в постсоветское время в некоторых странах эксплуатации наносился современный логотип RVR или логотип дороги (оператора)[2].

Технические характеристики

Основные параметры для 10-вагонного электропоезда ЭР2[3]:

  • Размеры:
    • длина состава по осям автосцепок — 201 810 мм;
    • длина вагона по кузову — 19 600 мм;
    • длина вагона по осям автосцепок — 20 100 мм;
    • ширина — 3480 мм;
    • высота по кузову от уровня головок рельсов — 4 268 мм;
    • высота по опущенному токоприёмнику — 5 086 мм;
  • Масса тары:
    • поезда из 10 вагонов — 470—484 т;
    • вагона Пг — 40,9 т;
    • вагона Мп — 54,6 т;
    • вагона Пп — 38,3 т;
  • Вместимость:
    • число сидячих мест в составе из 10 вагонов — до 1050 (см. ниже);
    • число сидячих мест в вагонах:
      • головном — 77-88;
      • промежуточном — 107—110;
  • Тяговые характеристики:
    • напряжение и род тока — 3000 В постоянного тока;
    • часовая мощность на валах ТЭД:
      • моторного вагона — 4×200 кВт;
      • состава из 10 вагонов — 5×800 = 4000 кВт;
    • касательная сила тяги на ободах движущих колёс — до 26 350 кгс;
    • конструкционная скорость — 130 км/ч (по тяговым электродвигателям)[к 2];
    • ускорение при пуске — 0,6—0,7 м/с².

История создания и выпуска

Предыдущие пригородные электропоезда Советского Союза

Впервые в Советском Союзе электропоезда начали эксплуатироваться 6 июля 1926 года на участке Баку — Сабунчи Бакинского железнодорожного узла. Каждая электросекция состояла из одного моторного и 1—2 прицепных вагонов. Каждый моторный вагон имел выходную мощность 300 кВт (4×75), напряжение в контактной сети равнялось 1200 В. В 1940-х годах эти электровагоны были списаны[4].

3 августа 1929 года было открыто движение пригородных электропоездов на участке Москва — Мытищи. На этом участке эксплуатировались электропоезда из электросекций серии С (Северные железные дороги). Каждая электросекция состояла из одного моторного (выходная мощность 600 кВт, на последующих модификациях — 720 кВт) и 2 прицепных вагонов. Электропоезда эксплуатировались на участке с напряжением в контактной сети 1500 В. Первоначально электрооборудование для этих электропоездов изготавливала английская фирма Метрополитен Виккерс, но вскоре его начали выпускать и на заводе «Динамо». Механическая часть для этих электропоездов изготавливалась на Мытищинском вагоностроительном заводе. Со второй половины 1940-х годов электропоезда начал выпускать Рижский вагоностроительный завод, электрооборудование ему поставлял Рижский электромашиностроительный завод. Электросекции серии С выпускались в различных модификациях до 1958 года. Модификации различались, например, рабочим напряжением: Св, Сд — 1500 В; См, Ср — 1500 В и 3000 В; Смв, РС (с рекуперативно-реостатным торможением), Ср3, См3 — на напряжение 3000 В. Основным недостатком всех разновидностей электросекций серии С являлась опорно-осевая подвеска тягового электродвигателя, что ограничивало скорость движения[5] до 85 км/ч.

Головной вагон электропоезда серии ЭР1 с сохранившимися дверями для высоких платформ

В 1954 году Рижский вагоностроительный завод выпустил опытные трёхвагонные электросекции, которые получили обозначение серии СН (Северная новая). Основным их отличием являлась опорно-рамная подвеска тягового электродвигателя, что позволило поднять конструкционную скорость до 130 км/ч. Часовая мощность тягового электродвигателя составляла 200 кВт[6]. В середине 1950-х годов, в связи с ростом пригородных пассажирских перевозок и широкомасштабным внедрением электровозной и тепловозной тяги, электрическому моторвагонному подвижному составу требовалось значительное повышение среднетехнической скорости движения, что в свою очередь требовало высоких ускорений. Эксплуатировавшиеся в то время электропоезда, состоящие из трёхвагонных секций (соотношение между моторными и прицепными вагонами 1:2), не могли реализовать требуемых ускорений. Поэтому Рижский вагоностроительный и Рижский электромашиностроительный заводы совместно с московским заводом «Динамо», используя отдельные элементы электросекций СН, разработали, а в 1957 году выпустили партию сразу из пяти электропоездов, которым присвоили обозначение серии ЭР1. Электропоезд состоял из пяти двухвагонных электросекций, но в отличие от предыдущих каждая из этих электросекций не могла работать отдельно. Это упростило конструкцию, но было утрачено одно из основных преимуществ моторвагонной тяги — секционирование пригородных поездов. Электропоезда серии ЭР1 имели гораздо большую по сравнению с предыдущими конструктивную (130 против 85 км/ч) и среднетехническую (на участке в 5 км ЭР1 развивал скорость до 110 км/ч, Ср3 — 85 км/ч) скорости движения. Также на электропоездах ЭР1 были установлены автоматически закрывающиеся и открывающиеся раздвижные двери (на Ср3 их открывали вручную), кузова вагонов были легче на 10 %, а в рессорном подвешивании прицепных вагонов были применены пружинные рессоры вместо листовых. Эти электропоезда позволили уменьшить время хода на ряде участков Московского и Ленинградского железнодорожных узлов, но из-за конструкции выходов, рассчитанных лишь на высокие платформы[к 3], не могли работать на железных дорогах с менее интенсивными пассажирскими перевозками, на которых применялись низкие платформы[8].

Проектирование электропоездов серии ЭР2

Поезда серии ЭР2 с круглой кабиной.
Варианты окраски
ЭР2-902 со старым логотипом РВЗ в окраске Октябрьской ЖД (зелёная с серыми линиями окон)
ЭР2-695 со старым логотипом РВЗ в синей окраске
ЭР2-1017 с новым логотипом РВЗ в окраске по типу МПС
ЭР2-456 в сине-голубой окраске в Томске
ЭР2М-605 в жёлто-синей окраске Латвийской ЖД
ЭР2-884 в бело-голубой окраске Украинских ЖД
ЭР2К-808 в красно-серой корпоративной окраске РЖД
ЭР2К-901 в серо-красной корпоративной окраске РЖД
ЭР2К-930 в окраске Октябрьской ЖД (зелёная с серыми линиями окон)
ЭР2-1027 в синей окраске Эстонской ЖД. Последний электропоезд с круглой кабиной в серии

На многих грузонапряжённых линиях пассажирские платформы были низкими, и для повышения технических скоростей на этих участках требовалась замена морально устаревших электропоездов из трёхвагонных секций на более совершенные и быстроходные. Тогда на Рижском вагоностроительном заводе (РВЗ) был создан проект модернизации электропоезда ЭР1. Согласно проекту вагоны нового электропоезда (ему было присвоено проектное обозначение серии ЭР2) оборудовались комбинированными выходами на высокие и низкие платформы. Чтобы не ослабить вагон из-за изменения конструкции рамы, были усилены боковые стенки, конечные части рам, лобовые части (на головных вагонах), а также дверные проёмы. Для унификации с электропоездами переменного тока ЭР9 (их производство велось на РВЗ параллельно с ЭР2) было изменено тормозное оборудование моторных вагонов — вместо одного тормозного цилиндра устанавливалось 4 (по 2 на тележку)[к 4]. Помимо модернизации механической части, было применено и более совершенное электрооборудование. Так, вместо кислотных аккумуляторных батарей стали устанавливаться более безопасные щелочные, а у динамоторов была изменена конструкция катушек. Применены также более современные компрессоры типа ЭК-7В взамен Э-400. Эти устройства уже были опробованы в эксплуатации: щелочные батареи устанавливались на электропоездах серии ЭР1 № 126—128 (построены в 1960 году), а динамоторы изменённой конструкции на ЭР1 № 183 и 225—232. Номер чертежа главного вида нового электропоезда был 62-61, из-за этого новый электропоезд получил заводское обозначение 62-61. Аналогично его моторный вагон получил заводское обозначение 62-62, головной — 62-63 и промежуточный прицепной — 62-64[1].

Выпуск электропоездов

Поезда серии ЭР2 с плоской кабиной.
Варианты окраски
ЭР2-1260 в окраске по типу МПС
ЭР2-1348 в окраске ОЖД (зелёная с серыми линиями окон). Последний цельный состав ЭР2
ЭР2-1338 в двухтональной зелёной окраске Казанского направления МЖД
ЭР2-1254 в синей окраске Ярославского направления МЖД около платформы Фабрика 1 Мая
ЭР2-К-3026 в окраске под стиль тепловоза М62
ЭР2-К-1116 повышенной комфортности в декоративной окраске
ЭР2-1338 в красно-серой корпоративной окраске РЖД
Служебный ЭР2-1129 в жёлто-красной окраске ССПС
ЭР2-8004 в старой зелёно-серой окраске Латвийской ЖД
ЭР2-1310 в жёлто-синей окраске Латвийской ЖД
ЭР2-806 с дополнительным вагоном ЭР2C (быв. ЭР12) в синей окраске Эстонской ЖД
ЭР2-8002 в тёмно-синей окраске Армянской ЖД

В 1962 году Рижский и Калининский (КВЗ) вагоностроительные заводы выпустили последние электропоезда серии ЭР1 (№ 218—259) и в том же году выпустили сразу 48 электропоездов серии ЭР2 (№ 300—347). Как и при производстве ЭР1, Рижский вагоностроительный завод изготовлял кузова и тележки для моторных вагонов, Калининский вагоностроительный завод — для прицепных и головных, Рижский электромашиностроительный завод (РЭЗ) — электрооборудование и тяговые электродвигатели, а окончательные монтаж электрооборудования и сборка электропоездов производились на Рижском вагоностроительном заводе. В 1968 году КВЗ перестал выпускать кузова вагонов, а выпускал только тележки под прицепные вагоны[1].

Для возможности формирования из 10-вагонных электропоездов составов с меньшим числом вагонов КВЗ в 1964—1970 гг. выпускал отдельные головные вагоны, номерной ряд которых начинался с 801. В 1981 году РВЗ возобновил выпуск отдельных головных вагонов, номерной ряд которых начинался с 8001. Помимо этого, в 1967—1968 гг. РВЗ выпустил 52 отдельных моторных вагона, которые получили номера в от 701 до 752. Для возможности увеличения количества вагонов в ранее выпущенных поездах серии ЭР2 РВЗ начал изготовлять отдельные промежуточные двухвагонные секции, которые получали номера от 2000 и выше, а с 1973 года и головные отдельные секции (№ 3000 и выше)[1]. Также есть данные о постройке в 1980 году 4 отдельных промежуточных прицепных вагонов, получивших номера 9001—9004[2].

В 1974 году была изменена форма кабины с круглой на прямоугольную начиная с электропоезда номер 1028. Начиная с номера 1112 в салонах стали делать полумягкие диваны.

В сентябре 1984 года Рижский вагоностроительный завод выпустил последний электропоезд ЭР2 в СССР, с присвоением номера 1348[9]. С некоторого времени и до списания носил именное название «Смена». В 2012 году состав был списан; в том же году в Люберцах были порезаны его последние (головные) вагоны[10].

Всего было построено 850 поездов, из них 629 10-вагонных, 134 12-вагонных, 75 8-вагонных, 7 6-вагонных и 5 4-вагонных. Также было выпущено 58 отдельных головных и 173 отдельные промежуточные электросекции, 133 отдельных головных, 52 отдельных моторных и 4 отдельных прицепных электровагона. Таким образом, всего было построено 4511 электросекций и 189 отдельных электровагонов. Вместо ЭР2 завод перешёл на выпуск электропоездов серии ЭР2Р, а позже — ЭР2Т, оборудованных рекуперативно-реостатным электрическим торможением, которые считаются уже другой моделью, несовместимой с ЭР2, и не могут работать с ними в одном составе.

Несмотря на завершение в 1984 году выпуска электропоездов ЭР2, примерно через три десятилетия после этого с РВЗ вышло ещё несколько составов. В июле 2013 года для капитального ремонта на завод были переданы все оставшиеся вагоны ЭР2С (бывшие ЭР12). В то же время на РВЗ проходили капитальный ремонт некоторые вагоны серии ЭР2. Впоследствии из восстановленных вагонов серий ЭР2 и ЭР2С были сформированы новые поезда ЭР2 (ER2), которым были присвоены новые номера (предположительно начиная от номера 3301). Известно о поставке таких поездов в Азербайджан[11][12]

Конструкция

По конструкции ЭР2 в основном повторяет ЭР1. Отличие поздних ЭР1 от ранних ЭР2 в основном в конструкции выходов: у ЭР1 только под высокие платформы, а у ЭР2 — и на высокие, и на низкие (хотя с начала 1970-х годов на многих электропоездах ЭР1 конструкция выходов была сделана как у ЭР2[8]). Также ЭР2 отличается некоторым улучшенным оборудованием (динамоторы, аккумуляторные батареи). В свою очередь на ЭР2 в тормозном оборудовании отсутствуют авторегуляторы (регулируют выходы штоков тормозных цилиндров), которые устанавливались на ЭР1.

Для увеличения площади пассажирских салонов всё основное электрооборудование расположено на крыше (например, токоприёмник), либо под вагоном (например, пусковые реостаты, компрессор). Подвагонная аппаратура (в основном переключатели и контакторы) размещена в специальных ящиках, которые закрываются съёмными крышками с уплотнением по периметру и пружинными защёлками, что позволяет защитить находящееся в ящиках оборудование от пыли и снега. Также некоторая часть вспомогательной электроаппаратуры (в том числе и высоковольтной, например, счётчик электроэнергии) расположена в специальных шкафах, размещённых в тамбурах вагонов. Оборудование, предназначенное для управления электропоездом, сосредоточено в кабинах машиниста, расположенных в головных вагонах (см. ниже). В процессе выпуска электропоездов заводы вносили в их конструкцию ряд изменений (например, с № 1028 была изменена форма кабины машиниста, см. ниже), что нередко приводило к изменению расположения части оборудования. Помимо этого, некоторое оборудование устанавливается при модернизации (например, система автоведения). Ниже на рисунках приведены схемы расположения оборудования на головном, моторном и прицепном вагонах[3].

Электровагоны соединяются друг с другом с помощью автосцепки СА-3, которая допускает взаимное вертикальное перемещение вагонов по высоте над головками рельсов до 100 мм[3].

Механическое оборудование

ЭР2-917. Вид на крышу и крышевое оборудование

Кузов

Как и на ЭР1, кузова электровагонов электропоезда ЭР2 цельнометаллические, несущей конструкции (различные силы, которые действуют на кузов, воспринимают все его элементы — рама, крыша, боковые стенки). Каркас выполнен с применением гнутых профилей и представляет собой систему замкнутых колец, обтянутых стальной гофрированной обшивкой толщиной 1,5—2,5 мм. Для размещения автосцепок и их поглощающих аппаратов по концам кузова размещены укороченные хребтовые балки. Благодаря применению алюминия в качестве материала для автоматических раздвижных дверей и каналов для проводов, масса вагонов ЭР2 получилась незначительно больше, чем ЭР1 (например, промежуточный прицепной вагон ЭР1 весил 35,4 т, ЭР2 — 38,3 т)[13].

Лобовая часть электропоездов ЭР2Т-7179 (плоская) и ЭР2-691 (круглая)

Лобовая часть кабины имеет два основных варианта: полукруглая (у поездов ЭР2 до номера 1027 включительно) и плоская (с номера 1028). У плоской кабины по уровень ниже стёкол кабины машиниста стенка прямая и расположена вертикально, а на уровне стёкол имеет небольшой уклон назад. Поезда с круглой кабиной имеют полукруглое остекление из 6 симметрично расположенных стёкол (по 3 с каждой стороны), при этом самыми широкими являются два передних стекла, а самыми узкими — боковые. Поезда с плоской кабиной имеют два симметрично расположенных лобовых стекла, а также по одному стеклу по бокам кабины под маршрутными указателями. Метельники у поездов с круглой кабиной сплошные с узкими вертикальными прорезями, у поездов с плоской кабиной — решётчатые с широкими горизонтальными прорезями[13].

Все светосигнальные приборы электропоездов, включая прожектор, буферные фонари и хвостовые огни, круглые. Между стёклами и автосцепкой по бокам расположены выступающие корпуса буферных фонарей с нижними красными хвостовыми огнями по краям. У поездов с круглой кабиной буферные фонари имеют корпус с сечением близким к треугольному, у поездов с плоской кабиной — с прямоугольным сечением. В переднем скате крыши установлен головной прожектор, а по краям лобовой части над стёклами — верхние хвостовые огни[13].

Боковые стенки вагонов прямые и снабжены гофрами. Вблизи края боковых стенок расположены двустворчатые автоматические пассажирские двери с пневматическим приводом, рассчитанные для выхода как на высокие, так и на низкие платформы. У головных вагонов в передней части расположены боковые окна кабины и одностворчатые двери служебного тамбура, оборудованные замками и открываемые вручную поворотом внутрь. В пространстве между пассажирскими дверями расположены окна пассажирского салона: у головных вагонов — одно узкое и семь широких с каждой стороны, у промежуточных — одно узкое и девять широких. Все окна и двери с каждой стороны поезда расположены симметрично[13].

Торцевые промежуточные стенки вагонов прямые и также снабжены гофрами, по краям имеют небольшие выступы. На торцевых стенках по центру (кроме лобовой части головных вагонов) расположены закрытые межвагонные переходы с металлическими переходными площадками, расположенными над автосцепками. На поездах ранних выпусков, включая все поезда с круглой кабиной и некоторые с плоской, устанавливались металлические межвагонные переходы, а на поездах поздних выпусков — переходы из резиновых баллонных суфле. Переходные площадки не только служат для прохода пассажиров, но и выполняют функцию поглощающих аппаратов, снижая тем самым продольные колебания, возникающие при движении поезда. По бокам от переходных площадках на стенках размещены розетки межвагонных электрических соединений. У моторных вагонов со стороны токоприёмника по бокам от перехода также устанавливаются песочницы, а с правой стороны расположена лестница на крышу[13].

Тележки

Тележка моторного вагона с витыми пружинами в центральном подвешивании.
1 — букса; 2 — фрикционный гаситель колебаний; 3 — надрессорный брус; 4 — тяговый поводок; 5 — гидравлический гаситель колебаний; 6 — предохранительные тросы; 7 — тормозной цилиндр; 8 — тормозная колодка

Вагон электропоезда опирается на две двухосные тележки через их надрессорные брусья. Каждая из тележек имеет двойное рессорное подвешивание. Тележки моторных и прицепных вагонов различаются[14].

Тележка моторного вагона челюстная, что исключает продольные и поперечные перемещения колёсных пар относительно её рамы. Продольная балка рамы тележки в средней части усилена накладками, потому что именно в этом месте на продольные балки через надрессорный брус и двойные подвески передаётся вес кузова вагона. Поперечная балка имеет сложную форму, обусловленную тем, что к ней крепится тяговый электродвигатель. Тяговые электродвигатели имеют опорно-рамное подвешивание, то есть полностью крепятся на раме тележки.

Рама тележки опирается на буксы колёсных пар через витые пружины буксового рессорного подвешивания. В свою очередь, на раму тележки через центральное рессорное подвешивание и двойные подвески опирается надрессорный брус, на который уже непосредственно передаётся вес вагона. В местах крепления маятниковых подвесок рама вагона усилена накладками. В рессорном подвешивании первых электропоездов были эллиптические листовые рессоры Галахова, но на ЭР2-501, 502, 503 и с № 514 (1965 год) их заменили на витые пружины, что увеличило общий прогиб рессорной системы тележек с 95 до 120 мм.[1]

Для гашения колебаний, возникающих при движении поезда по неровностям пути, в каждой ступени рессорного подвешивания установлены гасители колебаний: в буксовой ступени — фрикционные (2, см. фото), в центральной — гидравлические (5) (с листовыми рессорами гасители колебаний в центральной ступени подвешивания не устанавливались). Кузов вагона опирается на скользуны — накладки на боковых литых опорах надрессорного бруса. Скользуны выполнены из слоистого пластика и предназначены для уменьшения боковой качки вагона и виляния тележек, повышая тем самым плавность хода. Для передачи от тележки на вагон тяговых и тормозных усилий в центре надрессорного бруса имеется шкворень — вертикальный металлический стержень, который служит для соединения кузова с тележкой, также через него передаётся часть веса кузова вагона[15][16].

Тележки прицепных вагонов в целом аналогичны тележкам обычных пассажирских вагонов, но имеют укороченную раму. Тележки бесчелюстные (продольные перемещения колёсных пар относительно рамы ограничиваются самими пружинами), рессорное подвешивание более мягкое (бо́льший общий прогиб), шкворень состоит из трёх частей, а фрикционные гасители колебаний буксового подвешивания помещены внутри пружин, а не снаружи, как на моторных вагонах[16]. Также на первой тележке головного вагона имеются кронштейны для установки приёмных катушек автоматической локомотивной сигнализации. На ранних ЭР2, как и на ЭР1, под прицепные вагоны подкатывались тележки типа КВЗ-5/Э (производства Калининского вагоностроительного завода), на ЭР2-375 и с № 544 — КВЗ-ЦНИИ/Э. Тележки типа КВЗ-ЦНИИ/Э имеют следующие отличия от тележек типа КВЗ-5/Э: рессорное подвешивание более мягкое, надрессорный брус (3) относительно рамы (1) фиксирован двумя поводками с резинометаллическими элементами (2), вес кузова вагона передаётся на надрессорный брус только через боковые скользуны (7) (на КВЗ-5/Э его вес передавался также и через центральную опору)[1][14].

Тяговая передача

Каждую моторную ось электропоезда ЭР2 вращает свой тяговый электродвигатель. Вращающий момент от тягового электродвигателя на колёсную пару передаётся через тяговый редуктор, представляющий собой прямозубую зубчатую передачу с передаточным числом 3,17 (73:23), заключённую в стальной корпус. Большое зубчатое колесо (модуль передачи равен 10) закрепляется непосредственно на оси колёсной пары, а малое — на валу, который вращается в двух подшипниках качения (на ранних электропоездах ЭР2 они были шариковыми, с № 496 — роликовыми). Корпус редуктора рассчитан на опорно-осевое подвешивание, то есть с одной стороны он опирается на ось колёсной пары, а с другой — через специальную подвеску крепится к раме тележки. На ось колёсной пары он опирается через роликовый подшипник, который имеет уплотнение для предотвращения вытекания смазки. Подвеска тягового редуктора на раму тележки первоначально состояла из серповидной серьги с двумя резинометаллическими амортизаторами на верхнем конце, и сферическим подшипником скольжения типа ШС-40 на нижнем, но с мая 1969 года с ЭР2-659 Рижский вагоностроительный завод стал применять вертикально установленный стержень с четырьмя такими амортизаторами (как на ЭР22). Так как при движении электропоезда из-за неровности пути относительное положение вала двигателя и вала малой шестерни редуктора постоянно меняется, то между ними установлена специальная муфта. На ранних электропоездах применялись кулачковые муфты; затем стали устанавливать упругие в виде резино-кордовых оболочек[17]. Эксперименты с такими муфтами начались в 1964 году на ЭР2-486. В конце 1965 года было выпущено ещё 5 составов (№ 520—524) с такими муфтами, а с № 601 (1966 год) эти муфты начали применять на всех серийных электропоездах ЭР2[1]. Резино-кордовые муфты допускали возможность большего смещения валов, чем ранее применявшиеся кулачковые, в связи с чем стала возможной замена серповидной подвески тягового редуктора на более надёжную в эксплуатации прямую подвеску с четырьмя резинометаллическими упругими элементами без сферических подшипников.

Колёсные пары моторных вагонов бандажные. Диаметр поверхности катания нового бандажа составляет 1050 мм, а толщина — 75 мм. Бандаж напрессовывается на спицевой колёсный центр, в свою очередь, два колёсных центра напрессовываются на колёсную ось, причём один из колёсных центров имеет удлинённую ступицу, так как на неё болтами крепится большое зубчатое колесо тягового редуктора (см. выше). В отличие от колёсных пар моторных вагонов, колёсные пары прицепных вагонов имеют цельнокатаные колёса (бандаж и колёсный центр объединены в одну деталь) с диаметром поверхности катания 950 мм, ступичные части их короче, а колёсные оси имеют меньшее сечение[18].

Электрооборудование

Электрическая схема ЭР2 устроена на основе схемы поздних ЭР1. На каждом моторном вагоне установлено по 4 тяговых электродвигателя (ТЭД), соединённых попарно последовательно. Регулирование напряжения на зажимах электродвигателей осуществляется с помощью пусковых реостатов, а также способами включения двигателей. Регулирование числа оборотов осуществляется также изменением величины магнитного поля возбуждения. Для защиты двигателей от перенапряжений и бросков тока на электропоезде установлен ряд аппаратов защиты: быстродействующий выключатель, реле перегрузки, дифференциальное реле и другие. Также на ранних электропоездах серии в цепи тяговых электродвигателей был установлен плавкий предохранитель, но с № 539, в связи с повышением надёжности аппаратов защиты, этот предохранитель исключили[1].

Описание работы силовой схемы

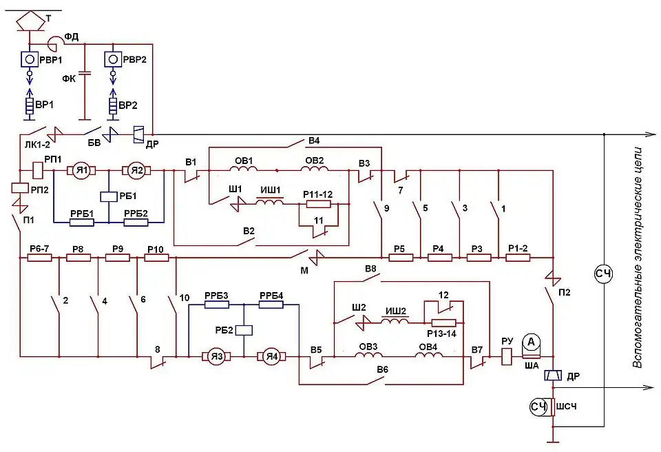
Силовой контроллер КСП-1А электропоезда ЭР2: 1 — реверсор; 2 — пневмопривод; 3 — контакты управления приводом; 4 — прочие контакты управления; 5 — силовые контакты
Таблица замыкания контакторов[к 7]

Электропоезд имеет 18 пусковых позиций, из которых только 4 ходовые (на них допускается длительное движение электропоезда). Разгон осуществляется, в основном, с помощью реостатов, которые изначально вводятся в цепь ТЭД, после чего, по мере разгона электропоезда, постепенно выводятся из цепи с помощью закорачивания специальными контакторами. Эти контакторы (на схеме они обозначены № 1—12) объединены в один групповой переключатель, который называют силовым контро́ллером. Машинист управляет электропоездом с помощью контро́ллера машиниста. Система управления косвенная, то есть машинист лишь устанавливает рукоятку контроллера машиниста в определённое положение, а система управления автоматически доводит силовой контроллер до соответствующей позиции. При необходимости движения на малых скоростях (например, при манёврах), машинист устанавливает рукоятку контроллера в первое положение — «М» (маневровое). При этом в схеме замыкаются линейные контакторы (Л1-2), мостовой (М), 7 и 8 (см. табл). Собирается схема, в которой 4 тяговых электродвигателя каждого моторного вагона соединены последовательно, введены все пусковые реостаты (Rобщ=17,66 Ом). При переводе ручки контроллера машиниста в следующее положение, на силовом контроллере осуществляется постепенный переход с позиции на позицию, в результате чего пусковые реостаты постепенно закорачиваются. В отличие от электровозов, где набор пусковых позиций осуществляется под контролем машиниста, на электропоезде переход с одной промежуточной позиции на другую идёт автоматически с помощью реле ускорения, которое регулирует величину ускорения электропоезда, контролируя изменение тягового тока при увеличении оборотов ТЭД. Также схема управления предусматривает возможность ручного перевода силового контроллера с позицию на позицию. На 9-й позиции силового контроллера в цепи остаётся только 4 последовательно соединённых электродвигателя, возбуждение каждого из которых (β) составляет 100 %. Эта же позиция соответствует 1-й ходовой позиции на контроллере машиниста. При дальнейшем наборе позиций происходит ослабление возбуждения двигателей: на 10-й позиции поле составляет 67 %, а на 11-й — 50 % от полного. 11-я позиция силового контроллера соответствует 2-й ходовой позиции на контроллере машиниста[19].

Для дальнейшего увеличения скорости двигатели переводятся на групповое параллельное соединение (2 параллельные цепи по 2 последовательно соединённых двигателя в каждой). Для этого на 12-й позиции силового контроллера замыкаются параллельные контакторы (П1—П2), после чего отключается мостовой контактор. После этого силовой контроллер переходит на 13-ю позицию; при этом почти одновременно включаются контакторы 1—2 силового контроллера и отключаются контакторы ослабления поля (Ш1-2). Собирается схема, состоящая из 2 параллельных цепей, в каждой из которых по 2 последовательно соединённых ТЭД с группой пусковых резисторов (сопротивление по 4,97 Ом). При дальнейшем наборе позиций, пусковые резисторы попарно закорачиваются и на 16-й позиции оказываются полностью выведены. Эта позиция соответствует 3-й ходовой позиции на контроллере машиниста. При переходе на 17-ю позицию происходит ослабление магнитного поля до 67 %, а на 18-й — до 50 %. 18-я позиция силового контроллера соответствует 4-й ходовой позиции на контроллере машиниста. Эта позиция является максимальной, и на ней может быть достигнута наивысшая скорость. Для того, чтобы отключить тягу, машинист переводит ручку контроллера в положение «0». При этом размыкаются линейные контакторы, тем самым отключая от контактной сети тяговые электродвигатели; силовые контроллеры при этом переводятся в 1-ю позицию. Таким образом повторный пуск двигателей осуществляется при последовательном соединении с полностью введёнными пусковыми резисторами[19].

ЭР2-446 — первый ЭР2 с ТЭД УРТ-110А

Тяговые электродвигатели электропоездов ЭР2 имеют опорно-рамное подвешивание, что защищает их от ударов при прохождении по неровностям пути. На первых ЭР2 применялись такие же тяговые электродвигатели, как и на ЭР1 — ДК-106Б (ДК — завод «Динамо» им. Кирова, 106 — серия, Б — версия исполнения). Это электродвигатель постоянного тока с последовательным возбуждением (обмотка якоря и обмотка возбуждения включаются последовательно) с 4 главными и 4 дополнительными полюсами (4-полюсный), обмотка якоря волновая. Рабочее напряжение двигателя составляет 1500 В, изоляция обмоток рассчитана на 3000 В. В отличие от электродвигателей электровозов, для этого электродвигателя номинальным режимом является работа при ослабленном магнитном поле, а полное возбуждение применяется лишь при разгоне. Охлаждение тягового электродвигателя осуществляется с помощью самовентиляции (вентилятор закреплён на валу электродвигателя), забор воздуха через вентиляционные отверстия над дверьми[20].

В начале 1960-х годов в методиках расчётов электромагнитных процессов произошли изменения, которые позволили упростить проектирование электрических машин[к 8]. В связи с этим на Рижском электромашиностроительном заводе был создан новый тип тягового электродвигателя — УРТ-110А (унифицированный, рижский, тяговый), который имел характеристики, близкие к характеристикам ДК-106. Тяговые электродвигатели УРТ-110А стали устанавливать на ЭР2 с марта 1964 года с № 446. В 1970 году завод перешёл на выпуск тяговых электродвигателей УРТ-110Б, которые отличались от УРТ-110А конструкцией коллектора. Электродвигатели нового типа стали устанавливать на ЭР2 с января 1971 года с № 919. Основные характеристики электродвигателей ДК-106 и УРТ-110 приведены в таблице (в числителе указаны значения при 100 % возбуждения, в знаменателе — при 50 %)[1][20].

Наименование двигателяМощность, кВтТок, АЧастота вращения якоря, об/минМаксимальная
частота
вращения,
об/мин
Масса, кг
Часовой режимПродолжительный режимЧасовой режимПродолжительный режимЧасовой режимПродолжительный режим
ДК-106 187/200145/160136/146105/115830/1140945/132020802200
УРТ-110 178/200137/158132/146100/115850/1145952/131520802150

Высоковольтные аппараты

Для передачи электрической энергии от контактного провода к оборудованию электропоезда на крышах моторных вагонов установлены токоприёмники пантографного типа. Токоприёмник имеет пневматический привод, поэтому при давлении воздуха в напорной магистрали ниже определённого уровня, он отрывается от контактного провода и под действием специальных пружин опускается[21]. На крыше каждого моторного вагона установлено по одному токоприёмнику, так как в случае его повреждения, оставшиеся моторные вагоны в состоянии довести состав до депо[к 9]. По этой же причине в силовой цепи моторных вагонов не предусмотрены отключатели групп неисправных тяговых электродвигателей, и при повреждении одного из электродвигателей отключается целиком моторный вагон (известны случаи, когда на линию выходили составы с одним неисправным моторным вагоном)[8].

Аппараты защиты

Защита тяговых электродвигателей от токов короткого замыкания обеспечивается с помощью быстродействующего выключателя (БВ), который при величине тока двигателей свыше 575±25 А (предельный отключаемый ток 20 000 А), быстро размыкает (за 0,002 — 0,005 с) силовую цепь[22]. Для предотвращения случаев, когда в цепи тяговых электродвигателей случается пробой изоляции на землю, но ток при этом меньше величины тока срабатывания БВ, на каждом моторном вагоне установлено дифференциальное реле (обозначение по схеме ДР, тип — Р-104Б). Дифференциальное реле сравнивает величину тока в начале и в конце силовой цепи. При пробое изоляции на землю возникает разность этих токов. Если эта разница составляет 40-60 А и выше, дифференциальное реле срабатывает и отключает БВ, размыкая свои контакты в цепи его удерживающей катушки. Срабатывая, дифференциальное реле опускает сигнальный флажок — блинкер, информируя о своём срабатывании. В исходное положение блинкер возвращают вручную[23]. При выключении быстродействующего выключателя (как автоматически, так и по команде машиниста) на соответствующем моторном вагоне загораются три жёлтые лампы сигнализации неисправного вагона. Кроме того, при выключении быстродействующего выключателя хотя бы одного моторного вагона на головных вагонах в кабинах машиниста загорится красная сигнальная лампа «БВ»[24].

Для сигнализации о боксовании тяговых электродвигателей (ТЭД) (а также о заклинивании одной из колёсных пар моторного вагона, о разрыве муфты между ТЭД и редуктором и для снижения боксования) на каждом моторном вагоне установлены два реле боксования (обозначение по схеме РБ1, РБ2, тип — Р-304) — по одному реле на каждую группу ТЭД. Реле боксования срабатывает, если у соседних тяговых двигателей число оборотов сильно отличается, что определяется по разности напряжений на соседних двигателях. При срабатывании реле боксования его контакты включают низковольтную катушку реле ускорения. Магнитный поток реле ускорения увеличится и оно будет разрешать набор позиций реостатного контроллера при меньшем токе тяговых двигателей (75 А). Ток двигателей и сила тяги вагона уменьшатся, что снижает боксование[23]. Кроме того, при срабатывании хотя бы одного реле боксования хотя бы одного моторного вагона на головных вагонах в кабинах машиниста загорится синяя сигнальная лампа «РБ»[24]. После прекращения боксования реле боксования выключается и схема восстанавливается автоматически.

Для защиты ТЭД от токов перегрузок, меньших, чем ток уставки БВ, на каждом моторном вагоне установлены два реле перегрузки (обозначение по схеме РП1, РП2, тип — Р-103/Р102) — по одному реле на группу ТЭД. По силовым катушкам реле перегрузки протекают токи тяговых двигателей. Если ток одной из групп тяговых двигателей превысит 265 А, реле перегрузки этой группы двигателей включится (сработает). При этом реле перегрузки аналогично реле боксования включит низковольтную катушку реле ускорения, что приведёт к уменьшению тока тяговых двигателей и прекращению их перегрузки. При срабатывании реле перегрузки на соответствующем моторном вагоне загораются три красные лампы сигнализации неисправного вагона, а в кабинах машиниста головных вагонов загорится синяя сигнальная лампа «РП»[25]. После срабатывания реле перегрузки механически фиксируется во включённом состоянии. Для восстановления в исходное состояние реле перегрузки РП1 и РП2 имеют общий механизм возврата с низковольтной включающей катушкой. После срабатывания реле перегрузки машинист на нулевой позиции контроллера нажимает кнопку «Возврат БВ и РП». Включающие катушки всех реле перегрузки получают питание и сработавшие реле возвращаются в исходное состояние. Аналогично дифференциальному реле, каждое реле перегрузки имеет флажок, опускающийся при срабатывании реле. После срабатывания флажок восстанавливают вручную[26]

Для защиты локомотивной бригады и работников депо от поражения электрическим током, на всех шкафах и ящиках с высоковольтным оборудованием установлены специальные электрические блокировки. Благодаря им если при поднятом токоприёмнике открыть один из этих шкафов или ящиков, токоприёмник автоматически опускается, тем самым отключая вагон от контактной сети и снимая высокое напряжение с электрооборудования. С ЭР2-544 было введено реле блокировки лестниц (РБЛ), которое при поднятом токоприёмнике блокирует выдвижные лестницы в убранном состоянии, тем самым предотвращая подъём на крышу. Для безопасности пассажиров все автоматические двери оборудованы концевыми выключателями, благодаря которым машинист может определить все ли автодвери закрыты[3].

Из остальных аппаратов защиты можно упомянуть также реле напряжения (РН, срабатывает при падении напряжения в высоковольтной цепи электропоезда ниже 2400 В, о чём предупреждает машиниста), реле перегрузки динамотора и компрессора (РПДиК), реле перегрузки отопления (РПО) и автоматический выключатель управления (АВУ). Последний предназначен для того, чтобы при величине давления воздуха в тормозной магистрали ниже определённого уровня, отключалась цепь управления тяговыми электродвигателями, то есть благодаря АВУ электропоезд не сможет поехать с незаряженными тормозами[3].

Вспомогательные машины

Динамотор ДК-604В

Под прицепными и головными вагонами электропоезда установлены преобразователи (динамоторы) ДК-604В. Преобразователь ДК-604В сочетает в себе сразу две машины: делитель напряжения и посаженный с ним на одну ось генератор тока управления. Делитель напряжения двухколлекторный, то есть при напряжении в контактной сети 3000 В (питание на прицепной вагон поступает от моторного), динамотор позволяет получить 1500 В, которое необходимо для питания двигателя компрессора (см. ниже). Генератор является источником питания цепей управления, его номинальное напряжение составляет 50 В. Частота вращения вала преобразователя составляет 1000 об/мин; при этом мощность динамотора составляет 12 кВт (ток 5,3 А), а генератора — 10 кВт (ток 200 А). Общая масса преобразователя составляет 1200 кг. При неработающем генераторе цепи управления получают питание от щелочной аккумуляторной батареи, которая находится на этом же вагоне. Также на каждом прицепном вагоне установлен мотор-компрессор, приводом которого является двигатель ДК-405В. Это электродвигатель постоянного тока мощностью 5 кВт. Его рабочий ток равен 4,65 А, а напряжение — 1500 В[27].

Приводом вентиляторов салонов являются электродвигатели типа П-41, рабочее напряжение которых составляет 50 В. Номинальная частота вращения этих электродвигателей составляет около 1200 об/мин, а масса 78 кг. На электропоездах с изменённой формой кабины (с № 1028) такой же двигатель служит приводом вентилятора отопления кабины[27].

Пневматическое оборудование

Сжатый воздух используется на электропоездах ЭР2 во многих системах и механизмах, прежде всего в тормозном оборудовании. Помимо этого сжатый воздух открывает и закрывает двери, приводит в действие различные электрические контакторы и аппараты (например, токоприёмник и силовой переключатель) и звуковые сигналы (тифон и свисток). Мотор-компрессоры, которые установлены по одному на прицепных (в том числе и головных) вагонах под кузовом, подают сжатый воздух в напорную магистраль, которая тянется вдоль всего состава. Для поддержания давления воздуха на нужном уровне, в каждом головном вагоне установлены регуляторы давления (АК-11Б), которые автоматически включают и выключают компрессоры. Давление воздуха в напорной магистрали ЭР2 составляет от 6,5 до 8,0—8,2 кгс/см². Помимо этого, на моторных вагонах установлены вспомогательные компрессоры для подъёма токоприёмников при полностью разряженной напорной магистрали. На ранних электропоездах вспомогательные компрессоры были с ручным приводом, затем — от небольшого электродвигателя, получающего питание от аккумуляторной батареи[28].

Воздушный привод шунтовых и линейных силовых контакторов и переключателей (силовой контроллер, реверсор) применён потому что, во-первых, сжатый воздух может обеспечить высокое усилие сжатия контактов, отчего уменьшается переходное сопротивление и тепловыделение при больших токах. Во-вторых, снижается нагрузка на генераторы тока управления (что особенно важно ночью, когда включено освещение). В-третьих, исключается движение поезда без воздуха в напорной магистрали, то есть с неработающими тормозами и неуправляемыми дверьми.

Электропоезда ЭР2 оборудованы электропневматическими тормозами с двухсторонним нажатием тормозных колодок на колёса. На прицепных вагонах установлен один тормозной цилиндр диаметром 14", который через рычажную передачу приводит в действие все 16 тормозных колодок (по 2 на колесо). На моторных же вагонах установлено 4 тормозных цилиндра (диаметром 10"), по два на тележку. Эта схема расположения тормозного оборудования унифицирована с электропоездами переменного тока серии ЭР9. Также такая схема позволила упростить рычажную тормозную передачу. Питание тормозов осуществляется из тормозной магистрали, которая, в свою очередь, питается из напорной через воздухораспределители (по одному на прицепных и по два на моторных вагонах) и кран машиниста (установлен в кабине). Как и напорная, тормозная магистраль проходит через весь состав, рабочее давление воздуха в ней составляет 4,5—5,5 кгс/см². Для повышения безопасности пассажиров электропоезд оборудован стоп-кранами, которые установлены в пассажирских салонах, тамбурах и в кабинах машиниста[29].

Радиосвязь

Для радиотелефонной связи машиниста с диспетчером, дежурным по станции, а также машинистами других поездов головные вагоны электропоездов ЭР2 оборудованы радиостанциями. На электропоездах ЭР2, выпускавшихся до 1976 года, устанавливали радиостанции типа ЖР-3М. Радиостанция состояла из радиоантенны, располагавшейся на крыше головного вагона; согласующего устройства, приёмопередатчика и блока питания (находившихся в радиорубке головного вагона); а также двух пультов управления с микротелефонными трубками и громкоговорителя, установленных в кабине машиниста.[30]

На электропоездах ЭР2, выпускавшихся с 1976 года, устанавливали радиостанции типа 42РТМ-А2-ЧМ (с двойным управлением). Радиостанция отличалась по конструкции, но имела набор блоков, почти аналогичный ЖР-3М (включая два пульта управления). По сравнению с ЖР-3М, в кабине машиниста были два громкоговорителя, а приёмопередатчик был конструктивно разделён на два блока — собственно приёмопередатчик и блок низкочастотных и вызывных устройств. Эти два блока, а также блок питания размещались в шкафу № 3 головного вагона, а согласующее устройство — на чердаке над шкафом № 2 головного вагона.[31]

Для передачи пассажирам речевых сообщений машиниста, его помощника либо проводника хвостового вагона электропоезда ЭР2 оборудованы системой громкоговорящей связи. На электропоездах ЭР2 ранних номеров применялась система громкоговорящей связи с усилителем типа УП-50. Она состояла из микрофона и пульта управления в кабине машиниста, усилителя типа УП-50 (по одному на головной вагон) и громкоговорителей в салонах и тамбурах.[32]

Интерьер

Пассажирский салон

Бо́льшая площадь внутреннего пространства вагонов отведена под пассажирский салон. Основную площадь салона занимают диваны (сиденья), над которыми размещаются полки для багажа и вешалки для одежды. Диваны, как правило, 6-местные (по 3 места с каждой стороны), расположены в 2 ряда вдоль салона. Число сидячих мест в вагонах в процессе выпуска часто менялось, также часть диванов снимали при заводских ремонтах (для увеличения общей пассажировместимости вагона за счёт увеличения стоячих мест). В промежуточных вагонах число сидячих мест составляет от 107 до 110, в головных — от 77 до 88. В 10-вагонном составе общее число сидячих мест может составлять до 1050, а общая пассажировместимость (расчётная) — около 1,6 тыс. человек[3]. Раздвижными двустворчатыми дверями салон отделён от тамбуров, расположенных по концам вагонов[к 10]. Для входа пассажиров с платформы в вагон (или наоборот), по концам вагонов расположены двустворчатые двери с пневматическим приводом[13].

Для поддержания микроклимата в пассажирских салонах электропоезд оборудован системами освещения, отопления и вентиляции. Освещение осуществляется за счёт светильников с лампами накаливания (при модернизации поездов часто устанавливают люминесцентные или светодиодные), размещённых в специальных плафонах на потолке (20 в салонах промежуточных вагонов, 16 — в головных и по 2 в тамбурах). Лампы освещения получают питание от генератора управления (50 В) и поэтому при неисправности цепи преобразователя (поломка токоприёмника, перегорание главного предохранителя и т. д.) освещение отключается. Однако на этот случай предусмотрено дежурное освещение — маломощные лампы накаливания, установленные в некоторых плафонах рядом с лампами основного освещения и получающие питание от аккумуляторной батареи[33].

Вентиляция салона может быть как естественная (с помощью открывания форточек), так и принудительная, которая осуществляется с помощью двух сдвоенных центробежных вентиляторов. Эти вентиляторы установлены над тамбурами и нагнетают воздух в воздушный канал, проходящий по центру потолка, откуда уже через небольшие отверстия воздух поступает в салон. Забор воздуха в летнее время осуществляется извне, через специальные отверстия, после чего он пропускается через сеточные фильтры и лишь затем поступает в салон. В зимнее время забор воздуха осуществляется частично извне, частично из самого салона[к 11]. Для отопления салона предназначены электрические печи, которые установлены под диванами (20 печей в промежуточных вагонах, 14 — в головных). Мощность каждой электропечи составляет 1 кВт, а рабочее напряжение — 750 В, поэтому они помещены в специальные заземлённые кожухи. Печи соединяют по 5 последовательно (2 из них при этом объединены под общим кожухом) и подключают к напряжению 3000 В[33][34]. В тормозной рычажной передаче моторных вагонов ЭР2 в отличие ЭР1 вместо авторегуляторов усл. № 574Б применялся пневматический авторегулятор РВЗ.

Кабина машиниста

Кабина ЭР2 до № 1027. Установлены АЛСН, механический скоростемер, радиостанция, а также САВПЭ

Кабина машиниста рассчитана на ведение поезда локомотивной бригадой из двух человек — машиниста и помощника.

Пульт управления составом и кресло машиниста располагаются с правой стороны кабины, место помощника и дополнительный пульт с рядом переключателей — с левой. Слева от машиниста расположен небольшой выступающий столик с установленной на нём поворотной рукояткой контроллера, с правой — кран тормозной магистрали, скоростемер и оборудование радиосвязи, а перед креслом машиниста — главная приборная панель со световыми индикаторами, стрелочными измерительными приборами и большей частью переключателей. Конструкция пульта управления у электропоездов с круглой и плоской кабиной различается: у первых пульт управления состоит из нескольких раздельных приборных панелей, расположенных главным образом в правой части кабины, а главная приборная панель представляет собой единую наклонную плоскость; у вторых приборная панель занимает всю ширину кабины и состоит из двух плоскостей — горизонтальной непосредственной перед локомотивной бригадой и наклонной ближе к лобовым стёклам, при этом со стороны машиниста лампы сигнализации и измерительные приборы расположены на наклонной, а переключатели и рукоятка контроллера — на горизонтальной плоскости. Также у поездов с круглой кабиной справа от машиниста имеется небольшой столик, на котором расположены тормозной кран и штурвальная рукоятка стояночного тормоза, а слева от его рабочего места расположена дополнительная приборная панель с рядом переключателей для помощника. У поездов с плоской кабиной тормозной кран расположен на небольшом столике, стояночный тормоз перенесён в левую часть кабины на место помощника машиниста, а дополнительная приборная панель с переключателями отсутствует.

Со второй половины 1990-х годов электропоезда ЭР2 стали оборудоваться различными системами и устройствами, большая часть которых устанавливалась в кабине. Система пожарной сигнализации (тип «ПРИЗ») включает в себя 2 блока управления (по одному в каждой кабине), датчики дыма и огня, которые размещены по составу, а также специальные контро́ллерные блоки (по одному на вагон). В случае срабатывания одного из датчиков в кабину машиниста поступает голосовой сигнал предупреждения о пожаре, при этом указывается номер вагона. Также голосовое предупреждение может быть передано по салону (если состав находится в депо), либо по радиосвязи (если состав находится в парке). Иногда система пожарной сигнализации дополняется системой пожаротушения, в состав которой входят углекислотные и (или) порошковые огнетушители[35].

Кабина ЭР2 с № 1028. Вместо АЛСН и скоростемера установлен КЛУБ. Также установлен РПДА

Также с конца 1990-х годов электропоезда начали оборудовать системой автоматизированного ведения электропоезда (САВПЭ). Эта система позволяет осуществлять автоматическое ведение электропоезда при минимальном участии машиниста. Также, в зависимости от расписания, она позволяет осуществлять выбор рационального по расходу электроэнергии режима хода. Также она выдаёт различные речевые сообщения: служебные для машиниста и справочную (в основном объявляет остановки) для пассажиров. Из-за ряда ошибок программы системы САВПЭ (в основном из-за высокой погрешности в расстояниях) её редко используют по назначению, а в основном как подсказывающее устройство (см. ниже про эксперименты с ЭР2). Часто такая система дополняется РПДА — регистратор параметров движения поезда и автоведения. РПДА представляет собой систему регистрации, которая может записывать на электронный носитель информации следующие данные[36]:

  • номер поезда и состава;
  • параметры движения (время, скорость, пройденное расстояние);
  • показания сигналов локомотивной сигнализации;
  • ток каждого из моторных вагонов (моторные вагоны при этом оборудуются специальными датчиками тока);
  • расход электроэнергии каждого из моторных вагонов;
  • срабатывания БВ, электропневматического клапана (экстренное торможение), а также сколько раз и когда включалось отопление вагонов;
  • включения системы автоведения.

Также электропоезда оборудуются устройствами, необходимыми для эксплуатации: скоростемер, автоматическая локомотивная сигнализация (в основном АЛСН) (с середины 2000-х годов их заменяют КЛУБом), а также устройствами радиосвязи.

Эксплуатация электропоездов ЭР2

Электропоезда ЭР1 поначалу направлялись на Московский (направления от Павелецкого, Киевского и Савёловского вокзалов) и Ленинградский (в основном направления от Финляндского вокзала) железнодорожные узлы.[8] Туда же поначалу были направлены и первые ЭР2. Однако, из-за того, что у ЭР2 в отличие от ЭР1 конструкция выходов позволяет осуществлять выход как на высокие, так и на низкие платформы, почти одновременно их стали отправлять и на ряд второстепенных направлений, где они в основном заменяли трёхвагонные электросекции серии С разного исполнения, тем самым значительно повысив среднетехнические скорости обращения пригородных поездов. К середине 1960-х годов ЭР2 уже работали на пригородных направлениях от Иркутска, Куйбышева (ныне Самара), Кургана, Омска, Новосибирска, Тулы, Челябинска, в Краснодарском и Ставропольском краях, Грузинской, Латвийской и Украинской ССР, курсировали вдоль Черноморского побережья в Абхазии, Аджарии и в Крыму. Когда начался выпуск электропоездов с изменённой формой кабины (с № 1028), то их, как более современные, в основном стали направлять для работы в Москву и Ленинград, так как в 1980 году в Москве должны были состояться Олимпийские игры. По данным на 1 января 1976 года на советских железных дорогах числилось 2929 учётных двухвагонных электросекций (учёт моторвагонных поездов ведётся по секциям, а не по составам или вагонам, см. выше), которые были распределены по следующим дорогам[1]:

Для сравнения, на то время на советских железных дорогах ещё числилось 613 трёхвагонных электросекций Ср3[37], 1294 двухвагонные (учётные) секции серии ЭР1[8], 1728 учётных секций серии ЭР9[38] и 268 учётных секций серии ЭР22[39]. Таким образом, в 1976 году на долю ЭР2 приходилось 2/5 от общего учётного парка советских электропоездов.

Однако уже в начале 1970-х годов началось исключение отдельных вагонов серии ЭР2 из инвентаря. В 1984 году на РВЗ начался выпуск электропоездов постоянного тока с электрическим торможением (ЭР2Р, а затем ЭР2Т, см. ниже). Эти электропоезда имели более мощные тяговые электродвигатели, а электрическое торможение позволяло уменьшить расход электроэнергии. Они стали заменять ЭР2 на многих скоростных магистралях (например, Москва — Ленинград). В 1993 году начали выпускать электропоезда Торжокский вагоностроительный (серия ЭТ2) и Демиховский машиностроительный (серия ЭД2Т, далее ЭД4) заводы. ЭР2 стали постепенно переводиться на второстепенные направления, либо передаваться на другие дороги (в основном заменяли электропоезда ЭР1), либо списываться. Так в феврале 2007 года был списан последний электропоезд с круглой формой кабины на Московской железной дороге — ЭР2-1017, а головные вагоны переделаны для поезда Спутник (см ниже), а в 2009 году на Октябрьской железной дороге был списан рестайлинговый ЭР2-1028 — первый ЭР2 с изменённой формой кабины. В 2010 году Московской железной дорогой был списан поезд ЭР2-1112 с алюминиевыми оконными рамами, мягкими сиденьями и резиновыми межвагонными тамбурами. Отдельную роль в судьбе ЭР2 сыграла и электрификация железных дорог на переменном токе. Так, из-за этого с середины 1990-х годов ЭР2 практически перестали работать на Восточно-Сибирской, Приволжской и Горьковской железных дорогах. Но, несмотря на всё это, ЭР2 ещё продолжают активно эксплуатироваться. На некоторых предприятих этим электропоездам проводят специальные капитальные ремонты, после которых продлевается срок их службы. Из-за этого электропоезда, построенные ещё в 1962 году (например, ЭР2-304 и ЭР2-339, ныне порезанные на металлолом), долгое время продолжали эксплуатироваться с добавлением бувы К в обозначение (первые три года после такого ремонта эксплуатировались с обозначениями ЭС2-003 и ЭС2-004 соответственно)[2]. Также при этих ремонтах электропоездам часто меняют кабину и даже нередко присваивают новое обозначение (ЭС2, ЭМ4, см. ниже), то есть по документам поезд считается новым. Такие электропоезда поступают на многие коммерческие маршруты, например, ЭМ4 «Спутник» эксплуатировался на скоростном направлении Москва — Мытищи[40].

На начало 2009 года на железных дорогах постсоветского пространства ещё числилось как минимум 2834 учётные электросекции ЭР2[2].

    Для сравнения, на тот момент времени на железных дорогах бывших советских республик ещё числилось (приблизительно): ЭР9 всех индексов (П, М, Е, Т) — 2290 секций[41], ЭР2Р и ЭР2Т — 1639 секций[42][43], ЭТ2 всех разновидностей — 628 секций[44], ЭД2Т — 51 секция[45], ЭД4 — 1237 секций[46], ЭД9 — 921 секция[47]. Таким образом, можно увидеть, что в начале 2009 года на долю ЭР2 приходилось около трети общего учётного парка электропоездов железных дорог постсоветского пространства.

    ЭР2 в России активно списывались и списываются с середины 2000-х годов. По состоянию на 2022 год оставшиеся несколько десятков модернизированных поездов эксплуатировала Московская железная дорога[48].

    Транспортные происшествия

    Вагон ЭР2-48509 в составе электропоезда ЭР2-973
    • 17 июля 1992 года на переезде близ платформы Ириновка (Ленинградская область) в первую тележку головного вагона ЭР2-485 врезался грузовой автомобиль марки ЗИЛ, в результате чего вагон сошёл с рельсов и на скорости 40 км/ч левой стороной врезался в платформу. В результате происшествия погиб помощник машиниста (данных о погибших пассажирах нет), вагоны № 48501, 48504 и 48507 были повреждены до степени исключения из инвентаря[50].
    • В ночь с 22 на 23 декабря 1993 года в процессе маневровых работ в моторвагонном депо Раменское произошло столкновение электропоездов ЭР2-1164 и ЭР2-1181. В результате происшествия никто не погиб, вагон № 116401 был повреждён до степени исключения из инвентаря, а вагон № 118109 — в объёме текущего ремонта[51].
    • 31 мая 1996 года 4 незакреплённые платформы с цементом, из-за уклона пути, выкатились со станции Литвиново (Кемеровская железная дорога) на перегон и на 3526 км врезались в переполненный ЭР2-663. Погибли 17 пассажиров, 44 (по другим данным более 100) были ранены, вагоны № 66305, 66308 и 66309 повреждены до степени исключения из инвентаря[52][53].
    • В 6 часов 14 минут 7 июля 1998 года, около станции Бекасово-1 Московской железной дороги (Киевское направление) произошло крушение двух электропоездов и одной единицы путейской техники. Щебнеочистительная машина после выполнения работ в ночное «окно» прибыла на ст. Бекасово-1. Через некоторое время был получен приказ о её отправке на ст. Апрелевка, дежурный открыл маршрутный сигнал, предупредив по радиосвязи машиниста о необходимости остановиться у закрытого выходного. Бригада щебнеочистителя, отвлёкшись и возможно заснув, не следя за свободностью пути, проследовала закрытый выходной сигнал и в начале перегона Бекасово-1 — Селятино столкнулась с электропоездом № 6404 (ЭР2-1104), следующим по маршруту Кресты — Москва и выезжающим на главный путь по примыканию. Видимость была нормальной, машина столкнулась с четвёртым вагоном электропоезда, шедшего со скоростью около 35 км/ч. От удара два вагона и щебнеочиститель сошли с рельсов, причём последний попал в габарит встречного главного пути, по которому в этот момент со скоростью 80 км/ч следовал электропоезд № 6401 (ЭР2-1117). В крушении погибло 4 человека: бригада электропоезда № 6401, один из пассажиров и помощник машиниста щебнеочистительной машины.
    • 13 февраля 2001 года — столкновение ЭР2-1291 с автопоездом на переезде участка Белоостров — Дибуны. Погиб 1 пассажир, 10 получили ранения, разбит вагон 129101.
    • 11 ноября 2002 года в Санкт-Петербурге из-за неверно поставленной слесарем перемычки при поднятых токоприёмниках и запущенных вспомогательных машинах, неуправляемый (машинист в этот момент времени отлучился с состава) ЭР2-1280 на скорости около 41 км/ч выскочил на перрон Балтийского вокзала. В результате происшествия 4 человека погибли, 9 были ранены, а 2 вагона электропоезда (№ 128001 и 128010) были повреждены в объёме текущего ремонта[54].
    • 19 декабря 2002 года при испытаний энергопоглощающего тупикового упора был сложен пополам вагон 09 ЭР2-368. Пострадавших не было. Вагон был распилен автогеном.[55]
    • 25 октября 2006 года близ Сестрорецка был осуществлён умышленный поджог одного из вагонов электропоезда ЭР2-1315. В результате происшествия никто не погиб, вагоны № 131503 и 131508 были повреждены до степени исключения из инвентаря (в июне 2009 года ещё находились на территории моторвагонного депо Санкт-Петербург Финляндский)[56].
    • В ночь с 3 по 4 декабря 2020 года на территории депо Санкт-Петербург-Балтийский произошло возгорание ретропоезда ЭР2К-980. В результате пострадала головная секция: вагоны 09 и 10 повреждены до степени исключения из инвентаря[57].

    Сохранённые электропоезда

    Сохранённый поезд ЭР2К-980 в начале 2021 года работал ретропоездом Яхрома

    Некоторые электропоезда ЭР2 (точнее их отдельные вагоны либо секции) установлены в качестве экспонатов железнодорожных музеев и/или в качестве учебных тренажёров:

    Помимо стационарных образцов, принято решение о сохранении трёх электропоездов со старыми кабинами (ЭР2К-901, ЭР2К-930, ЭР2К-980) Октябрьской дирекции моторвагонного подвижного состава с возможностью эксплуатации некоторых из них в качестве ретропоездов[69]. Также в 2023 году ретропоездом стал ЭР2К-1149, получивший название «Грушинский экспресс». Эксплуатируется на Куйбышевской железной дороге[70].

    Эксперименты с электропоездами ЭР2

    Относительная простота конструкции ЭР2 и его массовость привели к тому, что на электропоездах этой серии проводилось довольно много экспериментов. Прежде всего они касались его системы пуска, которая была неэкономичной. Также разрабатывались различные системы автоматического ведения — «автомашинисты». В 1963 году с такой системой был выпущен электропоезд № 413, который получил обозначение серии ЭР2А (проектное обозначение — ЭР3). С завода его направили в моторвагонное депо Москва-Октябрьская. Система имела много конструктивных ошибок, и после нескольких лет опытной эксплуатации её демонтировали, а электропоезд в 1979 году был передан в моторвагонное депо Ленинград-Финляндский, а затем — в Ленинград-Балтийский. Следующим был электропоезд ЭР2-906, на котором в 1975 году была установлена система автоведения «Автомашинист АМ-ЦНИИ». Электропоезд поступил для опытной эксплуатации в моторвагонное депо Москва-Октябрьская, в ходе которой выявились конструкционные ошибки у этой системы, поэтому она вскоре была демонтирована, а электропоезд в 1980 году был передан в моторвагонное депо Ленинград-Московский, а затем — в Ленинград-Балтийский. Аналогичная система ещё в 1974 году была установлена на электропоезде ЭР200-1, где применялась при движении со скоростью выше 50 км/ч. Однако и с этого электропоезда её вскоре демонтировали[1][2]. Со второй половины 1990-х годов на многих ЭР2 российских железных дорог начали устанавливать системы автоведения типа САВПЭ-М, а затем САВПЭ-У. Однако из-за ряда технических ошибок (в основном связанных с торможением[к 13] и выбором режимов хода) машинисты данную систему чаще используют как подсказывающее устройство (предупреждает об ограничениях скорости, указывает различные расстояния), а также для объявления остановок по салонам.

    Также в качестве опыта на некоторых ЭР2 применялись различные конструкционные изменения, например, резино-кордовые муфты в тяговом приводе также поначалу устанавливались в качестве опыта. В 1966 году был выпущен электропоезд ЭР2Б−596, который был оборудован бесконтактной системой управления электропневматическими клапанами силовых контроллеров. Помимо этого, на электропоезде было применено люминесцентное освещение пассажирских салонов, а также установлены электронные реле ускорения и боксования, которые более точные, чем электромагнитные (как на серийных ЭР2), что позволяло повысить защиту тяговых электродвигателей. Из-за сложности конструкции этих электронных устройств данный электропоезд так и остался опытным. Электропоезд поступил в депо Засулаукс (Прибалтийская железная дорога), а в 1972 году 6 из 10 его вагонов были отправлены в Ленинград для переделки в опытный контактно-аккумуляторный электропоезд ЭР2А6[1].

    Электропоезда ЭР2 с импульсным пуском

    Как уже сказано выше, основной способ разгона электропоезда ЭР2 заключается в том, что в цепь тяговых электродвигателей вводятся пусковые реостаты, величина сопротивления которых по мере разгона уменьшается (за счёт постепенного закорачивания реостатов). Такой способ пуска относительно прост, но не экономичен, ведь в реостатах теряется значительное количество электроэнергии. С учётом характера работы пригородных электропоездов (частые остановки, примерно каждые 3—5 минут) это приобретало весьма актуальный характер. Между тем становились всё яснее перспективы применения на электропоездах статических преобразователей с импульсным регулированием напряжения и выполненных на полупроводниковых приборах. Статические преобразователи заменяют контакторно-резисторную систему пуска, что позволяет не только снизить потери электроэнергии, но и за счёт плавного регулирования напряжения на выводах ТЭД повысить величину пускового тока, что в свою очередь повышает пусковое ускорение (то есть электропоезд будет быстрее разгоняться). Применение полупроводниковых приборов вместо ламповых (игнитроны) позволяло повысить надёжность этих установок, что было особенно важно на электропоездах, основное электрооборудование которых рассредоточено вдоль всего состава.

    Опытная секция серии ЭР2и с импульсным межступенчатым регулированием напряжения

    Так как в то время в Советском Союзе ещё отсутствовал опыт применения на электропоездах и электровозах мощных преобразователей на полупроводниковых приборах (были лишь преобразователи, выполненные на лампах), было решено для начала опробовать систему с импульсным межступенчатым регулированием. При такой схеме регулирования пуск электродвигателей осуществляется за счёт пусковых реостатов, но они закорачиваются не с помощью контакторов реостатного контроллера, а с помощью управляемых полупроводниковых приборов (тиристоров). По такой схеме в депо Засулаукс (Прибалтийская железная дорога) в 1967 году был оборудован моторный электровагон серии ЭР2 № 44808. При этом на данном электровагоне импульсное межступенчатое регулирование было применено не только для регулирования пускового сопротивления, но и для ослабления возбуждения тяговых электродвигателей (чертёж электрических схем № 0ТР.354.293 Рижского электромашиностроительного завода)[1].

    К данному моторному вагону был прицеплен головной № 837, после чего секции присвоили обозначение серии ЭР2и (с импульсным регулированием). От серийных ЭР2 на опытной электросекции были сохранены пусковые резисторы, реостатный контроллер и ряд других электрических аппаратов. Испытательные поездки секции проводились на участке Вецаки — Саулкрасти Прибалтийской железной дороги, в ходе которых была подтверждена её работоспособность. В 1971 году данный принцип работы преобразователя был ещё раз опробован на одном из электропоездов серии ЭР22, а затем его стали использовать на скоростных электропоездах ЭР200 (строились с 1974 года). Саму опытную электросекцию ЭР2и в 1972 году переоборудовали по схеме электропоездов серии ЭР2т с широтно-частотными преобразователями (см. ниже). Последние после этого получили обозначение серии ЭР2и[1].

    Электропоезда серий ЭР2т (ЭР2и) с широтно-частотными преобразователями

    Дальнейшим развитием схемы с импульсным регулированием являлась полная замена контакторно-реостатного пуска бесконтактным импульсным. По этой схеме пуск электропоезда осуществляется за счёт плавного регулирования напряжения на зажимах ТЭД. При этом отпадает необходимость в такой промежуточной схеме соединения двигателей, как последовательная (все 4 двигателя соединены последовательно в одну цепь), также при такой схеме было возможно применять рекуперативное торможение. В качестве основной системы преобразователя была выбрана широтно-частотная, которая объединяла в себе широтно-импульсную и частотно-импульсную (об опыте применения частотно-импульсных преобразователей на ЭР2 см ниже) системы регулирования. По этой системе в начале пуска (≈1 с) напряжение на выходе преобразователя повышалось за счёт повышения частоты импульсов от 150 до 400 Гц (частотно-импульсная схема регулирования), напряжение при этом возрастало до 600 В, после чего частота импульсов стабилизировалась на уровне 400 Гц. Дальнейшее повышение напряжения на выходе преобразователя осуществлялось за счёт повышения продолжительности импульсов (широтно-импульсная схема регулирования). Когда выходное напряжение преобразователя приближалось к напряжению контактной сети (≈92 %), преобразователь закорачивался специальными контакторами ПК-306Т (те же использовались в линейных контакторах), после чего тяговые электродвигатели, которые постоянно были соединены последовательно-параллельно (2 параллельные цепи по 2 последовательно соединённых электродвигателя в каждой), оказывались непосредственно подключены к контактной сети. Из-за такой схемы пуска преобразователь получил прозвище «пускач»[1].

    В 1967—1970 годах на Прибалтийской железной дороге уже проводились экспериментальные работы по применению импульсного регулирования напряжения на выводах тяговых электродвигателей. Но тогда это были контактно-аккумуляторные трёхвагонные электросекции Ср3А6м (созданы путём переделки электросекций Ср3). Теперь же аналогичную систему предстояло внедрить на более мощных и скоростных электропоездах. В 1970 году в уже упоминавшемся депо Засулаукс в 8-вагонном электропоезде с головными вагонами ЭР2 № 830 и 832 на двух моторных вагонах контакторно-реостатное оборудование было заменено импульсными полупроводниковыми преобразователями. После переоборудования электропоезд в начале поступил в опытную эксплуатацию, а с сентября того же года эксплуатировался уже наравне с другими электропоездами в общем графике и перевозил пассажиров. В 1971 году остальные 2 моторных вагона электропоезда были также переведены на импульсный пуск, и электропоезду присвоили обозначение серии ЭР2т. Для накопления опыта эксплуатации электропоездов с импульсным пуском в депо по такой же схеме был переоборудован восьмивагонный ЭР2-639, но в отличие от электропоезда № 830(832) его преобразователи были включены между контактной сетью и тяговыми электродвигателями (на ЭР2т−830(832) они были включены со стороны «земли»). Так как в 1972 году на опытной электросекции ЭР2и система импульсного межступенчатого регулирования была заменена широтно-частотными преобразователями, как на ЭР2т, электропоезда ЭР2т получили обозначение серии как у опытной электросекции — ЭР2и. В дальнейшем до 1974 года по схеме ЭР2и−639 было переоборудовано ещё несколько 8-вагонных электропоездов (номера головных вагонов 300, 302, 697, 821, 831, 837, 838), которым присвоили обозначение серии ЭР2и[1].

    В 1973 году рижский филиал Всесоюзного научно-исследовательского института вагоностроения, Прибалтийская железная дорога и Всесоюзный научно-исследовательский институт железнодорожного транспорта провели испытания по сравнению тягово-энергетических характеристик электропоездов серий ЭР2 и ЭР2и. Результаты испытаний показали, что при значительном усложнении конструкции расход электроэнергии у электропоезда ЭР2и на участке в 3 км при скоростях 56—68 км/ч лишь на 9,8—12,8 % ниже, чем у электропоезда ЭР2. В условиях реальной эксплуатации экономия в электроэнергии была ещё меньше[71].

    Опытный электропоезд ЭР2и−559 с частотно-импульсными преобразователями

    Пока на Прибалтийской железной дороге велись работы по внедрению на электропоездах ЭР2 широтно-частотных преобразователей, в Московском энергетическом институте на кафедре «Электрический транспорт» были начаты работы по применению на этих же электропоездах частотно-импульсных преобразователей. Сотрудники этой кафедры разработали частотно-импульсную систему, которую планировалось установить на электропоезд ЭР2. Используя эту систему, в 1969 году проектно-конструкторским бюро локомотивного хозяйства Министерства путей сообщения был разработан проект, по которому в 1970 году на Московском локомотиворемонтном заводе были переоборудованы 6 (3 моторных, 2 головных и 1 промежуточный прицепной) из 10 вагонов электропоезда ЭР2-559, который получил новое обозначение серии ЭР2и. Электропоезд был переведён в депо Москва-2 (ярославское направление) и уже 25 августа 1970 года совершил свою первую поездку по маршруту Москва — Александров — Москва[1].

    В отличие от электропоездов с широтно-частотными преобразователями на ЭР2и−559 тяговые электродвигатели были постоянно подключены к преобразователю. Из-за этого оказалось возможным поддерживать напряжение на зажимах ТЭД постоянным, вне зависимости от напряжения в контактной сети. Благодаря этому мощность ТЭД была увеличена за счёт увеличения их рабочего напряжения на 10 % (с 1500 до 1650 В). Регулирование напряжения на электродвигателях было совершенно плавным, а рекуперативное торможение можно было совершать практически до полной остановки электропоезда, причём без каких-либо дополнительных специальных устройств для возбуждения тяговых электродвигателей. В контроллере машиниста вместо группового переключателя было установлено обычное переменное сопротивление. Несмотря на столь впечатляющие характеристики, преобразователи, выполненные по схеме Московского энергетического института, получились весьма тяжёлыми. Их вес был выше, чем у широтно-частотных преобразователей электропоездов ЭР2и Прибалтийской железной дороги. Для сравнения: моторный вагон с частотно импульсными преобразователями весил 58,1 т, а с широтно-частотными преобразователями — 54,8 т (моторный вагон обычных ЭР2 весит 54,6 т)[1].

    В период с 1971 по 1973 год электропоезд совершал периодические опытные поездки, в которых проверялась работа электрооборудования, в том числе и в режиме рекуперативного торможения. Однако вскоре МЭИ прекратил испытания электропоезда. Это связано с тем, что ЭР2и−559 был лишь макетом, на котором проверялась работоспособность системы частотно-импульсного регулирования. В дальнейшем эта система должна была использоваться на электропоездах ЭР2в, которые предназначались для работы на напряжении 6000 В[1]. Электропоезд ЭР2и−559 проработал на московском железнодорожном узле вплоть до 1999 года, пока не был исключён из инвентаря, а затем списан. Оставшиеся непеределанные электровагоны № 55905—55908 первоначально работали на Александровском участке Большого Московского железнодорожного кольца, а в 1978 году были переданы на Октябрьскую железную дорогу в моторвагонное депо Ленинград-Финляндский. Вагоны № 55905 и 55906 работали в составе электропоезда ЭР2-668, а 55907 и 55908 в составе ЭР2-649. В 2007 году оба эти электропоезда были исключены из инвентаря[72].

    Электропоезда, созданные на базе ЭР2

    Электропоезд ЭР1 имел относительно простую конструкцию и на её основе было создано несколько новых серий электропоездов — ЭР2, ЭР6, ЭР7; позже эти серии получили дальнейшее развитие. Аналогично произошло и с ЭР2 — его конструкция послужила основой для новых серий электропоездов. Также многие разновидности электропоездов были созданы путём переоборудования серийных электропоездов ЭР2.

    Контактно-аккумуляторный электропоезд ЭР2А6

    Данный электропоезд был смонтирован в 1972 году в Ленинграде на Октябрьском электровагоноремонтном заводе и предназначался для эксплуатации на неэлектрифицированных пригородных участках железных дорог. Электропоезд был создан путём переделки 6 из 10 вагонов электропоезда ЭР2Б−596, при этом все высоковольтные вспомогательные машины (динамоторы, двигатели компрессоров) и аккумуляторные батареи цепей управления были перенесены на моторные вагоны. Освободившееся место под каждым прицепным вагоном заняла тяговая аккумуляторная батарея массой по 40 тонн и ёмкостью по 806,4 кА*ч (2016 элементов типа ТЖНТ-400). Пуск электропоезда осуществлялся с помощью тиристорных преобразователей, которые размещались в тамбурных шкафах моторных вагонов. Также эти преобразователи позволяли производить электрическое торможение (рекуперативное на электрифицированных участках, реостатное — на неэлектрифицированных) и заряд тяговых аккумуляторных батарей. В 1973 году электропоезд поступил для испытаний на Прибалтийскую железную дорогу. В 1975 году, из-за сложности конструкции, а также из-за появления на Рижском железнодорожном узле достаточного количества дизель-поездов, электропоезд ЭР2А6 был отстранён от работы. Несколько десятилетий он простоял «под забором», пока в 1992 году не был списан[73].

    Электропоезда ЭР2в на напряжении 6000 В

    В 1959 году профессор В. Е. Розенфельд представил доклад на тему «Система электрической тяги на постоянном токе высокого напряжения (6 кВ) с преобразователем тока на электровозе». Согласно этому докладу, перевод линий постоянного тока с напряжения 3000 на 6000 В позволял уменьшить электрические потери в контактной подвеске, по сравнению с переводом линий на переменный ток частотой 50 Гц и напряжением 25 000 В не требовал дорогостоящих работ по переводу линий связи и автоблокировки. Так как система электроснабжения на переменном токе ещё в то время была распространена мало (2 участка общей протяжённостью 412 км) и не получила ещё особого признания, то начало работ по внедрению системы постоянного тока напряжением 6 кВ у многих встретило поддержку[74].

    Для опытной проверки этой системы было начато переоборудование электровозов ВЛ22м и ВЛ8 для работы на напряжении 6000 В. Также аналогичные работы велись и с моторвагонными поездами, при этом был использован опыт применения частотно-импульсных преобразователей на электропоезде ЭР2и−559. При переделках устройства контактно-реостатного управления заменялись на импульсно-тиристорные преобразователи, которые позволяли плавно регулировать напряжение, подводимое к тяговым электродвигателям, что позволяло улучшить тяговые свойства электроподвижного состава, а также осуществлять рекуперативное торможение во всех диапазонах скоростей. Всего электропоездов на напряжение 6000 В было 4: три 4-вагонных и один 8-вагонный[74][75].

    ЭР2в−556 (головные вагоны № 867 и 868) близ Финляндского вокзала в Санкт-Петербурге (2004 год)

    Первый в мире электропоезд на напряжение 6000 В был сформирован в 1973 году на Московском локомотиворемонтном заводе, причём его первая секция (моторный вагон № 55606 и головной вагон № 867) была смонтирована в 1971 г., а вторая (моторный вагон № 55608 и головной вагон № 868) — в 1973 г. Частотно-импульсные преобразователи были расположены под моторными вагонами. Электропоезд получил первоначальное обозначение серии ЭР2И, а в августе 1974 года — ЭР2в (высоковольтный). В июне 1974 года электропоезд ЭР2в−556 поступил для испытаний на экспериментальное кольцо ВНИИЖТа. Из-за убеждения многих специалистов о недопустимости расположения под кузовами электровагонов аппаратов в баках с маслом (из соображений пожароопасности), был создан проект с воздушным охлаждением преобразователей, которые располагались на крышах вагонов. Для освобождения дополнительной площади на крышах моторных вагонов, токоприёмники были перенесены на прицепные вагоны (на ЭР2в−556 токоприёмники были установлены на моторных вагонах). По этому проекту в 1974—1975 гг. Московский локомотиворемонтный завод смонтировал остальные три электропоезда серии ЭР2в. Первый из них состоял из вагонов № 881, 63104, 63106, 882; второй — № 879, 63108, 55304, 880; третий — № 57801, 57808, 63103, 57810, 63102, 63107, 63110, 57809[75].

    В 1977—1978 гг. все четыре электропоезда были переведены на участок Гори — Цхинвали Закавказской железной дороги, электрифицированный на напряжение 6000 В в 1969 году. На этом участке электропоезда ЭР2в проработали совсем недолго, так как уже в 1979 году было принято решение о прекращении работ по созданию электроподвижного состава, рассчитанного на работу при напряжении 6000 В. В результате в 1979—1980 гг. почти весь электроподвижной состав на напряжение 6000 В (5 электровозов и 3 электропоезда) были исключены из инвентарного парка МПС. Исключением стал электропоезд ЭР2в−556 — в 1980 году он был передан в моторвагонное депо Ленинград-Финляндский, где с него демонтировали прежнюю систему и установили тиристорно-импульсные преобразователи, которые при рекуперативном торможении питали обмотки возбуждения тяговых электродвигателей[75]. Электропоезд числился на балансе Ленинградского института инженеров железнодорожного транспорта и служил для различных практических испытаний, за что получил в депо прозвище «Наука». В 2008 году этот электропоезд был исключён из инвентарного парка депо.

    Электропоезда ЭР12

    Электропоезд ЭР2С. Вид на вагон 2206 (бывший ЭР12-600309)

    Используя опыт эксплуатации в 1970—1973 годах электропоездов ЭР2, оборудованных статическими преобразователями (см. выше), в сентябре 1976 года Рижский вагоностроительный завод изготовил 10-вагонный электропоезд ЭР12-6001 с тиристорно-импульсными преобразователями. На данном электропоезде механическая часть, тяговые электродвигатели (была лишь улучшена их изоляция, отчего двигатели получили наименование 1ДТ-006), вспомогательные машины и тормозное оборудование были такими же, как на ЭР2. Пуск электропоезда производился с помощью двухфазных тиристорных преобразователей с широтно-импульсным регулированием. Эти преобразователи были изготовлены на Таллинском электротехническом заводе и размещались под моторными вагонами. Плавное регулирование напряжения на зажимах тяговых электродвигателей позволило поднять уставку пускового тока (с 190 до 220 А), а следовательно и увеличить ускорение поезда (с 0,57 до 0,71 м/с²). В 1981 году РВЗ изготовил ещё два поезда с преобразователями изменённой конструкциями: 6-вагонный ЭР12-6002 и 4-вагонный ЭР12-6003. Вместе с 8 вагонами ЭР12-6001 (секция с моторным вагоном 600108 была отставлена от работы из-за вышедшего из строя преобразователя), из них были сформированы три 6-вагонных электропоезда, которые поступили для эксплуатации на пригородные участки Таллина. В середине 1990-х годов электропоезда ЭР12 были переоборудованы в электропоезда ЭР2[76][77].

    Электропоезда ЭР2Р

    ЭР2Р-7047 на станции Орехово-Зуево

    В период с 1964 по 1968 год Рижский вагоностроительный завод изготовил партию электропоездов серии ЭР22 с длиной кузова 24,5 м и с рекуперативно-реостатным торможением. Но из-за высоких осевых нагрузок и неудовлетворительной работы электрического торможения производство этих электропоездов было прекращено. В 1972 году завод выпустил 2 электропоезда модификации ЭР22М, а в 1975 — 2 электропоезда ЭР22В. Для массового производства последней модификации на заводе было спроектировано и построено электрическое оборудование, которое на заводе планировали выпускать серийно, а также специальные тележки для моторных вагонов. Однако на заводе так и не перешли на серийное производство кузовов длиной 24,5 м[39].

    Тогда конструкторами было предложено использовать электрооборудование от ЭР22В на поездах ЭР2 (длина кузовов 19,6 м). В 1979 году был построен электропоезд, который получил обозначение ЭР2Р-7001. Конструкция и размеры кузовов у ЭР2Р были такими же, как у ЭР2, но из-за увеличения веса поезда под вагоны были подкачены тележки типа ТУР-01, имеющие небольшие отличия от тележек электропоездов ЭР22В (бо́льший прогиб рессорного подвешивания и бо́льший диаметр шеек вагонных осей). Под прицепные вагоны подкатывались аналогичные тележки, но без тяговых электродвигателей. В 1982 году РВЗ выпустил электропоезд ЭР2Р-7002, и первоначально выпускал электропоезда ЭР2Р небольшими партиями, а с 1984 года (с № 7007) перешёл на их серийное производство. Электропоезда ЭР2Р первоначально поступали в депо Железнодорожная Московской железной дороги, а после стали поступать и на остальные пригородные участки. Рижский вагоностроительный завод строил электропоезда ЭР2Р вплоть до 1987 года; последний электропоезд этой серии — ЭР2Р-7089 — был изготовлен в сентябре этого года. Вместо них, в 1987 году РВЗ перешёл на производство электропоездов серии ЭР2Т[78][79].

    Электропоезда ЭР2К, ЭР2М, ЭМ1, ЭМ2, ЭМ4, ЭС2, ЭС

    Электропоезд ЭР2К-590 с кабиной RRA на станции Зеленоградск-новый, Калининградская обл.
    Электропоезд ЭМ2-008 с кабиной ЭД4М на станции Тула I, Тульская обл.

    Несмотря на разные названия и, зачастую, наличие сильных внешних отличий друг от друга, эти электропоезда по сути являются одним и тем же — ЭР2, которые прошли капитальный ремонт с продлением срока службы (КРП[80]), либо капитальный восстановительный ремонт (КВР). Этот вид ремонта проводят на различных локомотивостроительных и локомотиворемонтных предприятиях, а иногда и в локомотивных депо (например, депо Алтайская в Новоалтайске). В основном КРП и КВР производится на электропоездах ЭР2 с № 659 (то есть со стержневой подвеской тягового редуктора), однако в настоящее время его проводят и на более ранних составах (с серповидной подвеской редуктора), при этом под моторные вагоны подкатывают новые тележки. В ходе ремонта также модернизируется конструкция поезда: устанавливаются стеклопакеты (с металлическими, а позже с пластиковыми рамами), новые диваны, в освещении вместо ламп накаливания в последнее время стали устанавливать люминесцентные. Также иногда меняют и кабину управления. После этого поездам присваивают новое обозначение (чаще всего ЭР2К или ЭР2-К — ЭР2 после КРП).

    Электропоезда ЭР2, прошедшие КРП на Московском ЛРЗ (ЗАО «Спецремонт», от ЭР2 при этом часто остаются только рама, тележки и торцевые стены) получают аббревиатуру ЭМ (электропоезд московский). Первоначально, с 2001 до 2005 года, это были электропоезда ЭМ2 (первые два поезда ЭМ имели обозначения ЭМ1-К-1019 и ЭМ2-К-1021), а с 2003 по 2006 год завод выпускал электропоезда ЭМ4, также известные как «Спутник». Их вагоны имеют единое внутреннее пространство — без тамбуров. Каждый вагон имеет три пары прислонно-сдвижных дверей, предназначенных для выхода только на высокую платформу. Электропоезда «Спутник» эксплуатировались на ускоренных пригородных маршрутах Москва — Мытищи — Пушкино, Москва — Мытищи — Болшево (участок Москва — Мытищи открыт для движения «Спутников» в феврале 2004, Мытищи — Пушкино — в августе, а Мытищи — Болшево — в сентябре 2008) и Москва — Люберцы I — Раменское, который был открыт в 2005 году. Также, с 2002 по 2006 год, ЗАО «Спецремонт» выпускал поезда ЭМ2И, выполненные по аналогии со схемой поезда ЭР2и с широтно-частотными преобразователями. Ныне все составы ЭМ2 и ЭМ4 (модификации в их числе) отстранены от эксплуатации. Последний состав ЭМ2И работал до 2018 года, ЭМ4 — до 2020 года.

    В 2006 году в Грузии на Тбилисском ЭВРЗ поездам ЭР2 начали проводить КРП/КВР, с присвоением обозначения серии ЭС (груз. ეს). Вскоре эти поезда стали вводится в эксплуатацию на Грузинской железной дороге. Вместе с новой серией была введена и новая нумерация начиная с 001. Построено не менее девяти электропоездов ЭС (номера от 001 до 009)[81][82].

    Модернизированный ЭР2-964 с кабиной дизель-поезда ДР1Б в Латвии

    Электропоезда, которые прошли КРП и КВР в уже упомянутом локомотивном депо Алтайская, получают обозначение серии ЭС2 (электропоезд сибирский, не путать с поездом ЭС2Г на платформе Siemens Desiro). При этой модернизации у электропоездов нередко устанавливают новую кабину[83]. Всего на начало 2009 года было собрано: 51 ЭМ2 (из них 16 — ЭМ2И), 19 ЭС2 и 15 ЭМ4 (все они учтены в данных о численности ЭР2 на 2009 год, см. выше). Весной 2008 года были построены два вагона повышенной комфортности для курсирования на линии Новосибирск-Главный — Черепаново.

    Электропоезда, прошедшие КРП на Киевском ЭВРЗ, несмотря на сохранение ряда внешних деталей, проходят значительную модернизацию кабины, в частности: сантехкабина (туалет) переносится в пассажирский салон, а электрооборудование из радиорубки размещается в кабинных шкафах по образцу ЭР2 с № 1028. Служебный тамбур при этом переносится на место ликвидированных радиорубки и туалетного помещения.

    Известны многочисленные случаи переделки моторных вагонов ЭР2 в электромотрисы для служебного пользования, среди которых наиболее известны серии ДЭР, МВ и СВ[2][48].

    Электромотрисы ДЭР

    На Октябрьской железной дороге эксплуатировались электромотрисы ДЭР-001, ДЭР-002 и ДЭР-003, на Московской (в депо ТЧ-1, Москва-Курская, пассажирская) — СМВ-1 и так далее. Данные мотрисы выполнены путём переоборудования моторных вагонов с установкой мотор-генераторов и мотор-компрессоров, кабин машиниста. Причём ДЭР-001 имел один вагон, ДЭР-002 — три вагона, а ДЭР-003 — два вагона, полученные переоборудованием вагонов электропоездов ЭР2Т и ЭР9П. В настоящее время ДЭР-001, ДЭР-002 и ДЭР-003 списаны.

    Электромотрисы МВ и СВ

    На Западно-Сибирской железной дороге, в ТЧ-33 Новокузнецк на базе ЭР2 изготовлены электромотрисы типов МВ (02, 07) и СВ (02, 03, 04, 05).

    Культурные аспекты

    Кино и видео

    ЭР2 более четырёх десятилетий являлся самой распространённой электричкой на железных дорогах Советского Союза, а позже — и в ряде стран постсоветского пространства (Россия, Армения, Грузия, Украина). В кинофильмах ЭР2 появляется уже через год после начала производства — в «Добро пожаловать, или Посторонним вход воспрещён». В этом фильме 1964 года в сцене на платформе (когда Иночкин представляет себе, как он приезжает домой) показывают подъезжающий электропоезд (точнее, сначала показывают подъезжающий электровоз ЧС2), в котором по комбинированным выходам и характерным стенкам можно опознать ЭР2. Когда электропоезд отправляется, то показывают уже Ср3[84].

    Несколько более значимой у электропоезда была «роль» в оскароносном фильме «Москва слезам не верит» (1979), где в салоне ЭР2 знакомятся главные герои — Катерина и Георгий. По отделке салона можно определить, что это электропоезд до № 982 (с ЭР2-982 для отделки салонов стали использовать пластик), хотя в то время, из-за предстоящих Олимпийских игр, на Московском железнодорожном узле происходила массовая замена электропоездов на ЭР2 с номерами от 1028 и выше (с изменённой формой кабины)[1].

    В российском сериале «Спецназ по-русски 2» (фильм 2: «Парикмахер», вторая серия) был снят последний электропоезд ЭР2 советской постройки (ЭР2-1348 «Смена»)[85].

    Неоднократно ЭР2 участвовали в съёмках детского киножурнала «Ералаш». Сразу несколько поездов попадают в кадры в сюжете «Осторожно, двери закрываются!» выпуска № 30. По маркировке распознаются ЭР2-1215 (вагон 02), затем ЭР2-1212 (вагон 02), ЭР2-1264 и ЭР2-1210. Как минимум два электропоезда принимали участие при съёмке сюжета «Мы едем, едем, едем» выпуска № 47. В самом начале сюжета (приближающийся поезд) появляется ЭР2-1067; в самом конце (удаляющийся поезд) — другой ЭР2 (номер неразборчив, однако последняя цифра отличается от 7). Остальная часть съёмок произведена в салоне некоего электропоезда, определить тип или номер которого не представляется возможным[86].

    Также ЭР2 появлялся в таких фильмах, как «Джентльмены удачи», «Место встречи изменить нельзя», «Покровские ворота», «Сёстры», «Странные взрослые», «За последней чертой», «Гонки по вертикали», «Вокзал для двоих», «Дальнобойщики», «Огарёва, 6» и другие. В некоторых фильмах появление ЭР2 является анахронизмом — например, в фильмах «Место встречи изменить нельзя» и «Покровские ворота» ЭР2 не соответствует той эпохе, в которой происходит действие фильма.

    В 2008 году в Интернете под заголовками наподобие «Краш-тест электрички», «испытание ЭР2» и т. п.[87] появилась запись первого, неудачного испытания путевого энергопоглощающего упора, проводившееся 19 декабря 2002 года на Варшавском вокзале в Санкт-Петербурге, в результате которого головной вагон № 36809 сложился пополам (в ту же ночь его на месте распилили на металлолом)[88].

    Музыка

    Компьютерные игры

    Компьютерных игр, где бы изначально был ЭР2, относительно немного, да и то в них электропоезда выполняют лишь роль фона либо статичных объектов. Однако, любителями было создано и выложено в интернет немало моделей этого электропоезда в виде дополнений к таким железнодорожным симуляторам, как Microsoft Train Simulator и Trainz. В этих дополнениях представлены ЭР2 не только с разными формами кабины (до и после ЭР2-1028), но и с различными вариантами окраски кузова, а зачастую и с разными вариантами отделки кабины машиниста и пассажирского салона.[89][90].

    Мультфильмы

    Электропоезд ЭР2 показан в мультфильме «Приключения Васи Куролесова».

    Примечания

    Комментарии

    1. 1 2 Не считая составов, сформированных на РВЗ после 2013 года из восстановленных вагонов.
    2. Конструкционная скорость для тележек прицепных вагонов (КВЗ-5 и КВЗ-ЦНИИ) — 160 км/ч. Также известны случаи, когда электропоезда ЭР2 разгоняли выше их конструкционной скорости — при перегонке электропоездов из ремонтных заводов в депо своим ходом. При таких перегонках запись параметров движения, как правило, не ведётся, поэтому часто электропоезда разгоняют до достаточно высоких скоростей. Так на линии Москва — Санкт-Петербург ЭР2 разгоняли до скоростей выше 160 км/ч, максимальная достоверно известная скорость — 174 км/ч.
    3. Высокая платформа — платформа, высота которой над уровнем головки рельса (УГР) составляет 1100 мм. Средняя платформа — платформа, высота которой над УГР составляет 550 мм. Низкая платформа — платформа, высота которой над УГР не более 200 мм[7].
    4. Это связано с тем, что на ЭР9 в средней части моторного вагона располагается тяговый трансформатор, отчего тормозные цилиндры пришлось разместить на тележках.
    5. Точные данные об электросекциях № 2165 и 2166 отсутствуют
    6. Согласно некоторым неподтверждённым данным, электропоезд ЭР2-1345 на самом деле был выпущен в 11-вагонной составности
    7. Не указаны линейные контактора (ЛК1-2), так как в режиме тяги они постоянно замкнуты. Контакторы 11 и 12 силового контроллера на первой позиции замкнуты лишь для равномерной работы привода контроллера.
    8. Ранее считалось, что электромагнитное поле имеет форму эфира (как воздух), при этом в расчёты вводили специальные коэффициенты. Но когда поиски этой массы оказались безрезультатными, учёные пришли к выводу о волновой форме магнитного поля, что позволило упростить расчёты
    9. Известны случаи, когда из-за халатности машинистов в 10-вагонном составе оставался лишь один исправный моторный вагон, который и доставлял состав до депо. Также известен случай, когда из-за дефекта провода в 10-вагонном составе были сломаны 3 токоприёмника, но электропоезд не только доехал до депо, но и привёл на сцепке тепловоз М62
    10. Мало кто знает (об этом даже не упоминается в технической литературе), но конструктивно у этих дверей предусмотрено два режима: «зимний», когда в нормальном положении двери закрыты (под собственным весом благодаря наклонным направляющим), и «летний» — в нормальном положении двери открыты.
    11. Оборудование для вентиляции крайне редко ремонтируют должным образом, поэтому в эксплуатации принудительная вентиляция салонов в основном не применяется.
    12. Установлены взамен ранее экспонируемых настоящих ЭР2-67309 и ЭР2-67308, утраченных при пожаре
    13. Погрешность САВПЭ в расстоянии составляет ± 20 метров — длина одного вагона. Из-за этого первый вагон может оказаться за пределами платформы.

    Источники

    1. 1 2 3 4 5 6 7 8 9 10 11 12 13 14 15 16 17 18 19 20 21 22 23 В. А. Раков. Электропоезда серий ЭР1, ЭР2 и их разновидности (Электропоезда серии ЭР2) // Локомотивы отечественных железных дорог 1956—1975. — 1999. — С. 221—228.
    2. 1 2 3 4 5 6 7 8 9 Приписка электропоездов. Серия ЭР2. Российские электропоезда. Дата обращения: 2 мая 2009. Архивировано из оригинала 18 апреля 2009 года.
    3. 1 2 3 4 5 6 Общие сведения // Электропоезда постоянного тока ЭР2. — 2006. — С. 3—22.
    4. В. А. Раков. Электровагоны Баку-Сабунчинской железной дороги // Локомотивы отечественных железных дорог 1845—1955. — 2-е, переработанное и дополненное. — Москва: Транспорт, 1995. — С. 434—435. — ISBN 5-277-00821-7.
    5. В. А. Раков. Электровагоны пригородных поездов // Локомотивы отечественных железных дорог 1845—1955. — 2-е, переработанное и дополненное. — Москва: Транспорт, 1995. — С. 435—443, 446—452. — ISBN 5-277-00821-7.
    6. В. А. Раков. Моторвагонные секции серии СН // Локомотивы отечественных железных дорог 1845—1955. — 2-е, переработанное и дополненное. — Москва: Транспорт, 1995. — С. 452—453. — ISBN 5-277-00821-7.
    7. ГОСТ 9238-2013. Габариты приближения строений и подвижного состава железных дорог С. 27. Москва: Стандартинформ (2014). Дата обращения: 12 июля 2022. Архивировано 25 июля 2023 года.
    8. 1 2 3 4 5 В. А. Раков. Электропоезда серий ЭР1, ЭР2 и их разновидности (Электропоезда серии ЭР1) // Локомотивы отечественных железных дорог 1956—1975. — 1999. — С. 215—221.
    9. 1 2 В. А. Раков. Электропоезда ЭР2 // Локомотивы и моторвагонный подвижной состав железных дорог Советского Союза 1976—1985. — 1990. — С. 101—105.
    10. ЭР2-1348. RailGallery. Дата обращения: 5 июля 2022. Архивировано 5 июля 2022 года.
    11. Списки подвижного состава и фотогалерея ЭР12. TrainPix. Дата обращения: 18 мая 2016. Архивировано 24 сентября 2016 года.
    12. Списки подвижного состава и фотогалерея ЭР12. Российские электропоезда. Дата обращения: 18 мая 2016. Архивировано 21 марта 2016 года.
    13. 1 2 3 4 5 6 Кузов вагона // Электропоезда постоянного тока ЭР2. — 2006. — С. 101—103.
    14. 1 2 Тележки // Электропоезда постоянного тока ЭР2. — 2006. — С. 87—89.
    15. Центральное подвешивание // Электропоезда постоянного тока ЭР2. — 2006. — С. 89—91.
    16. 1 2 Управление тягой // Электропоезда постоянного тока ЭР2. — 2006. — С. 93—95.
    17. Тяговая передача // Электропоезда постоянного тока ЭР2. — 2006. — С. 95—97.
    18. Колёсные пары // Электропоезда постоянного тока ЭР2. — 2006. — С. 91—92.
    19. 1 2 Управление тягой // Электропоезда постоянного тока ЭР2. — 2006. — С. 79—81.
    20. 1 2 Тяговые двигатели // Электропоезда постоянного тока ЭР2. — 2006. — С. 39—42.
    21. Токоприёмник // Электропоезда постоянного тока ЭР2. — 2006. — С. 24—25.
    22. Быстродействующий выключатель // Электропоезда постоянного тока ЭР2. — 2006. — С. 25—26.
    23. 1 2 Электропоезд ЭР2, ЭР2Р | Реле. electri4ka.com. Дата обращения: 5 марта 2024. Архивировано 5 марта 2024 года.
    24. 1 2 Электропоезд ЭР2, ЭР2Р | Аппараты освещения, сигнализации, средства связи и оповещения. electri4ka.com. Дата обращения: 5 марта 2024. Архивировано 5 марта 2024 года.
    25. Электропоезд ЭР2, ЭР2Р | Система сигнализации. electri4ka.com. Дата обращения: 5 марта 2024. Архивировано 5 марта 2024 года.
    26. Электропоезд ЭР2, ЭР2Р | Реле. electri4ka.com. Дата обращения: 6 марта 2024. Архивировано 5 марта 2024 года.
    27. 1 2 Вспомогательные машины // Электропоезда постоянного тока ЭР2. — 2006. — С. 42—47.
    28. Схема пневматического оборудования // Электропоезд ЭР2. — 1971. — С. 188—192.
    29. Тормозное оборудование // Электропоезд ЭР2. — 1971. — С. 192—196.
    30. Костюковский М. А. Управление электропоездом и его обслуживание. М.: Транспорт, 1987. — С. 236—238. — 253 с.
    31. Аппараты освещения, сигнализации, средства связи и оповещения - сайт СЦБИСТ. scbist.com. Дата обращения: 14 ноября 2024. Архивировано 26 сентября 2013 года.
    32. Костюковский М. А. Управление электропоездом и его обслуживание. М.: Транспорт, 1987. — С. 244—245. — 253 с.
    33. 1 2 Отопление, вентиляция и освещение вагонов // Электропоезд ЭР2. — 1971. — С. 214—215.
    34. Система отопления // Электропоезда постоянного тока ЭР2. — 2006. — С. 60—61.
    35. Система пожарной сигнализации // Электропоезда постоянного тока ЭР2. — 2006. — С. 135—136.
    36. Микропроцессорная универсальная система автоматизированного ведения поездов // Электропоезда постоянного тока ЭР2. — 2006. — С. 136—140.
    37. В. А. Раков. Моторвагонные секции серии Ср3 // Локомотивы отечественных железных дорог 1956—1975. — 1999. — С. 236—246.
    38. В. А. Раков. Электропоезда серий ЭР9 и ЭР9П // Локомотивы отечественных железных дорог 1956—1975. — 1999. — С. 211.
    39. 1 2 В. А. Раков. Электропоезда серий ЭР22, ЭР22М и ЭР22В // Локомотивы отечественных железных дорог 1956—1975. — 1999. — С. 236—246.
    40. Электропоезд пригородного сообщения ЭМ4-001 «Спутник». Российские железные дороги. Дата обращения: 26 июня 2009. Архивировано 18 августа 2011 года.
    41. Приписка электропоездов. Серия ЭР9. Российские электропоезда. Дата обращения: 26 июня 2009. Архивировано из оригинала 29 августа 2009 года.
    42. Приписка электропоездов. Серия ЭР2Р. Российские электропоезда. Дата обращения: 26 июня 2009. Архивировано из оригинала 29 августа 2009 года.
    43. Приписка электропоездов. Серия ЭР2Т. Российские электропоезда. Дата обращения: 26 июня 2009. Архивировано из оригинала 28 августа 2009 года.
    44. Приписка электропоездов. Серия ЭТ2. Российские электропоезда. Дата обращения: 26 июня 2009. Архивировано из оригинала 29 августа 2009 года.
    45. Приписка электропоездов. Серия ЭД2Т. Российские электропоезда. Дата обращения: 26 июня 2009. Архивировано из оригинала 29 августа 2009 года.
    46. Приписка электропоездов. Серия ЭД4. Российские электропоезда. Дата обращения: 26 июня 2009. Архивировано из оригинала 28 августа 2009 года.
    47. Приписка электропоездов. Серия ЭД9. Российские электропоезда. Дата обращения: 26 июня 2009. Архивировано из оригинала 29 августа 2009 года.
    48. 1 2 Список подвижного состава ЭР2. TrainPix. Дата обращения: 1 февраля 2022. Архивировано 19 февраля 2017 года.
    49. Приписка электропоездов. Электропоезд ЭР2-1169. Российские электропоезда. Дата обращения: 17 июля 2009. Архивировано из оригинала 28 августа 2009 года.
    50. Приписка электропоездов. Электропоезд ЭР2-485. Российские электропоезда. Дата обращения: 17 июля 2009. Архивировано из оригинала 28 августа 2009 года.
    51. Приписка электропоездов. Электропоезд ЭР2-1164. Российские электропоезда. Дата обращения: 17 июля 2009. Архивировано из оригинала 28 августа 2009 года.
    52. Крупные железнодорожные катастрофы. 1989-2007 гг. РИА Новости. Дата обращения: 12 августа 2009. Архивировано из оригинала 1 марта 2009 года.
    53. Крушение электропоезда на перегоне Тальменка-Литвиново в 1996 г. Российские электропоезда. Дата обращения: 12 августа 2009. Архивировано из оригинала 28 января 2013 года.
    54. Дело об аварии на Балтийском вокзале дошло до суда. Фонтанка.ру (19 января 2004). Дата обращения: 2 марта 2009. Архивировано из оригинала 28 августа 2009 года.
    55. ЭР2-368. railgallery.ru. Дата обращения: 24 февраля 2024.
    56. В Сестрорецке подожгли вагон пригородной электрички. ИМА пресс. Дата обращения: 2 июля 2009. Архивировано из оригинала 8 сентября 2009 года.
    57. Приписка электропоездов. Электропоезд ЭР2К-980. Российские электропоезда. Дата обращения: 12 января 2021. Архивировано 15 января 2021 года.
    58. Электропоезд ЭР2-336. Российские электропоезда. Архивировано 26 августа 2017 года.
    59. ЭР2-371. RailGallery. Архивировано 5 июля 2022 года.
    60. Электропоезд ЭР2-397. Фотоэнциклопедия железнодорожного транспорта. Дата обращения: 4 августа 2009. Архивировано из оригинала 29 августа 2009 года.
    61. ЭР2-397. Российские электропоезда. Архивировано 4 марта 2016 года.
    62. ЭР2А6-596. RusEtrain. Архивировано 20 декабря 2016 года.
    63. ЭР2-673. Российские электропоезда. Дата обращения: 4 августа 2009. Архивировано из оригинала 28 августа 2009 года.
    64. Приписка электропоездов. ЭР2-963. Российские электропоезда. Дата обращения: 4 августа 2009. Архивировано из оригинала 28 августа 2009 года.
    65. ЭР2-1028. Российские электропоезда. Архивировано 4 марта 2016 года.
    66. Приписка электропоездов. ЭР2-1045. Российские электропоезда. Дата обращения: 4 августа 2009. Архивировано из оригинала 28 августа 2009 года.
    67. ЭР2-1099. Российские электропоезда. Архивировано 9 апреля 2019 года.
    68. ЭР2-1345. Российские электропоезда. Дата обращения: 23 марта 2017. Архивировано 23 марта 2017 года.
    69. Сергей Боровинских. Туристический ретро-поезд появится на Савёловской магистрали (недоступная ссылка история). Савёловский посад (6 ноября 2020). Дата обращения: 1 января 2021.
    70. ЭР2К-1149. RailGallery. Дата обращения: 8 мая 2024. Архивировано 8 мая 2024 года.
    71. Н. И. Краснобаев, М. Т. Глушков и др. Электропоезд ЭР2и с импульсным регулированием: Результаты опытной эксплуатации // Электрическая и тепловозная тяга. — № 1. — 1975. — С. 32—36.
    72. Приписка электропоездов. Электропоезд ЭР2-559. Российские электропоезда. Дата обращения: 7 апреля 2009. Архивировано из оригинала 29 августа 2009 года.
    73. В. А. Раков. Опытный электропоезд ЭР2А6 // Локомотивы отечественных железных дорог 1956—1975. — 1999. — С. 228—230.
    74. 1 2 В. А. Раков. Опытный электровоз ВЛ8В-001 // Локомотивы отечественных железных дорог 1956—1975. — 1999. — С. 42.
    75. 1 2 3 В. А. Раков. Опытные электропоезда серии ЭР2В // Локомотивы отечественных железных дорог 1956—1975. — 1999. — С. 246—247.
    76. В. А. Раков. Опытные электропоезда ЭР12 // Локомотивы и моторвагонный подвижной состав железных дорог Советского Союза 1976—1985. — 1990. — С. 105—106.
    77. Электропоезда — Серия ЭР. Локомотивное депо «Железнодорожная». Дата обращения: 22 апреля 2009. (недоступная ссылка)
    78. В. А. Раков. Электропоезда ЭР2Р // Локомотивы и моторвагонный подвижной состав железных дорог Советского Союза 1976—1985. — 1990. — С. 106—110.
    79. Электропоезд постоянного тока с рекуперативно-реостатным торможением ЭР2Р. Электросекции и электропоезда. Nexter. Дата обращения: 22 апреля 2009. Архивировано из оригинала 25 января 2002 года.
    80. КРП. sokr.ru. Дата обращения: 7 августа 2019. Архивировано 7 августа 2019 года.
    81. Список подвижного состава ES (ეს). TrainPix. Дата обращения: 9 мая 2018. Архивировано 9 мая 2018 года.
    82. ЭС-001. TrainPix. Дата обращения: 9 мая 2018. Архивировано 9 мая 2018 года.
    83. Братья, но не близнецы: электропоезда ЭС2-004 и ЭС2-005. Паровоз ИС. Дата обращения: 2 июля 2009. Архивировано из оригинала 28 августа 2009 года.
    84. Добро пожаловать, или Посторонним вход воспрещен. YouTube. Киноконцерн «Мосфильм» (1964). Дата обращения: 20 апреля 2018. Архивировано 26 июля 2020 года.
    85. Сериал «Спецназ по-русски 2». Фильм 2: «Парикмахер». Вторая серия. YouTube (1 мая 2015). Дата обращения: 31 октября 2016.
    86. Видео. Сюжеты всех выпусков. Официальный сайт. Киностудия «Ералаш». Дата обращения: 8 сентября 2019. Архивировано 31 октября 2020 года.
    87. Краш-тест электрички. YouTube (21 декабря 2008). — Полное видео испытания. Дата обращения: 20 июля 2009. Архивировано 4 ноября 2014 года.
    88. Подвижной состав защищает новая тупиковая призма // «Локомотив». — Москва: Транспортная печать, 2006 (№ 1). — С. 37.
    89. Дополнения для MSTS: Электропоезда ЭР2. Trainsim.ru. Дата обращения: 20 июля 2009. Архивировано из оригинала 29 августа 2009 года.
    90. Дополнения для MSTS: ЭР2. Train-driver.ru. Дата обращения: 20 июля 2009. Архивировано из оригинала 31 июля 2009 года.

    Литература

    Ссылки