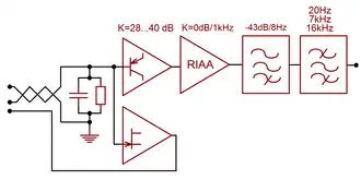
Фонокорректор

Фонокорректор на дискретных транзисторах. Россия, начало 2000-х годов, кустарное производство

Предусили́тель-корре́ктор, или усилитель-корректор (УК)[1], или фо́нокорре́ктор — специализированный электронный усилитель тракта воспроизведения граммофонной записи, восстанавливающий исходный спектр записанного на пластинке звукового сигнала и усиливающий выходное напряжение головки звукоснимателя до типичного уровня линейного выхода — от 0,775 В (0 dBu) в бытовой аналоговой аппаратуре до 2 В (8 dBu) в цифровой и радиотрансляционной аппаратуре[2]). Исторически звукозаписывающая промышленность использовала множество различных схем предыскажений спектра при записи, а для воспроизведения использовались различные типы головок звукоснимателей. На практике абсолютное большинство корректоров предназначены для воспроизведения долгоиграющих пластинок, записанных с предыскажениями по стандарту RIAA, магнитными головками.

Напряжение на выходах относительно высокочувствительных головок с подвижными магнитами (англ. moving magnet, ММ) измеряется единицами милливольт, а напряжение наименее чувствительных головок с подвижными катушками (англ. moving coil, МС) — сотнями, а иногда десятками микровольт. В отличие от цифровой аудиотехники, напряжение полезного сигнала на выходе головки звукоснимателя может превосходить номинальный уровень в несколько раз, а напряжение высокочастотной помехи («щелчка») — на порядок. Эти свойства сигнала и высокие требования к качеству воспроизведения сделали проектирование совершенных корректоров, наряду с проектированием микрофонных усилителей, сложнейшей задачей схемотехники усилителей звуковых частот[3]. При этом корректоры, в отличие от микрофонных усилителей, не только усиливают слабые электрические сигналы, но и преобразуют их спектральный состав (производится частотная коррекция)[4]. В пределах звукового диапазона разница между максимальным и минимальным коэффициентами усиления достигает 38,9 дБ (1:88 по напряжению), при этом отклонение амплитудно-частотной характеристики от стандарта, по мнению конструкторов XXI века, не должно превышать ±0,1 дБ (±1,16 % по напряжению).

Исторический очерк

В 1948 году Columbia Records выпустила первые долгоиграющие, тогда ещё монофонические пластинки, записанные по фирменной схеме частотных предыскажений. В последующие годы американские компании-конкуренты вывели на рынок не менее девяти альтернативных вариантов частотной коррекции; война форматов завершилась с принятием в 1953—1954 годы отраслевого стандарта, ставшего известным как кривая RIAA. С 1956 года по этому стандарту производились практически все новые записи, издававшиеся в странах Запада.

В первые послевоенные десятилетия для воспроизведения долгоиграющих пластинок применялись дешёвые и потому более распространённые пьезоэлектрические головки звукоснимателей[5], либо относительно дорогие магнитные головки. Пьезоэлектрические головки имели примерно в сто раз бо́льшую, чем магнитные головки, чувствительность, и потому не требовали сложных малошумящих предусилителей[5]. Однако пьезоэлектрический звукосниматель должен был иметь жёсткий подвес, а для его надёжного удержания в звуковой канавке требовалась значительная прижимная сила[6]. При использовании качественных игл с малым радиусом острия такой звукосниматель быстро разрушал пластинку, а относительно щадящие иглы с большим радиусом острия не могли отслеживать высокочастотные смещения канавки[6]. Другим неустранимым недостатком пьезоэлектрических головок была неравномерность амплитудно-частотной характеристики (АЧХ)[7]. По этим причинам в высококачественной аппаратуре всегда преобладали магнитные головки[8]; к началу 1980-х годов применение пьезоэлектрических головок практически прекратилось[7].

Непременными «спутниками» магнитных головок всех типов были предусилители-корректоры, усиливавшие напряжение на выходе головки и восстанавливавшие исходный спектр записанного сигнала. Компания-разработчик стандарта RIAA, RCA, рекомендовала к использованию двухкаскадные ламповые корректоры с пассивной фильтрацией[9]. Два триода с высоким коэффициентом усиления обеспечивали достаточную чувствительность (усиление 45 дБ на частоте 1 кГц), но лишь при подключении корректора к высокоомной (не менее 220 кОм) нагрузке[9]. Наибольшее же распространение в ламповой технике 1960-х годов получила схема активного инвертирующего фильтра на единственном пентоде EF86, охваченном частотнозависимой параллельной[комм. 1] обратной связью[10].

В транзисторной схемотехнике 1960-х и отчасти 1970-х годов преобладала двухкаскадная схема активного фильтра на биполярных транзисторах, работавших в режиме ОЭ, предложенная Динсдейлом в 1965 году[11][12][13]. Все корректоры этого поколения звучали посредственно, а иногда просто плохо; ни один из них не стал классическим так, как стали классикой лучшие образцы усилителей мощности послевоенных лет[14]. Недостаточный запас усиления «двойки» порождал заметный спад АЧХ на нижних частотах, недостаточная скорость нарастания выходного напряжения — спад и нелинейные искажения на верхних частотах[15][12]; на средних частотах АЧХ заметно отклонялась от стандарта из-за неточного расчёта корректирующих цепей. Конструкторы 1960-х с этими недостатками мирились, так как низкое качество шасси и тонармов тогдашних бытовых проигрывателей лишало смысла какие-либо усовершенствования корректоров[14].

В 1970-е годы положение изменилось. На массовый рынок вышли новые высококачественные проигрыватели, и слабым звеном воспроизводящего тракта стали именно корректоры на «двойках»[13]. Вначале конструкторы сосредоточились на совершенствовании традиционных «двоек»; по мере перехода бытовой электроники на двуполярное питания усилителей постепенно распространилась и более совершенная топология с входным дифференциальным каскадом[16][17]. Лучшие схемы на дискретных транзисторах 1970-х годов отклонялись от стандарта RIAA на доли децибела[18] при отношении сигнал/шум 70…74 дБ (на 10…20 дБ лучше базовой «двойки»)[16].

С выходом на рынок доступных интегральных схем проектирование корректоров с активной фильтрацией заметно упростилось[19]. Универсальные операционные усилители 1970-х годов ещё не были пригодны для качественного усиления звука; вместо них в корректорах применялись специализированные микросхемы малошумящих УНЧ с дифференциальным входом, например, TDA2310 и LM381 (аналоги — К153УД2, К548УН1)[12][20][21]. В первую половину 1970-х годов, под влиянием авторитета Джона Линсли Худа, доминировала относительно шумная схема на ОУ в инвертирующем включении (с параллельной обратной связью[комм. 1]); после выхода в 1972 году работы Уокера[22] на первый план постепенно вышла малошумящая, но менее гибкая и более сложная в расчёте и настройке схема на ОУ в неинвертирующем включении (с последовательной обратной связью[комм. 1])[23]. Отношение сигнал/шум улучшилось, а точность следования кривой RIAA ухудшилась из-за специфических для этой схемы искажения АЧХ на высоких частотах и недостаточного запаса усиления тогдашних интегральных схем[24]. Математический аппарат для точного расчёта активных корректоров этого типа был опубликован Стэнли Липшицем лишь в 1979 году[25][26]. Параллельно со схемотехникой фильтров совершенствовалась и схемотехника усилительных каскадов. В 1980-е годы конструкторы разработали множество совершенных, высококачественных схем корректоров на дискретных биполярных и полевых транзисторах, но по мере выхода на рынок малошумящих ОУ с низкими искажениями эти технически сложные решения остались невостребованными[27].

В самом конце «виниловой эпохи», в 1980-е годы, головки с подвижными магнитами захватили массовый рынок, а верхний сегмент рынка заняли магнитные головки с подвижными катушками [8]. Головки этого типа, известные с 1930-х годов[28], отличались лучшим качеством звучания, но долгое время оставались в тени из-за крайне низкой чувствительности. Схемотехника 1970-х и 1980-х годов ещё не позволяла создавать действительно высококачественные, малошумящие каскады усиления сигнала, измеряемого сотнями или десятками микровольт; основным средством усиления такого сигнала были повышающие трансформаторы[29]. Полностью транзисторные корректоры для головок МС, обходящиеся без входных трансформаторов, распространились лишь после выхода фундаментальной статьи Дугласа Селфа в декабре 1987 года[30][комм. 2].

Характеристики источника сигнала

Чувствительность

Диапазоны чувствительности и необходимые коэффициенты усиления для звукоснимателей с подвижными магнитами (ММ) и с подвижными катушками (MC)
Динамический диапазон типичной пластинки массового тиража и принципиально достижимый динамический диапазон диска-оригинала в технологии DMM. Шкала в дБА (0 дБА=0 дБ=5 см/c)

В первом приближении электродвижущая сила магнитной головки прямо пропорциональна скорости поперечного смещения иглы звукоснимателя во всём диапазоне звуковых частот. Паспортные значения чувствительности различных головок, выраженные в мВ или мкВ, обычно указываются для номинальной колебательной скорости 5 см/с[комм. 3]; для выпускаемых в XXI веке моделей чувствительность составляет от 40 мкВ до 11 мВ:

  • Высокочувствительные головки с подвижными магнитами (англ. moving magnet, MM) характеризуются чувствительностью от 3 до 11 мВ. Наибольшие значения (8…11 мВ) свойственны специализированным диджейским головкам, а типичные головки для обычного воспроизведения имеют чувствительность 4…6,5 мВ (редко — до 8 мВ)[31]. Оптимальный коэффициент усиления корректора для головок этого типа (корректора ММ) составляет 40 дБ (1:100) на частоте 1 кГц[32], но во избежание перегрузок конструкторы транзисторной аппаратуры нередко выбирают ме́ньшие величины, от 30 до 40 дБ[33]. Этого достаточно, чтобы усилить сигнал типичной головки ММ до принятого в аналоговой электронике номинального уровня 0,775 В (0 dBu)[33]. Для достижения принятого в цифровой электронике и телерадиоиндустрии уровня 2 В (8 dBu), напротив, предпочтительны бо́льшие значения коэффициента усиления[34]. Головки с подвижными сердечниками (англ. moving iron, MI) фирмы Grado характеризуются чувствительностью 5 мВ и рассматриваются как подкласс головок ММ[35];
  • Низкочувствительные головки с подвижными катушками (англ. moving coil, MC) характеризуются меньшими уровнями выходного напряжения и широчайшим разбросом чувствительности — от 40 мкВ до 2,5 мВ. Абсолютное большинство производимых в XXI веке головок МС укладывается в два диапазона чувствительности: 100…300 мкВ и 500…700 мкВ[36][37]. Оптимальные коэффициенты усиления корректора для этих диапазонов превосходят оптимальный коэффициент усиления корректора ММ на 28 дБ (1:25) и на 20 дБ (1:10) соответственно[38].

Благодаря меньшей, чем у головок ММ, массе подвижной системы головки МС отличаются меньшими нелинейными искажениями, лучшей передачей динамического диапазона записанного сигнала, и лучшим разделением стереоканалов[8][39]. По той же причине диапазон воспроизводимых ими частот простирается далеко за пределы звукового диапазона, а их высокочастотные резонансы сосредоточены на частотах порядка 60 кГц[39]. Генерируемый головкой МС сигнал содержит относительно бо́льшую долю нежелательных ультразвуковых помех и шумов, поэтому системы с головками МС более подвержены перегрузкам и интермодуляционным искажениям, и более требовательны к качеству предусилителя-корректора[39].

Предельные уровни

Стандарты ограничивают предельную колебательная скорость долгоиграющей записи уровнями 7, 10 или 14 см/c[комм. 4], но на практике эти пределы систематически нарушались, особенно при производстве 12-дюймовых синглов[35]. По данным исследования Shure абсолютный максимум музыкального сигнала, когда-либо записанного на серийной долгоиграющей пластинке, составляет 38 см/c на частоте 2 кГц; на низких и высоких частотах рекордные уровни спадают до 26 см/c на 400 Гц и 10 см/c на 20 кГц[41]. Максимальный среднеквадратический уровень напряжения, на который ориентируются конструкторы качественной аппаратуры, равен 64 мВ (40 см/c при чувствительности 8 мВ)[41].

Наибольший риск перегрузки фонокорректора порождают щелчки — быстро затухающие ультразвуковые колебания иглы звукоснимателя при столкновении со случайной пылинкой или царапиной. Мгновенная скорость иглы в щелчке достигает 63 см/c (+22 дБ к номинальному уровню 5 см/c)[42]. Длительность щелчка не превышает миллисекунды, но вызванная им перегрузка или отсечка усилительного каскада может надолго вывести его из линейного режима; возвращение каскада в линейный режим сопровождается неблагозвучными низкочастотными призвуками[42]. Именно поэтому бытовая аппаратура c низкой перегрузочной способностью подчёркивает и усугубляет дефекты старых, «запиленных», пластинок, тогда как на качественной аппаратуре те же дефекты мало заметны на слух[43][44]. Другой источник перегрузок — инфразвуковые помехи из-за коробления и эксцентриситета дисков. При стандартной частоте вращения 33⅓ оборота в минуту частота основного тона этой помехи равна 0,55 Гц, а максимум энергии помехи сосредоточен в диапазоне 2…4 Гц[45]. На этих частотах, по данным Холмана и Селфа, помеха может достигать 35 мВ (22 см/c при чувствительности 8 мВ)[45]. С дальнейшим ростом частоты колебательная скорость помехи резко спадает, но на частотах 10…15 Гц вероятен «подхват» до +24 дБ из-за резонанса тонарма[45].

Собственные шумы грампластинки

Единого мнения о динамическом диапазоне и уровне шума грампластинки не существует как из-за различий в методиках измерения и представления данных, так и из-за разброса качества самих пластинок. Источники приводят значения динамического диапазона от 50 дБ (1:316) для низкокачественных массовых тиражей до 80 дБ (1:10000) для образцовых пластинок, нарезанных непосредственно рекордерами (по мнению Дугласа Селфа, величина 80 дБ безусловно завышена)[44].

По данным Аполлоновой и Шумовой, рассматривавших классическую технологию 1960-х годов, уровень шума нарезаемых рекордером лаковых дисков составляет −63…-69 дБ относительно уровня 10 см/с[46]. Следующий технологический шаг, изготовление металлического диска-оригинала[комм. 5], ухудшает отношение сигнал/шум на 6 дБ, а штамповка серийных пластинок — ещё на 4 дБ[46]. Таким образом, уровень шума серийной пластинки составляет −53…-59 дБ относительно уровня 10 см/c (−47…-53 дБ относительно уровня 5 см/c). В позднейшей, более совершенной, технологии DMM рекордер нарезает запись в тонком слое мелкокристаллической меди, нанесённом на стальную подложку[47]. Уровень шума медного диска, измеренный на выходе эталонного тракта воспроизведения, составляет −70…−72 дБА относительно уровня 8 см/c[48], а расчётный уровень шума самой записи, без учёта «вклада» проигрывателя и корректора, составляет −72,5…−75,5 дБА (лучшие значения соответствуют скорости 45 об/мин, худшие — 33⅓ об/мин)[49]. Малотиражная штамповка пластинок по технологии DMM ухудшает отношение сигнал/шум на 2…8 дБ, до −62…−70 дБА[49] (−58…−66 дБА относительно уровня 5 см/c).

Предыскажения спектра

AЧХ записи (красная кривая) и АЧХ воспроизведения грамзаписи (синяя кривая), нормированные относительно частоты 1 кГц. Пунктир — АЧХ воспроизведения в редакции МЭК 1976 года

Все долгоиграющие пластинки, выпускавшиеся с конца 1950-х годов, были записаны и продолжают записываться с предыскажениями спектра сигнала по стандарту RIAA[50]. При воспроизведении пластинки фонокорректор восстанавливает исходный спектр сигнала, производя обратное преобразование. Стандартная функция, описывающая это преобразование, эквивалентна последовательному соединению трёх звеньев первого порядка: дифференциатора с постоянной времени 318 мкс (частота среза 500,5 Гц) и двух фильтров нижних частот с постоянными времени 75 и 3180 мкс (частоты среза 2122,1 и 50,05 Гц)[51]. На частоте 20 Гц значение функции, нормированной относительно центральной частоты 1 кГц, максимально и составляет +19,274 дБ (усиление в 9,198 раз); с ростом частоты оно монотонно спадает, и на частоте 20 кГц достигает минимума в −19,62 дБ (ослабление в 9,572 раза)[52]. Сложная форма кривой RIAA — компромисс, сложившийся из необходимости выжать предельно возможное качество звучания из несовершенной технологии механической грамзаписи[53]. За пределами звукового диапазона АЧХ корректоров не нормируется, но для уменьшения искажений в последующих звеньях усилительного тракта желательно, чтобы АЧХ спадала и на ультразвуковых, и на инфразвуковых частотах.

В 1978 году Международная электротехническая комиссия (МЭК) изменила стандартную АЧХ воспроизведения, дополнив кривую RIAA фильтром верхних частот с постоянной времени 7950 мкс. По замыслу разработчиков стандарта, новый фильтр должен был подавлять нежелательное прохождение инфразвуковых колебаний при воспроизведении короблёных пластинок; неизбежным следствием поправки МЭК был ощутимый на слух завал низких частот (-3 дБ на 20 Гц, −1 дБ на 40 Гц)[54][55]. И слушатели, и производители аппаратуры приняли новинку в штыки. В XXI веке абсолютное большинство производителей фонокорректоров поправку МЭК не применяют, исходя из предположения о том, что механический рокот качественного проигрывателя пренебрежимо мал[54]. При необходимости воспроизведения короблёных пластинок, если инфразвуковая помеха достигает неприемлемого уровня, применяются отключаемые фильтры второго и выше порядков[54].

Внутреннее сопротивление

Активное сопротивление обмотки магнитной головки и её чувствительность связаны примерно линейной зависимостью: чем больше витков в обмотке, тем больше генерируемая ей ЭДС[38].

Активное сопротивление головки МС составляет от 1 Ом до 160 Ом, а индуктивная составляющая её полного сопротивления пренебрежимо мала и не требует особого внимания[38]. Оптимальная величина входного сопротивления корректора для большинства головок, кроме самых высокоомных, составляет 100 Ом; для высокоомных головок предпочтительнее входное сопротивление 500 Ом[56]. Сопротивление головки МС не только определяет её собственный тепловой шум, но и является важной переменной, определяющей шум входного каскада корректора и, как следствие, его оптимальную схемотехнику.

Активное сопротивление головок ММ составляет 430…1500 Ом при индуктивности 330…720 мГн для обычных моделей и 800…1000 мГн для диджейских[57]. На высоких частотах полное сопротивление имеет индуктивный характер и растёт пропорционально частоте; кроме того, его активная составляющая может заметно возрастать из-за потерь в магнитопроводе[58]. Стандартное входное сопротивление корректора ММ по DIN 45547 равно 47 кОм, и должно быть зашунтировано ёмкостью в 50…200 пФ[59]. Эта ёмкость корректора, совместно с ёмкостью соединительного провода, и индуктивностью головки образуют низкодобротный контур с частотой резонанса 10…20 кГц[57]. Точное следование кривой RIAA предполагает, в том числе, подбор оптимальной входной ёмкости под используемую головку[60]; в высококачественных серийных корректорах для этой цели предусматриваются наборы переключаемых пользователем входных конденсаторов[59]. С увеличением входной ёмкости частота резонанса уменьшается, а выброс АЧХ на ней растёт[57], но верхняя граница полосы пропускания контура по уровню −3 дБ изменяется слабо[61]. Альтернативное решение — отказ от использования входной ёмкости — позволяет улучшить отношение сигнал/шум на 1…2 дБ, но требует дополнительной коррекции частотных искажений, возникающих во входной цепи[62]. Точная настройка фильтров под конкретную используемую головку возможна только в лабораторных условиях, поэтому в серийных корректорах этот приём не применяется[62]. По той же причине не нашли применения корректоры, в которых высокочастотный участок кривой RIAA реализуется непосредственно во входном контуре[63].

Собственные шумы звукоснимателя

Любое сопротивление, включенное последовательно с источником сигнала, в том числе сопротивление самого источника, привносит в сигнал собственный тепловой шум. В фиксированной полосе звуковых частот (20 Гц…20 кГц) напряжение теплового шума пропорционально корню квадратному из величины сопротивления. Среднеквадратическое напряжение теплового шума на сопротивлении 1 кОм в полосе 20…20000 Гц при температуре 300 К составляет 575 нВ; на сопротивлении 100 кОм оно возрастает в 10 раз, до 5,75 мкВ и так далее[64].

Тепловой шум обмоток магнитной головки — фундаментальный, неустранимый шум, определяющий предельно достижимый динамический диапазон воспроизводящего тракта. Соотношение сопротивлений обмоток и напряжений полезного сигнала на них таково, что тепловой шум головки может быть основным источником шума всего воспроизводящего тракта (поэтому принудительное охлаждение корректора снижает его собственные шумы, но практически не влияет на отношение сигнал/шум системы в целом[62]). В системах с низкоомными (1…3 Ом) головками МС ощутимый шумовой вклад вносят и соединительные провода, особенно сверхтонкие гибкие проводники, соединяющие звукосниматель с выходным разъёмом проигрывателя[65][66]. Расчётное отношение полезного сигнала к тепловому шуму обмоток головок МС, производимых в XXI веке, составляет от 64 до 91 дБ[65][комм. 6] (наихудшие цифры соответствуют аномальному сочетанию низкой чувствительности и относительно высокого сопротивления). Отношение сигнал/шум головок ММ укладывается в тот же диапазон, но его корректный расчёт затруднён из-за преимущественно индуктивного характера внутреннего сопротивления[65].

Характеристики, функции, блок-схемы корректоров

Технические требования

Высококачественный фонокорректор должен отвечать набору трудно совместимых требований[68]:

Некоторые из этих требований принципиально важны лишь в частных случаях: постоянство входного сопротивления необходимо в системах с головками ММ и не столь важно для головок МС; микрофонный эффект и заметный временно́й дрейф параметров характерны для ламповых усилителей (все лампы стареют и рано или поздно требуют замены), но не для транзисторных[14]. Требования к уровням шума, наводок, нелинейных искажений и к точности следования кривой RIAA абсолютно обязательны для всех корректоров. Пороговые, минимально приемлемые значения этих показателей формально не установлены. Значения, приведённые в стандартах для бытовой аппаратуры 1970-х и 1980-х годов, устарели и в аппаратуре XXI века неприемлемы. Например, действовавший с 1964 года стандарт МЭК (IEC 60098) допускал предельное отклонение АЧХ грамзаписи от кривой RIAA до ±2 дБ[69]. Конструкторы XXI века, как правило, ограничивают предельное отклонение на уровне ±0,1 дБ[70], а при расчётах фильтров оперируют сотыми долями дБ[71].

Особенности корректоров для головок МС

Три подхода к усилению сигнала головок с подвижными обмотками

Сочетание трудно совместимых требований сделало проектирование высококачественных фонокорректоров, наряду с проектированием микрофонных усилителей, сложнейшей задачей схемотехники усилителей звуковых частот[3]. Создание качественного универсального усилителя, совместимого с магнитными головками всех типов, технически невозможно. Слишком велик разброс чувствительности и сопротивления головок, и, напротив, слишком узки диапазоны оптимальных сопротивлений головок для конкретных схемных решений. Как следствие, практическая схемотехника фонокорректоров разделяется на две части: на нижнем уровне — относительно простые схемы корректоров ММ, на верхнем — более сложные, более требовательные к расчёту режимов и выбору компонентов схемы корректоров МС. Корректор МС может быть выполнен в виде полностью обособленного, несовместимого с головками ММ, канала усиления, но на практике более распространены конструкции на базе корректоров ММ[72]. Дополнительное усиление сигнала в них реализуется двумя способами:

  • между выходом головки МС и входом корректора ММ включается малошумящий усилитель напряжения на биполярных транзисторах с линейной АЧХ и коэффициентом усиления 20…28 дБ;
  • между выходом головки МС и входом корректора ММ включается повышающий специализированный широкополосный трансформатор[72].

Высококачественные трансформаторы для головок МС — компактные[комм. 7], несложные в расчёте и недорогие в производстве изделия[73]. С точки зрения полосы пропускания, линейности АЧХ и нелинейных искажений такие трансформаторы не уступают транзисторным усилительным каскадам[74]. С точки зрения шумов трансформаторы выигрывают в связке с самыми низкоомными головками, но для относительно высокоомных головок МС предпочтительнее транзисторные усилители[75]. Универсальных трансформаторов, совместимых со всеми головками МС, не существует: реальные трансформаторы всегда оптимизированы под один из трёх поддиапазонов сопротивления головки (1,5…10, 10…50 и 50…200 Ом)[76]. Вопреки утверждениям недобросовестной рекламы, трансформаторы не являются бесшумными: их обмотки, как и любые сопротивления, генерируют тепловой шум, который может заметно ухудшить уровень шумов всего воспроизводящего тракта[77]. Преимущество трансформаторов перед транзисторами — не в вымышленном «отсутствии шума», а в относительно низком, по сравнению с тепловым шумом, уровне низкочастотных фликкер-шумов (шумов 1/f) и в простоте реализации помехозащищённого балансного подключения головки к корректору[78][79].

Вспомогательные функции и устройства

Блок-схема эталонного студийного корректора ММ Neumann PUE74[80]

Типичные усилители-корректоры XXI века — «чёрные ящики», реализующие лишь функции усиления сигнала и частотной коррекции по стандарту RIAA. Переключение между конфигурациями ММ и МС, подстройка входной ёмкости и ступенчатая регулировка усиления, если они предусмотрены конструкцией, обычно выполняются перемычками-джамперами на плате. Лишь немногие производители делают эти регулировки оперативными, выведенными на заднюю (Lehmannaudio) или переднюю (Burmester) панели корректора. Плавная регулировка усиления не встречается: эта функция возлагается на регулятор громкости предусилителя, к которому подключает корректор[81].

В доцифровую эпоху корректоры бытовой аппаратуры нередко комплектовались отключаемыми «фильтрами рокота» — фильтрами верхних частот второго порядка с частотой среза 30…40 Гц[82]. Такие фильтры не только подавляют нежелательные инфразвуковые помехи, но и вносят заметные на слух амплитудные и фазовые искажения; в аппаратуре XXI века они не используются[82]. Лучшее, с точки зрения сохранности исходного спектра сигнала, решение — фильтр Баттерворта третьего порядка по схеме Саллена — Ки c частотой среза 20 Гц[83]. При лучшем подавлении инфразвука (36 дБ на частоте 5 Гц) он вносит в слышимый сигнал минимальный «вклад», неощутимый для большинства слушателей[83].

Профессиональные студийные корректоры функционально сложнее большинства бытовых устройств. Например, в эталонном корректоре ММ Neumann PUE74, обычно работавшем в связке с тонармом SME 3012 и головкой Shure V15V, базовую схему активного фильтра на ОУ дополняют четыре структурных блока[84]. На входе фильтра включен малошумящий каскад на биполярных транзисторах, обеспечивающий бо́льшую часть усиления сигнала (28…40 дБ) а параллельно с ним — повторитель на полевом транзисторе[комм. 8], управляющий напряжением на оплётке экрана входного кабеля. Активное экранирование заметно снижает прохождение синфазной помехи на вход корректора[85]. К выходу активного фильтра RIAA, построенного по типовой схеме на ОУ, последовательно подключены высокодобротный заграждающий фильтр, подавляющий инфразвуковые помехи, и параметрический эквалайзер c одной низкочастотной и двумя высокочастотными полосами регулирования[86]. Его задача — точная настройка сквозной АЧХ грамзаписи, определяющая качество нарезки диска-оригинала[86].

Элементная база

Активные усилительные элементы корректоров ММ

Для достижения приемлемого в высококачественной аппаратуре отношения сигнал/шум входной каскад корректора ММ может быть выполнен на малошумящем биполярном транзисторе, на полевом транзисторе с управляющим p-n-переходом, или на малошумящем операционном усилителе (ОУ). По данным независимых измерений 1984—2001 годов, отношение сигнал/шум высококачественных серийных корректоров ММ на ОУ, биполярных и полевых транзисторах укладывается в диапазон 75…80 дБА, а рассчитанное по сопоставимой методике отношение сигнал/шум эталонных студийных корректоров Neumann составляет 79 дБА[87][комм. 9]. Использование во входных каскадах МДП-транзисторов[88][комм. 10], ОУ с нейтрализацией входных токов[90][комм. 11], ОУ с токовой обратной связью[91] нежелательно из-за высоких шумов.

Из вакуумных ламп лучшее отношение сигнал/шум обеспечивают малошумящие триоды косвенного накала с высокой крутизной анодно-сеточной характеристики[92]. Чем выше крутизна, тем меньше теоретически достижимое напряжение шума, приведённое ко входу каскада[комм. 12] (в реальных лампах этот показатель может в два и более раз превосходить расчётный из-за избыточных шумов, обусловленных материалом катода и качеством производственного процесса[95]). Оптимальная величина крутизны составляет примерно 20 мА/В; дальнейшее её повышение (например, параллельным включением нескольких триодов) нецелесообразно из-за пропорционального роста анодного тока и входной ёмкости каскада[97]. Маломощные триоды с высоким коэффициентом усиления напряжения (6SL7, ECC83, 12AX7 и их аналоги) плохо подходят для первых каскадов корректоров как из-за низкой крутизны, так и из-за высокой (100…200 пФ) входной ёмкости, которая может превышать оптимальную ёмкость нагрузки для используемой головки[98]. Лампы прямого накала непригодны из-за низкой крутизны и сильного микрофонного эффекта, а пентоды в штатном, пентодном включении — из-за бо́льшего, чем у триодов с той же крутизной, уровня шума[99]. Напротив, пентоды в триодном включении не уступают в уровне шума триодам. Особенно низким уровнем фликкер-шума отличаются пентоды, разработанные в самом конце ламповой эпохи, например, 6Ж52П, однако все лампы этих серий страдают от микрофонного эффекта, высокой входной ёмкости и высокого разброса параметров[100]. Во втором и последующих каскадах шумы лампы или транзистора не столь важны: на первое место выходит требование низких нелинейных искажений при достаточной перегрузочной способности[101].

C точки зрения простоты схемы, стабильности её параметров и их воспроизводимости в серийном производстве лучшим выбором для построения корректора ММ является малошумящий операционный усилитель с обратной связью по напряжению. В прошлом широко применялись специализированные микросхемы малошумящих УНЧ (например, LM381 и её аналог К548УН1), но по мере падения сбыта звуковой аппаратуры они были сняты с производства и конструкторы вернулись к использованию универсальных ОУ[20]. Наиболее удобны в использовании специализированные звуковые ОУ с биполярными входными каскадами и входными токами смещения не более 100 нА[102]. ОУ, используемые в активных фильтрах, должны быть устойчивы при единичном усилении; в схемах на пассивных фильтрах можно использовать и нескомпенсированные ОУ, неустойчивые при единичном усилении[102]. В течение почти тридцати лет[103] оптимальным, по совокупности характеристик, выбором был сдвоенный биполярный ОУ NE5532 и его одиночный аналог[комм. 13] NE5534[105]. Отношение сигнал/шум корректоров, использовавших NE5532, достигало 79 дБА (NAD PP1, 1998 год)[106]. Коэффициент нелинейных искажений (КНИ) этого ОУ, в зависимости от схемы включения и уровня сигнала, составляет от 0,0005 % до 0,0085 %[107]; для сравнения, КНИ типичного корректора на К548УН1 составляет до 0,1 %[108]. В 2007 году на смену NE5532 пришёл новый абсолютный лидер — LM4562, превосходящий предшественника по всем показателям, кроме спектральной плотности входного тока шума[109]. Для уменьшения уровня шума ко входу ОУ подключают малошумящий дифференциальный каскад на дискретных транзисторах. Для уменьшения нелинейных искажений выходной каскад ОУ переводят в чистый режим А, подключив к выходу ОУ высоколинейный эмиттерный повторитель.

С точки зрения перегрузочной способности наилучший запас по перегрузке обеспечивают вакуумные лампы. Размах линейно усиливаемого напряжения на выходе лампового каскада составляет десятки В и на практике ограничен лишь предельной величиной тока, отдаваемого в нагрузку. Усилители на дискретных транзисторах также могут иметь высокую, на уровне ламповых усилителей, перегрузочную способность. Например, в корректоре предусилителя Technics SU9600 (1974) допустимый уровень входного напряжения на частоте 1 кГц составлял 900 мВ. Для этого конструкторы увеличили размах напряжений питания до вполне «ламповых» 160 В, при соответственно высокой потребляемой мощности[110]. Оборотная сторона высокой перегрузочной способности ламповых и «высоковольтных» транзисторных схем — сложность и высокая стоимость блока питания. Намного проще и дешевле обеспечить качественное питание маломощных, низковольтных схем на дискретных транзисторах или ОУ.

Активные усилительные элементы корректоров МС

Зависимость коэффициента шума (КШ) типичного малошумящего биполярного транзистора (Toshiba 2SC2240) от тока коллектора и сопротивления источника сигналa[111]. В зелёной зоне КШ минимален, а работа в красной зоне нежелательна. При сопротивлении источника менее 30 Ом каскад всегда попадает в красную зону, независимо от выбранного тока.

Для входных каскадов корректоров МС шумы малошумящих ОУ, полевых транзисторов и вакуумных триодов неприемлемо высоки[112]. Бестрансформаторные входные каскады корректоров МС практически безальтернативно строятся на малошумящих биполярных транзисторах[75]. Абсолютный рекорд отношения сигнал/шум в 81 дБА делят корректоры МС производства Linn и Burmester, а для большинства серийных изделий отношение сигнал/шум, задаваемое шумами первого каскада, составляет 65…75 дБА[106].

Лучшие малошумящие транзисторы, доступные конструкторам XXI века, характеризуются низким, порядка 10 Ом[комм. 14], сопротивлением базы, и коэффициентом усиления тока не ниже 500[114]. Частота, ниже которой в шумах транзистора преобладает фликкер-шум, должна быть как можно низкой (не более 500 Гц)[115]. На практике выбор ограничен небольшим набором специализированных приборов[116]; до начала их выпуска в серийных корректорах применялось параллельное включение нескольких «обычных» малошумящих транзисторов малой мощности, в любительских конструкциях — транзисторы средней мощности[117].

Оптимальный с точки зрения отношения сигнал/шум ток коллектора входного транзистора обратно пропорционален сопротивлению источника сигнала[118]. Для низкоомных головок МС подбор оптимального тока невозможен (сопротивление этих головок слишком мало по сравнению с сопротивлением базы транзистора), поэтому головки с сопротивлением ниже 20 Ом желательно подключать к корректору через повышающий трансформатор[75]. Для высокоомных головок МС оптимальная величина тока коллектора составляет 100 мкА и более; такие головки подключают непосредственно ко входу транзисторного каскада[75]. Для головок ММ выбор режима усложнён тем, что выходное сопротивление головки с частотой изменяется в широких пределах, от примерно 700 Ом до 20 кОм[119]. В 1980-е годы подобрать оптимальный ток для этого диапазона сопротивлений было невозможно (расчётный ток оказывался неприемлемо низким), поэтому конструкторы вынужденно выбирали бо́льшие, неоптимальные значения[120]. При использовании более совершенных транзисторов позднейшей разработки оптимальные токи составляют порядка 100 мкА[121].

Пассивные компоненты

Выбор конденсаторов, резисторов и проводов для аппаратуры hi-end — спорная, неоднозначная тема, перегруженная рекламными обещаниями и субъективными оценками[122]. С точки зрения объективных, инструментально воспроизводимых данных выбор компонентов следует ряду простых принципов.

Для уменьшения тепловых шумов сопротивлений, через которые протекает переменный ток звукового сигнала, их величины следует выбирать настолько низкими, насколько это позволяют выбранные активные приборы[123][124][комм. 15]. Для уменьшения избыточных шумов сопротивлений, через которые протекает постоянный ток, нелинейных искажений и зависимости от температуры предпочтительны проволочные[125], бороуглеродистые[126] и металлоплёночные резисторы[125][126] (в том числе, с оговорками[комм. 16], тонкоплёночные резисторы поверхностного монтажа[128]). Чем больше номинальная мощность, тем при прочих равных условиях меньше избыточные шумы[129]. Углеродистые, композиционные, металлооксидные резисторы (в том числе толстоплёночные резисторы поверхностного монтажа) в высококачественной аппаратуре неприемлемы[130].

Во времязадающих цепях корректоров используются высококачественные полистироловые, полипропиленовые, фторопластовыетефлоновые»), а для малых номиналов — слюдяные конденсаторы; с точки зрения начальной точности и стабильности ёмкости предпочтительны полистироловые конденсаторы[131][132]. Качественные керамические конденсаторы малых номиналов с низким ТКЕ пригодны для цепей высокочастотной коррекции ОУ, а полиэфирные (полиэтилентерефталатовые) конденсаторы нежелательны из-за относительно высоких нелинейных искажений[133][132]. Электролитические конденсаторы неприемлемы во времязадающих цепях, нежелательны на входе первого каскада корректора, но могут быть использованы в качестве межкаскадных при условии, что частота среза межкаскадного RC-фильтра намного меньше 20 Гц[134][135]. Собственные шумы электролитического конденсатора минимальны, когда приложенное к обкладкам постоянное напряжение составляет 20…50 % от номинального[134].

Наилучший материал проводников — обыкновенная электротехническая медь[136]. Использование серебра объективно ощутимых преимуществ не даёт[137]. Покрытие разъёмов золотом улучшает их стойкость к коррозии, однако само по себе долговечно только тогда, когда слой золота отделён от медной основы слоем никеля[138]. Большинство производителей наносит золото непосредственно на медь, что быстро приводит к почернению «позолоты»[139].

Схемотехника фильтров RIAA

Частотная коррекция по стандарту RIAA может быть реализована как активными, так и пассивными фильтрами, и комбинациями фильтров двух типов. Выбор между активными и пассивными фильтрами определяется, в первую очередь, выбранным типом усилительных приборов.

Пассивные фильтры требуют бо́льших, нежели активные фильтры, коэффициентов усиления сигнала на входе частотно-зависимой цепи; они оперирует бо́льшими напряжениями сигналов и потому предъявляют бо́льшие требования к перегрузочной способности усилительных каскадов. Например, для того, чтобы обеспечить типичное для корректоров ММ усиление в 40 дБ на 1 кГц, совокупный коэффициент усиления каскадов, обслуживающих пассивный фильтр, должен составлять как минимум 60 дБ во всём диапазоне звуковых частот[140]. Кроме того, точное воспроизведение пассивным фильтром кривой RIAA предполагает, что входное сопротивление нагрузки фильтра достаточно велико и постоянно во всём диапазоне звуковых частот (при этом достижимое отклонение от эталона может быть заметно меньше, чем в активном фильтре, использующем равноценные пассивные компоненты[141]). Наилучшим образом этим условиям удовлетворяют вакуумные триоды[140].

Активные фильтры оперируют ме́ньшими, нежели пассивные фильтры, напряжениями сигнала: максимальное напряжение сигнала в любой точке активного фильтра равно его выходному напряжению. Поэтому активные фильтры менее подвержены перегрузкам, и могут быть реализованы на любой элементной базе. Однако точное воспроизведение кривой RIAA предполагает высокий коэффициент усиления при разомкнутой петле обратной связи; на практике этому требованию отвечает единственный вариант — интегральный или дискретный операционный усилитель, охваченный частотнозависимой последовательной отрицательной обратной связью.

Активные фильтры с параллельной обратной связью проще в расчёте и более устойчивы к перегрузке «щелчками», но в высококачественной аппаратуре не применяются из-за высокого уровня шумов[142]. При подключении головки ММ непосредственно ко входу такого фильтра уровень шума на его выходе выше, чем уровень шума на выходе фильтра с последовательной ООС, на 13…15 дБ, на нижних октавах звукового диапазона разница превышает 30 дБ[22][142]. На слух шум фильтра с параллельной ОС воспринимается как низкочастотный гул, шум фильтра с последовательной ОС — как тихое высокочастотной шипение[143]. Единственный способ уменьшить шум фильтра с параллельной ООС — включение между его входом и зажимами головки дополнительного каскада усиления с низким выходным сопротивлением[144].

Активный фильтр с последовательной ООС

Корректор ММ на ОУ с активной фильтрацией

Принципиальная схема. Выходной фильтр R3C3 необходим лишь при малых коэффициентах усиления (30 дБ на 1 кГц и менее)
Возможные конфигурации частотнозависимой цепи Z. Во всех вариантах С1 определяет низкочастотный участок АЧХ, С2 — высокочастотный (С1>C2)

Типичный недорогой, но при этом достаточно качественный корректор ММ строится на единственном малошумящем ОУ с биполярными входами (А1), охваченном частотнозависимой цепью обратной связи.

Верхнее плечо цепи ООС Z, определяющее АЧХ корректора в области звуковых частот, может быть построено различными способами. На практике применяются четыре конфигурации (цепи A, B, C и D по Липшицу), из которых наиболее распространилась цепь А[145]. Все варианты электрически эквивалентны, однако только схемы А и D могут быть построены на одиночных конденсаторах ряда E24, при этом цепь А проще в расчёте[146]. Наиболее сложна в расчёте и подборе компонентов цепь B, но в серийных усилителях 1970-х годов широко применялась и она[147]. Цепь А удобнее прочих при точной настройке АЧХ, но на практике это не имеет значения. Точное следование стандарту обеспечивается не настройкой, а исключительно точностью расчёта и подбора емкостей и сопротивлений[148]. Для того, чтобы АЧХ цепи А отклонялась от расчётной не более чем на 0,1 дБ, фактические величины сопротивлений должны отличаться от расчётных не более чем на 2 %, величины емкостей — не более чем на 0,8…1,2 %[149]. Такая точность теоретически достижима при использовании прецизионных одиночных компонентов ряда E96, а практически — только при наборе R1 и R2 из нескольких параллельно включенных сопротивлений рядов E12 или Е24[150].

Сопротивление R0 задаёт максимальный коэффициент усиления активного фильтра и непосредственно в формировании АЧХ не участвует. Тепловой шум R0, приложенный непосредственно к инвертирующему входу ОУ, может заметно ухудшить отношение сигнал/шум корректора, поэтому величина R0 выбирается по возможности низкой, порядка 200 Ом[151]. На практике, как правило, последовательно с R0 включается конденсатор большой ёмкости C0, препятствующий усилению инфразвуковых частот и постоянного напряжения. Для того, чтобы вносимое им искажение АЧХ не превышало 0,1 дБ, частота среза цепи R0C0 не должна превышать 3,3 Гц[152]. Использование цепи R0C0 для формирования низкочастотной ветви кривой RIAA недопустимо из-за заметных нелинейных искажений, вносимых электролитическими конденсаторами, и значительного разброса их величин[153]. Выходной конденсатор Свых, желательно полипропиленовый, необходим из-за значительного постоянного напряжения, возникающего на выходе ОУ[154]. В схемах на ОУ с больши́ми, порядка нескольких сотен нА, входными токами может понадобиться и входной разделительный конденсатор, блокирующий протекание входного тока ОУ через обмотки головки[155]. Здесь уместно заметить, что существует эффект минимального тока через электрический соединитель для поддержания соединения в состоянии, определённом его технической документацией[156][157] (ссылки на англ. языке). Поэтому наличие постоянной составляющей в слабых сигналах, имеющих на пути механические соединения, может быть полезным (полагая, что небольшой постоянный ток не приводит к подмагничиванию обмоток, либо иным негативным эффектам); либо соединения нужно выполнить неразъёмными (пайка, сварка).

На ультразвуковых частотах идеальная кривая RIAA монотонно спадает с крутизной 20 дБ на декаду, но в базовой схеме активного фильтра коэффициент усиления никогда не опускается ниже единицы[70]. В типичном корректоре с коэффициентом усиления на частоте 1 кГц 35 дБ расчётная частота, на которой фильтр вырождается в повторитель, равна 118 кГц[70]. Ошибка, которую вносит этот нуль передаточной функции, в пределах звукового диапазона не превышает 0,1 дБ, и потому не требует какой-либо коррекции[70]. Если же коэффициент усиления фильтра на частоте 1 кГц составляет 30 дБ и ниже, то частота нуля снижается настолько, что отклонение АЧХ становится заметным на слух[70]. Для компенсации этой ошибки на выходе ОУ включается дополнительный пассивный фильтр нижних частот первого порядка (R3C3) с частотой среза, точно равной частоте высокочастотного нуля, например, 63 кГц для Ку=30 дБ[152].}

Активно-пассивный фильтр на базе активного фильтра

Наиболее распространённая конфигурация активно-пассивного фильтра RIAA

В литературе описан ряд комбинированных активно-пассивных конфигураций корректоров, различающихся распределением постоянных времени кривой RIAA между активными и пассивными звеньями. Наиболее распространённая[158][159] конфигурация повторяет рассмотренную выше схему активного фильтра с компенсацией высокочастотного нуля, с тремя существенными изменениями:

  • Активный фильтр активно-пассивного корректора формирует не всю кривую RIAA, но лишь её низкочастотную ветвь (постоянные времени 3180 и 318 мкс). Для этого достаточно исключить из цепи Z конденсатор С2, отвечающий за высокочастотную ветвь АЧХ (постоянная времени 75 мкс)[160]
  • Пассивный ФНЧ R3C3, формирующий высокочастотную ветвь кривой RIAA, настраивается на частоту среза 2122 Гц (постоянная времени 75 мкс);
  • На выходе пассивного ФНЧ включается повторитель или усилитель напряжения с высоким входным сопротивлением[161].

Недостаток этой конфигурации (как и всех пассивных схем) — в необходимости бо́льшего усиления высокочастотных и ультразвуковых составляющих входного сигнала[158]. С одной стороны, это сужает запас по перегрузке (на частоте 20 кГц — на 18 дБ, на частоте 100 кГц — на 34 дБ)[161]. С другой, это ужесточает требования к быстродействию и запасу петлевого усиления ОУ, и порождает вероятность неприемлемо высоких нелинейных и интермодуляционных искажений на высоких частотах[161]. Поэтому в практических конструкциях коэффициент усиления активного фильтра намеренно уменьшают до 20…30 дБ на 1 кГц, а недостающие 10…20 дБ усиления обеспечивает выходной каскад[162].

Двухкаскадный пассивный фильтр

Двухкаскадный пассивный фильтр с RC-цепью типа С по Липшицу (N2 по Юнгу)

Простейший корректор с чисто пассивной фильтрацией состоит из двух усилительных каскадов на триодах или ОУ, между которыми включается RC-цепь пассивного фильтра RIAA[141]. На практике преобладают фильтры, производные от цепей B и С по Липшицу[163][164] (N1 и N2 по Юнгу[141]). В этих конфигурациях масштаб ослабления сигнала, усиленного предшествующим каскадом, задаётся сопротивлением R1, «отключенным» от ядра RC-цепи, при этом хотя бы одна из емкостей всегда подключена к общему проводу[163][164]. В ламповых корректорах практически безальтернативно используется цепь типа С, заметно упрощающая расчёт фильтра с поправкой на миллеровские ёмкости ламп и паразитные ёмкости монтажа[164]. Помимо перечисленных емкостей, АЧХ реального устройства зависит ещё и от выходного сопротивления первого каскада и входного сопротивления второго каскада. В корректорах на ОУ эти сопротивления практически не влияют на точность следования стандарту. В корректорах на триодах пренебрегать ими нельзя, а их влияние компенсируют подстройкой сопротивлений и емкостей фильтра[165].

Распределение совокупного коэффициента усиления между двумя каскадами — задача, не имеющая однозначного решения. С точки зрения минимизации шумов, предпочтительно сосредоточить всё или почти всё усиление (50…60 дБ) в первом каскаде, но этот каскад будет неминуемо подвержен перегрузкам[166]. С точки зрения перегрузочной способности предпочтительно примерно равное распределение коэффициента усиления между каскадами — ценой ухудшения отношения сигнал/шум[166]. И перегрузки, и шумы таких схем проявляются в первую очередь на верхних частотах[166]. Из-за невозможности оптимизировать и уровень шума, и перегрузочную способность независимые авторы (Дуглас Селф[167], Морган Джонс[164]) не рекомендуют применять двухкаскадную схему ни в транзисторных, ни в ламповых схемах; компании-производители звуковых операционных усилителей (Analog Devices[168], Sonic Imagery[169], Texas Instruments[170]), напротив, отдают ей предпочтение.

Трёхкаскадный пассивный фильтр

Трёхкаскадный пассивный корректор

Обычное (однофазное) исполнение
Балансное (двухфазное) исполнение

В корректорах этого типа частотная фильтрация распределена между двумя пассивными RC-фильтрами, один из которых реализует одну из трёх постоянных времени, другой — две постоянных времени стандарта RIAA. Минимальный набор активных каскадов, «обслуживающих» эти цепи, состоит из двух усилителей напряжения и одного выходного повторителя напряжения. В идеале все компоненты корректора соединяются между собой непосредственно, без использования разделительных конденсаторов (такое решение технически возможно не только в транзисторной, но и в ламповой схемотехнике, где на практике и используется трёхкаскадная схема)[171]; при этом, напряжение смещения первого ОУ усиливается в десятки-сотни тысяч раз, и им уже нельзя пренебречь. Выбор интегральных ОУ, одновременно с малым напряжением смещения и с хорошими звуковыми параметрами (КНИ, перегрузочная способность, скорость нарастания выходного напряжения), будет являться дополнительной трудностью.

Так же, как и в случае активно-пассивных корректоров, существует множество способов распределить три постоянных времени между двумя RC-цепями, но лишь один из них имеет практическое значение[172]. В этой конфигурации между первым и вторым каскадом включается простейший RC-фильтр нижних частот с постоянной времени 75 мкс, а формирование низкочастотной ветви АЧХ с постоянными времени 3180 и 318 мкс возлагается на RC-цепь, включенную между вторым и третьим каскадом[172]. Такие схемы наименее подвержены перегрузкам на высоких частотах: чем «выше по течению» размещён ФНЧ, формирующий высокочастотную ветвь АЧХ, тем меньше напряжение помехи на входах второго и третьего каскадов[165]. И, напротив, чем дальше от входа размещена шумящая RC-цепь, формирующая низкочастотную ветвь АЧХ, тем меньше уровень собственных шумов корректора (шумовой «вклад» простейшего ФНЧ может быть легко снижен до пренебрежимо малых величин)[159].

Фильтры балансных корректоров

Все предшествующие конфигурации фильтров подразумевали традиционное однофазное усиление сигнала. В полностью балансных, двухфазных каналах усиления наиболее просто реализуется пассивная фильтрация по двухкаскадной или трёхкаскадной схеме. Для преобразования однофазного, асимметричного RC-фильтра в полностью симметричный достаточно разделить резистор фильтра на две половины, между которыми включается ёмкость фильтра. Выходные противофазные напряжения снимаются с обкладок этой ёмкости[173].

Комментарии

  1. 1 2 3 Цепь параллельной обратной связи по напряжению подключается ко входу усилителя параллельно с входным сигналом, и непосредственно шунтирует входной ток источника сигнала (отсюда англ. shunt feedback). Принципиальный недостаток параллельной ОС — необходимость включения в цепь входного сигнала относительно большого сопротивления, неизбежно генерирующего тепловой шум. Схемы с последовательной ОС по напряжению, в которых выход цепи ОС подключен последовательно с источником сигнала, этого недостатка не имеют.
  2. Douglas Self. Design of moving-coil preamplifiers // Electronics & Wireless World. — 1987.   12.
  3. В данном контексте не имеет значения, идёт ли речь о мгновенных или среднеквадратичных показателях. В обоих случаях напряжение прямо пропорционально колебательной скорости
  4. Первая цифра относится к стереофоническим записям по ГОСТ 7893—72, вторая — к монофоническим по тому же ГОСТу, третья — к ТУ, принятым в СССР в 1978 году[40]. Аналогичные отраслевые нормы применялись и в странах Запада (откуда и поступало использовавшееся в СССР оборудование фирм Ortofon и Georg Neumann)
  5. Авторы не уточняют, идёт ли речь о первом оригинале (негатив) или втором (позитив). По смыслу и соотношению цифр это второй оригинал (позитив)
  6. Приведены невзвешенные значения в полосе 20-20000 Гц. Применение взвешивающего фильтра типа А улучшает расчётные значения на 4,4 дБ[67]
  7. Длина и ширина сердечника типичного трансформатора МС — не более 20 мм[73]
  8. Использование в этой роли биполярного транзистора привело бы к удвоению мощности токового шума на входе корректора. Токовый шум полевого транзистора столь мал, что практически не влияет на шум звукового тракта.
  9. Величина отношения сигнал/шум зависит как от методики представления данных (невзвешенный либо взвешенный шум, выбор номинального уровня в 5, 8 или 10 см/с и т.д.), так и от сопротивления источника сигнала. Приведены цифры для стандартного эквивалента магнитной головки с импедансом 1 кОм + 500 мГн относительно номинальной колебательной скорости 5 см/с[87].
  10. Шум канала МДП-транзистора сопоставим с шумом канала транзистора с p-n-переходом, но, кроме того, МДП-транзисторы отличаются неприемлемо высоким уровнем низкочастотного фликкер-шума[89]. В XXI веке положение не изменилось[88].
  11. Малошумящие ОУ с нейтрализацией входных токов реализуют свои возможности только тогда, когда сопротивления источников сигнала обоих входов ОУ совпадают. При асимметрии входных цепей, неизбежной в корректорах, уровень шума ОУ значительно возрастает [90].
  12. Эквивалентное сопротивление внутриламповых шумов триода (Rэш) обратно пропорционально крутизне его анодно-сеточной характеристики в рабочей точке. Например, Rэш триода с крутизной 12 мА/В равно примерно 250 Ом[93]. Такой триод шумит так же, как шумел бы идеальный бесшумный прибор, во входную цепь которого включен генератор теплового шума — добавочное сопротивление в 250 Ом[93]. Приведённая ко входу плотность шума такого триода составляет 2 нВ/Гц, приведённое ко входу напряжение шума в полосе 20…20000 Гц равно 0,28 мкВ. Для сравнения, у малошумящего звукового пентода EF86 (6Ж32П) эти расчётные показатели в штатном режиме составляют 8 нВ/Гц и 1,14 мкВ[94]. Фактическое же напряжение шума EF86, по данным разработчика (Mullard), составляет до 2,8 мкВ[95]. В ламповых каскадах на сопротивлениях значительный вклад также вносит дробовой шум анодных нагрузок[96].
  13. NE5534 — аналог, но не точная копия «половинки» NE5532. NE5532 устойчив при единичном усилении; NE5534 без внешней корректирующей ёмкости устойчив лишь при усилении, равном 3 и более[104]
  14. Абсолютный рекорд среди одиночных транзисторов (Rb ≈ 2 Ом), по состоянию на 2010 год, принадлежал снятому с производства (и ничем не замещённому) транзистору 2SB737[113].
  15. Исключение — цепи параллельной ОС активных фильтров, подключенных непосредственно к высокоомным головкам. Сопротивление этих цепей, напротив, должно быть высоко[22]. Однако в силу худшего, чем у альтернативных конфигураций, отношения сигнал/шум, активные фильтры с параллельной ОС в современной схемотехнике практически не применяются.
  16. Нелинейные искажения тонкоплёночных чип-резисторов минимальны при больших типоразмерах (0805, 1206) и относительно малых сопротивлениях (100 Ом…7 кОм). С увеличением сопротивления и с уменьшением типоразмера нелинейные искажения заметно возрастают[127].

Примечания

  1. Сухов, 1985, с. 59, 62.
  2. Jones, 2003, pp. 548, 621. Оба значения - предельное среднеквадратическое напряжение.
  3. 1 2 Morgan, 2012, p. 646.
  4. Jung, 2005, p. 2005.
  5. 1 2 Дегрелл, 1982, с. 56.
  6. 1 2 Дегрелл, 1982, с. 57.
  7. 1 2 Сухов, 1985, с. 61.
  8. 1 2 3 Hood, 1997, p. 206.
  9. 1 2 RCA Receiving Tube Manual. — RCA, 1966. — P. 25—17.
  10. Hood, 1997, pp. 203, 202 (fig.10.3.a).
  11. Hood, 1997, pp. 204—205.
  12. 1 2 3 Self, 2010, p. 184.
  13. 1 2 Сухов, 1985, с. 77.
  14. 1 2 3 Jones, 2003, p. 520.
  15. Сухов, 1985, с. 77—78.
  16. 1 2 Сухов, 1985, с. 79—81.
  17. Hood, 1997, pp. 205—206.
  18. Self, 2010, p. 187.
  19. Сухов, 1985, с. 82.
  20. 1 2 Hood, 1995, p. 127.
  21. Сухов, 1985, с. 82—83.
  22. 1 2 3 H. P. Walker. Low-Noise Audio Amplifiers // Wireless World. — 1972.   May. — P. 233—237.
  23. Howard, 2009, p. 2.
  24. Lipschitz, 1979, p. 2.
  25. Self, 2010, p. 175.
  26. Jones, 2003, pp. 599.
  27. Hood, 1997, p. 212.
  28. White and Louie, 2005, p. 487.
  29. Vogel, 2008, p. 183.
  30. Vogel, 2008, pp. 183—184.
  31. Self, 2014, pp. 214, 215.
  32. Vogel, 2008, p. 6.
  33. 1 2 Self, 2014, pp. 216, 245.
  34. Jones, 2003, pp. 548, 621.
  35. 1 2 Self, 2014, p. 211.
  36. Self, 2010, p. 207.
  37. Self, 2014, pp. 329, 330.
  38. 1 2 3 Self, 2014, p. 329.
  39. 1 2 3 White and Louie, 2005, p. 61.
  40. Аршинов, В. Грампластинки. Государственные стандарты // Радио. — 1977. № 9. С. 42—44.
  41. 1 2 Self, 2014, p. 212.
  42. 1 2 Jones, 2003, p. 521.
  43. Jones, 2003, p. 522.
  44. 1 2 Self, 2014, p. 207.
  45. 1 2 3 Self, 2014, p. 208.
  46. 1 2 Аполлонова и Шумова, 1978, с. 113—114.
  47. Vogel, 2008, p. 125.
  48. Vogel, 2008, pp. 126—127.
  49. 1 2 Vogel, 2008, p. 139.
  50. Copeland, P. Manual of Analogue Sound Restoration Techniques : [арх. 22 декабря 2015]. — The British Library, 2008. — P. 148, 150.
  51. Vogel, 2008, pp. 11—12.
  52. Vogel, 2008, pp. 12—13.
  53. Galo, G. Disc Recording Equalization Demystified // ARSC Journal. — 1996. — P. 44—54.
  54. 1 2 3 Jones, 2003, p. 516.
  55. Self, 2010, p. 166.
  56. Self, 2014, p. 330.
  57. 1 2 3 Self, 2010, p. 182.
  58. Self, 2014, p. 311.
  59. 1 2 Self, 2014, p. 256.
  60. Сухов, 1985, с. 61, 89—90.
  61. Сухов, 1985, с. 89.
  62. 1 2 3 Vogel, 2008, p. 169.
  63. Сухов, 1985, с. 90—91.
  64. Vogel, 2008, p. 22.
  65. 1 2 3 Self, 2014, p. 331.
  66. Jones, 2003, p. 519.
  67. Self, 2014, p. 319.
  68. 1 2 Jones, 2003, pp. 520—523.
  69. Аполлонова и Шумова, 1978, с. 50.
  70. 1 2 3 4 5 Self, 2010, p. 169.
  71. Vogel, 2008, Chapter 8. RIAA Networks.
  72. 1 2 Vogel, 2008, p. 181.
  73. 1 2 Baxandall, 2013, p. 2.142.
  74. Vogel, 2008, pp. 107, 110.
  75. 1 2 3 4 Vogel, 2008, p. 44.
  76. Vogel, 2008, p. 107.
  77. Vogel, 2008, p. 106.
  78. Vogel, 2008, p. 190.
  79. Baxandall, 2013, p. 2.143.
  80. Vogel, 2008, pp. 144—146.
  81. Self, 2008, p. 163.
  82. 1 2 Self, 2008, p. 138.
  83. 1 2 Self, 2008, pp. 201—202.
  84. Vogel, 2008, pp. 127, 144, 145.
  85. Vogel, 2008, p. 144.
  86. 1 2 Vogel, 2008, pp. 144, 145.
  87. 1 2 Vogel, 2008, p. 142.
  88. 1 2 Vogel, 2008, p. 55.
  89. Сухов, 1985, с. 68.
  90. 1 2 Self, 2010, p. 97.
  91. Vogel, 2008, p. 86.
  92. Jones, 2003, pp. 536.
  93. 1 2 Vogel, 2008, p. 72.
  94. Vogel, 2008, p. 74.
  95. 1 2 Jones, 2003, p. 534.
  96. Vogel, 2008, p. 76.
  97. Jones, 2003, pp. 534—536, 557.
  98. Jones, 2003, pp. 529, 537.
  99. Jones, 2003, p. 533—534, 536.
  100. Blencowe, 2016, p. 240.
  101. Jones, 2003, p. 561.
  102. 1 2 Jung, 2005, p. 438.
  103. Self, 2010, p. 123.
  104. Self, 2010, p. 98.
  105. Self, 2010, pp. 95, 115, 119.
  106. 1 2 Vogel, 2008, p. 143.
  107. Self, 2010, pp. 104—106.
  108. Сухов, 1985, с. 84.
  109. Self, 2010, pp. 121—124.
  110. Self, 2010, pp. 187—186.
  111. 2SC2240 Low Noise Audio Amplifier Applications (datasheet) // Toshiba Datasheets. — 2003. — P. 4.
  112. Vogel, 2008, pp. 75—78.
  113. Self, 2010, p. 20.
  114. Vogel, 2008, p. 43.
  115. Сухов, 1985, с. 64.
  116. Vogel, 2008, pp. 44—48.
  117. Hood, 1997, p. 207.
  118. Сухов, 1985, с. 67, последняя на странице формула при L=0.
  119. Vogel, 2008, p. 28.
  120. Сухов, 1985, с. 67—68.
  121. Vogel, 2008, p. 29.
  122. Self, 2010, pp. 33—34.
  123. Сухов, 1985, с. 69.
  124. Self, 2010, pp. 170, 189.
  125. 1 2 Self, 2010, p. 46.
  126. 1 2 Сухов, 1985, с. 76.
  127. Self, 2010, p. 50.
  128. Self, 2010, p. 44.
  129. Self, 2010, p. 47.
  130. Self, 2010, pp. 42—47.
  131. Self, 2010, p. 55.
  132. 1 2 Jung, 2005, p. 435.
  133. Self, 2010, pp. 52, 55.
  134. 1 2 Сухов, 1985, с. 76—77.
  135. Self, 2010, pp. 52, 60.
  136. Self, 2010, p. 35.
  137. Self, 2010, p. 34.
  138. Self, 2010, pp. 35, 36.
  139. Self, 2010, p. 36.
  140. 1 2 Vogel, 2008, pp. 228—229.
  141. 1 2 3 Jung, 2005, p. 443.
  142. 1 2 Self, 2010, p. 171.
  143. Hood, 1997, p. 201.
  144. Алексенко, 1985, с. 218—219, рис. 7.12.
  145. Lipschitz, 1979, pp. 4, 37.
  146. Lipschitz, 1979, pp. 15, 16.
  147. Lipschitz, 1979, p. 20.
  148. Lipschitz, 1979, pp. 17, 27.
  149. Self, 2010, pp. 175—178.
  150. Self, 2010, pp. 168, 178.
  151. Self, 2010, pp. 169, 170.
  152. 1 2 Self, 2010, p. 170.
  153. Self, 2010, p. 167.
  154. Jung, 2005, p. 438, 441.
  155. Jung, 2005, p. 441.
  156. allaboutcircuits.com. Дата обращения: 26 августа 2017. Архивировано 26 августа 2017 года.
  157. Wetting current - Wikipedia
  158. 1 2 Self, 2010, p. 172.
  159. 1 2 Vogel, 2008, p. 238.
  160. Vogel, 2008, p. 239.
  161. 1 2 3 Self, 2010, pp. 172—174.
  162. Vogel, 2008, pp. 190, 240.
  163. 1 2 Hood, 1997, p. 203.
  164. 1 2 3 4 Jones, 2003, p. 525.
  165. 1 2 Jones, 2003, p. 527.
  166. 1 2 3 Jung, 2005, p. 445.
  167. Self, 2010, p. 174.
  168. Jung, 2005, p. 444.
  169. Richard Ian Doporto. Passively Equalized RIAA Phono Preamp : [арх. 16 января 2017] // Sonic Imagery Labs. Professional Audio Products Application Notes. — 2013.   AN-13 (март).
  170. LME49860 44V Dual High Performance, High Fidelity Audio Operational Amplifier : [арх. 16 января 2017] // Texas Instruments. — 2007.   SNAS389B (июнь). — P. 2.
  171. Jones, 2003, p. 528.
  172. 1 2 Jones, 2003, p. 526.
  173. Vogel, 2008, p. 250.

Источники

  • Аполлонова, Л. П. и Шумова, Н. Д. Механическая грамзапись. — 2-е изд. М. : Энергия, 1978.
  • Дегрелл, Л. Проигрыватели и грампластинки = Lemezjatszok es hanglemezek / пер. с венгерского В. К. Пискарёва под ред. Ю. А. Вознесенского. М. : Радио и связь, 1982.
  • Сухов, Н. Е. и др. Техника высококачественного воспроизведения. — Киев : Техніка, 1985.
  • Baxandall, P. Power amplifiers, control units and amplifiers // Audio Engineer's Reference Book / ed. M. Talbot-Smith. — CRC Press, 2013. — P. 2.116—2.148. — ISBN 9781136119743.
  • Blencowe, M. Designing High-Fidelity Valve Preamps. — Lulu, 2016. — ISBN 9780956154538.
  • Copeland, P. Manual of Analogue Sound Restoration Techniques. — The British Library, 2008.
  • Hood, J. L. Valve and Transistor Audio Amplifiers. — 2006 reprint. — Newnes, 1997. — ISBN 0750633565.
  • Hood, J. L. Audio Electronics. — 2013 reprint. — Newnes, 1995. — ISBN 9781483140803.
  • Howard, K. Cut and Thrust: RIAA LP Equalization // Stereophile. — 2009.   Mar 2, 2009. — P. 1—4.
  • Jones, M. Valve Amplifiers (3rd edition). — Newnes / Elsevier, 2003. — ISBN 0750656948.
  • Jung, W. Op Amp Applications Handbook. — Newnes, 2005. — ISBN 0750678445.
  • Lipschitz, S.P. On RIAA equalization networks // J. Audio Engineering Society. — 1979. — Vol. 27. — P. 458–491. Номера страниц цитируются по препринту (P. 1-57)
  • Morgan, B. L. James Dwyer McGee, 17 December 1903 - 28 February 1987 // Biogr. Mems Fell. R. Soc.. — 1988. — Vol. 34. — P. 511—551.
  • Self, D. Small Signal Audio Design (5th edition). — Focal Press / Elsevier, 2010. — ISBN 9780240521770.
  • Vogel, B. The Sound of Silence: Lowest-Noise RIAA Phono-Amps: Designer's Guide. — Springer, 2008. — ISBN 9783540768838.
  • Vogel, B. Balanced Phono-Amps. An Extension to the 'The Sound of Silence' Editions. — Springer, 2016. — ISBN 9783319185248.
  • White, G. and Louie, G. The Audio Dictionary: Third Edition, Revised and Expanded. — University of Washington Press, 2005. — ISBN 9780295984988.