Резисторно-транзисторная логика

Резисторно-транзисторная логика (РТЛ) — схемотехническая реализация элементов цифровых схем, выполненная на основе резисторов и биполярных транзисторов. Наиболее старый вид полупроводниковой логики. Широко использовалась в компьютерах второго поколения (1955—1965 годах)[1]. В настоящее время, из-за низкого быстродействия и относительно высокой потребляемой мощности, следовательно большого тепловыделения, почти не применяется.
Устройство и принцип работы
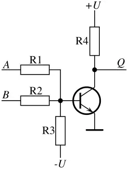
Коллектор транзистора (ключа) соединён через резистор с шиной питания (как правило напряжение питания это +3,15 В — половина напряжения накала большинства маломощных приёмно-усилительных электронных ламп), а эмиттер соединён с «землёй». К базе подключены резисторы, являющиеся логическими входами. Назначение базовых резисторов — увеличить напряжение логической единицы до уровня около 3 В путём преобразования входного напряжения в ток, так как кремниевый транзистор открывается при напряжении на базе относительно «земли» при 0,65 В.
При низком напряжении на всех входах, что соответствует принятой здесь положительной логике состояниям логического 0, транзистор закрыт, и на выход через резистор R4 поступает напряжение, близкое к напряжению питания, так как ток через закрытый транзистор мал и мало падение напряжения на коллекторном резисторе R4, то есть на выходе будет логическая 1. При наличии положительного, с уровнем в единицы вольт, напряжения на любом из входов, что соответствует логической 1, транзистор открывается. При этом напряжение на коллекторе транзистора будет мало — несколько десятков милливольт, что соответствует логическому 0.
Таким образом, описанный РТЛ-элемент выполняет функцию ИЛИ-НЕ в позитивной (если интерпретировать высокое напряжение как логическую 1), или, в соответствии с теоремой де Моргана, функцию И-НЕ в негативной догике.
История

Резисторно-транзисторная логика разработана для цифровых устройств и первых компьютеров выполненных на дискретных полупроводниковых элементах и пришла на смену логике основанной на электронных лампах.
Отличительной особенностью РТЛ является её хорошая изученность и простота реализации на существующем уровне развития электроники. Наряду с РТЛ также применялась диодно-транзисторная логика.
Примечательно, что первая в мире цифровая ЭВМ, установленная на космическом аппарате (AGC — Apollo Guidance Computer), была выполнена именно на РТЛ[2][3].
РТЛ составляла основу первых логических микросхем, выполненных по гибридной технологии. В СССР это были микросхемы серий Р12-2 (102, 103, 116, 117), в корпусах типа «Тропа-1» (серия 201). Серия Р12-2 применялась в БЭЦВМ «Гном-А» самолёта Ил-76 и в АТС военного и гражданского применения.
Микросхемы серии 201 применялись в БЦВМ серии «Аргон» и С-530 (использовались для космических аппаратов и различных военных применений). В США микросхемы на основе РТЛ применялись в БЦВМ космических аппаратов «Аполлон», баллистических ракетах и т. п.
В полупроводниковых интегральных микросхемах резисторно-транзисторная логика уступила место более совершенной и технологичной транзисторно-транзисторной логике. В настоящее время (2025 год) элементы резисторно-транзисторной логики иногда применяются в простых устройствах, выполненных на дискретных элементах и выполняющих несложные логические функции[4].
Резисторно-емкостная транзисторная логика (РЕТЛ)

Резисторно-ёмкостная транзисторная логика аналогична по схемотехнике РТЛ, но входные резисторы, подключённые к базе или базам ключевого транзистора в ней зашунтированы конденсаторами, ускоряющими перезаряд входных ёмкостей транзисторных ключей и также снижающими влияние эффекта Миллера, что повышает быстродействие логических микросхем. Существенное ограничение для интеграции РЕТЛ — необходимость использования конденсаторов которые трудно реализовать в интегральных микросхемах, поэтому элементы РЕТЛ выпускались в виде гибридных микросхем.
Достоинства и недостатки РТЛ и РЕТЛ
Достоинства:
- Конструктивная простота.
- Низкая стоимость.
Недостатки:
- Высокая рассеиваемая мощность (как на включенном транзисторном ключе так и на резисторах).
- Изменение уровня логических сигналов в зависимости от количества подключённых в логическому выходу логических входов (например, уровень единицы может изменяться от около 0,9 В до напряжения питания).
- Низкое быстродействие.
- Низкая помехоустойчивость.
- Сложность разработки.
- Низкая нагрузочная способность выхода (обычно допускается подключение не более трёх-пяти входов других логических элементов на один логический выход).
После перехода на интегральные микросхемы РТЛ-логика практически вышла из применения и используется только в специальных целях.
Примечания
- ↑ Поколения компьютеров - история развития вычислительной техники. Планета информатики. Дата обращения: 16 апреля 2021. Архивировано 16 апреля 2021 года.
- ↑ Бортовой управляющий компьютер «Аполлона».
- ↑ 2. Computers On Board The Apollo Spacecraft §2.5 The Apollo guidance computer: Hardware // Computers in Spaceflight: The NASA Experience. — NASA History Division, 1987.
- ↑ Резисторно-транзисторная логика. L7805CV.RU Энциклопедия электроники. Дата обращения: 16 апреля 2021. Архивировано 16 апреля 2021 года.