Импульсный стабилизатор напряжения
И́мпульсный стабилиза́тор напряже́ния (ключево́й стабилизатор напряжения, используются также названия импульсный преобразователь, импульсный источник питания) — стабилизатор напряжения, в котором регулирующий элемент (ключ) работает в импульсном режиме[1], то есть регулирующий элемент периодически открывается и закрывается.
Энергия первичного источника питания передаётся через регулирующий элемент определёнными порциями, заданными контуром регулирования так, чтобы стабильным было среднее значение выходного напряжения. Сглаживание пульсаций выходного напряжения происходит благодаря наличию элемента (или сочетания элементов), способного накапливать электрическую энергию и отдавать её в нагрузку.
Импульсный стабилизатор напряжения по сравнению с линейным стабилизатором имеет меньшие потери энергии на нагрев регулирующего элемента, что повышает КПД стабилизатора и позволяет применять регулирующий элемент меньшей мощности, а радиатор (теплоотвод) — меньших размеров и массы.
Сравнение с линейным стабилизатором
Преимущества:
- высокий КПД, особенно при работе в большом диапазоне входных напряжений[2];
- малые габариты и масса (высокая удельная мощность)[2];
- принципиальная возможность гальванической развязки входных и выходных цепей, при работе от промышленной сети переменного тока не требуется использование имеющего большие габариты и вес трансформатора, рассчитанного на частоту 50/60 Гц[2].
Недостатки:
- импульсные помехи во входных и выходных цепях[2] — как дифференциальные (противофазные), так и помехи общего вида (синфазные помехи)[3][4];
- меньшая стабильность выходного напряжения при изменении входного напряжения или тока нагрузки[2];
- более длительные переходные процессы (большее время восстановления выходного напряжения после скачкообразного изменения входного напряжения или тока нагрузки)[2];
- входное отрицательное дифференциальное сопротивление — входной ток увеличивается при уменьшении входного напряжения; если импеданс первичного источника напряжения (включая входные вспомогательные цепи самого импульсного преобразователя) выше отрицательного импеданса импульсного преобразователя, то возникают автоколебания с нарушением работоспособности и возможным повреждением стабилизатора[4][5][6].
Функциональные схемы по типу цепи управления
Импульсный стабилизатор напряжения представляет собой систему автоматического регулирования. Задающим параметром для контура регулирования служит опорное напряжение, которое сравнивается с выходным напряжением стабилизатора. В зависимости от сигнала рассогласования устройство управления изменяет соотношение длительностей открытого и закрытого состояния ключа.
В представленных ниже структурных схемах можно выделить три функциональных узла: ключ (1), накопитель энергии (2) (который иногда называют фильтром[7]) и цепь управления. При этом ключ (1) и накопитель энергии (2) вместе образуют силовую часть[8] стабилизатора напряжения, которая вместе с цепью управления образуют контур регулирования. По типу цепи управления различают три схемы.
С триггером Шмитта

Стабилизатор напряжения с триггером Шмитта называется также релейным или стабилизатором с двухпозиционным регулированием[9]. В нём выходное напряжение сравнивается с нижним и верхним порогами срабатывания триггера Шмитта (4 и 3) посредством компаратора (4), который обычно является входной частью триггера Шмитта. При замкнутом ключе (1) входное напряжение поступает на накопитель энергии (2), выходное напряжение нарастает. После достижения верхнего порога срабатывания Umax триггер Шмитта переключается в состояние, размыкающее ключ (1). Накопленная энергия расходуется в нагрузке, при этом напряжение на выходе стабилизатора спадает. После достижения нижнего порога срабатывания Umin триггер Шмитта переключается в состояние, замыкающее ключ. Далее описанный процесс периодически повторяется. В результате на выходе образуется пульсирующее напряжение, размах пульсаций которого зависит от разности порогов срабатывания триггера Шмитта.
Такой стабилизатор характеризуются сравнительно большой, принципиально неустранимой пульсацией напряжения на нагрузке и переменной частотой преобразования, зависящей как от входного напряжения, так и от тока нагрузки[10].
С широтно-импульсной модуляцией

Как и в предыдущей схеме, в процессе работы накопитель энергии (2) или подключён к входному напряжению, или передаёт накопленную энергию в нагрузку. В результате на выходе имеется некоторое среднее значение напряжения, которое зависит от входного напряжения и скважности[11] импульсов управления ключом (1). Вычитатель-усилитель на операционном усилителе (4) сравнивает выходное напряжение с опорным напряжением (6) и усиливает разность, которая поступает на модулятор (3). Если выходное напряжение меньше опорного, то модулятор увеличивает отношение времени открытого состояния ключа к периоду тактового генератора (5). При изменении входного напряжения или тока нагрузки скважность импульсов управления ключом изменяется таким образом, чтобы обеспечить минимальную разность между выходным и опорным напряжением.
В таком стабилизаторе частота преобразования не зависит от входного напряжения и тока нагрузки и определяется частотой тактового генератора[10].
С частотно-импульсной модуляцией
При этом способе управления импульс, открывающий ключ, имеет постоянную длительность, а частота следования импульсов зависит от сигнала рассогласования между опорным и выходным напряжениями. При увеличении тока нагрузки или снижении входного напряжения частота увеличивается. Управление ключом может осуществляться, например, с помощью моностабильного мультивибратора (одновибратора) с управляемой частотой запуска.
Основные схемы силовой части
По схеме силовой части импульсные стабилизаторы делят обычно на три основных типа: понижающие, повышающие и инвертирующие[8]. Такое разделение сложилось, в частности, в отечественной технической литературе[12].
Некоторые авторы, рассматривая схемы импульсных преобразователей постоянного напряжения во всём их многообразии, показывают, что число элементарных базовых схем преобразователя можно свести к двум[13] — понижающего типа и повышающего типа. Также отмечается, что другие схемы импульсного преобразователя напряжения (в том числе инвертирующего преобразователя) могут быть получены каскадным соединением этих двух базовых схем[14][15].
В нижеприведённых схемах в качестве ключа S могут использоваться полевой транзистор, биполярный транзистор или тиристор, цепь управления ключом для простоты не показана. Отношение времени замкнутого состояния ключа к сумме длительностей замкнутого и разомкнутого состояний называют коэффициентом заполнения (или рабочим циклом — англ. duty cycle)[2].
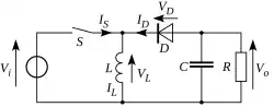
Преобразователь с понижением напряжения

Названия в англоязычной литературе — Buck converter или step-down converter. Если ключ S замкнут, то диод D закрыт, и через дроссель L течёт нарастающий ток от источника. Когда ключ размыкается, ток дросселя, который не может измениться мгновенно, начинает протекать через диод D, при этом величина тока уменьшается. При достаточной индуктивности ток дросселя не успевает уменьшиться до нуля к началу следующего цикла (режим неразрывных токов) и имеет пульсирующий характер. Поэтому даже при отсутствии конденсатора C напряжение на нагрузке R будет иметь такой же характер с пульсациями, размах которых тем меньше, чем больше индуктивность дросселя. Однако увеличение индуктивности дросселя связано с увеличением его габаритов, массы и стоимости, поэтому использование конденсатора для уменьшения пульсаций более эффективно. Сочетание элементов L и C в этой схеме часто называют фильтром[10][16].
Преобразователь с повышением напряжения

Названия в англоязычной литературе — Boost converter или step-up converter. Если ключ S замкнут, то диод D закрыт, и через дроссель L течёт линейно нарастающий ток от источника. Когда ключ размыкается, ток дросселя, который не может измениться мгновенно, начинает протекать через диод D и конденсатор C (заряжая его). К началу следующего цикла практически линейно спадающий ток через конденсатор может уменьшиться до нуля, но приложенное к нагрузке R напряжение конденсатора почти постоянно — амплитуда пульсаций тем меньше, чем больше ёмкость конденсатора. В отличие от предыдущей схемы, здесь дроссель не является элементом фильтра. Напряжение на нагрузке всегда больше напряжения источника[10][17].
Инвертирующий преобразователь

Название в англоязычной литературе — Buck–boost converter (то есть «понижающе-повышающий преобразователь»). Основное отличие от предыдущей схемы состоит в том, что цепь D, R, C подключена параллельно дросселю, а не параллельно ключу. Принцип работы схемы похожий. Если ключ S замкнут, то диод D закрыт и через дроссель L течёт линейно нарастающий ток от источника. Когда ключ размыкается, ток дросселя, который не может измениться мгновенно, начинает протекать через конденсатор C (заряжая его) и диод D. К началу следующего цикла практически линейно спадающий ток через конденсатор может уменьшиться до нуля, но приложенное к нагрузке R напряжение конденсатора почти постоянно — амплитуда пульсаций тем меньше, чем больше ёмкость конденсатора (дроссель не является элементом фильтра). Напряжение на нагрузке может быть как больше, так и меньше напряжения источника[10][18].
Влияние диода на КПД
Прямое падение напряжения для обычных кремниевых диодов составляет около 0,7 В, для диодов Шоттки — около 0,4 В. Мощность, рассеиваемая в диоде при больших токах, существенно снижает КПД в стабилизаторах с низким выходным напряжением. Поэтому в таких стабилизаторах диод часто заменяют дополнительным полупроводниковым ключом с низким падением напряжения в открытом состоянии, например, силовым полевым транзистором.
Во всех трёх описанных схемах диод D может быть заменён на дополнительный ключ[19], замыкаемый и размыкаемый в противофазе к основному ключу.
Гальваническая развязка
Если требуется гальваническая развязка входных и выходных цепей импульсного стабилизатора — например, по требованиям электробезопасности при использовании промышленной сети переменного тока в качестве первичного источника питания — можно применить разделительный трансформатор в рассмотренных выше основных схемах. Использование высокочастотного трансформатора в схеме преобразователя с понижением напряжения приводит к схеме однотактного или двухтактного прямоходового преобразователя (англ. forward converter). Замена дросселя в схеме инвертирующего преобразователя на дроссель с двумя или более обмотками приводит[20] к схеме обратноходового преобразователя (англ. flyback converter).
Некоторые особенности импульсных преобразователей с гальванической развязкой входа от выхода:
- Благодаря высокой рабочей частоте преобразования (от 20 кГц до 1 МГц[2]) габаритные размеры развязывающего трансформатора или многообмоточного дросселя значительно меньше, чем трансформатора для частоты 50 Гц.
- В цепи управления применяется либо оптрон, либо отдельная обмотка в трансформаторе (или дросселе), либо специальный трансформатор.
Особенности использования

A — входной выпрямительный мост и фильтр помех.
B — конденсаторы входного фильтра, правее — радиатор высоковольтных транзисторов.
C — трансформатор, правее — радиатор низковольтных диодов.
D — выходной дроссель.
E — конденсаторы выходного фильтра.
Ниже E — дроссель и конденсатор входного фильтра на сетевом разъёме
Фильтрация импульсных помех
Импульсный стабилизатор напряжения является источником высокочастотных помех в связи с тем, что содержит ключи, коммутирующие ток[21]. Поэтому в моменты коммутации возникают довольно значительные броски напряжения и тока, порождающие помехи как на входе, так и на выходе стабилизатора, причём помехи и противофазные, и синфазные[3]. Фильтры для подавления помех устанавливаются как на входе, так и на выходе стабилизатора.
Для снижения помех можно производить коммутацию ключа в моменты, когда через ключ нет тока при размыкании или на ключе нулевое напряжение при замыкании. Этот приём используют в так называемых резонансных преобразователях, которые также имеют свои недостатки[22][23].
Входное сопротивление
Импульсный стабилизатор напряжения под нагрузкой имеет входное отрицательное дифференциальное сопротивление — при повышении входного напряжения входной ток уменьшается, и наоборот. Это следует учитывать для сохранения устойчивости работы импульсного стабилизатора напряжения от источника с повышенным внутренним сопротивлением[4][6].
Использование в сетях переменного тока
Рассмотренные выше импульсные стабилизаторы (преобразователи) напряжения преобразуют постоянный ток на входе в постоянный ток на выходе. Для питания устройств от электрической сети переменного тока на входе устанавливается выпрямитель и сглаживающий фильтр.
Это предполагает наличие некоторого количества элементов, установленных до развязывающего трансформатора, а значит, гальванически связанных с входными цепями. Такие элементы обычно выделяются на платах либо штриховкой, либо чертой на слое сеткографической маркировки, или даже особой окраской, которая предупреждает человека о потенциальной опасности прикосновения к ним. Импульсные блоки питания в составе других приборов (телевизоров, компьютеров) закрываются защитными крышками, снабжёнными предупреждающими надписями. Если при ремонте импульсного блока питания необходимо включить его со снятой крышкой, рекомендуется включать его через развязывающий трансформатор или УЗО.
Часто помехоподавляющие фильтры на входе импульсных блоков питания соединяются с корпусом прибора. Это делается в том случае, если предполагается подключение защитного заземления корпуса. Если защитным заземлением пренебрегли, то на корпусе прибора образуется потенциал относительно земли, равный половине сетевого напряжения. Конденсаторы фильтров, как правило, имеют небольшую ёмкость, поэтому прикосновение к корпусу такого прибора неопасно для человека, но одновременное прикосновение чувствительными частями тела к заземленным приборам и к незаземленному корпусу ощутимо (говорят, что прибор «кусается»). Кроме того, потенциал на корпусе может быть опасен для самого прибора.
См. также
Примечания
- ↑ ГОСТ Р 52907-2008. docs.cntd.ru. Дата обращения: 2 февраля 2018. Архивировано 3 февраля 2018 года.
- 1 2 3 4 5 6 7 8 Интегральные микросхемы: Микросхемы для импульсных источников питания и их применение. — М. : Додэка, 1997. — С. 15—16. — 224 с. — ISBN 587835-0010-6
- 1 2 Электромагнитная совместимость в электроэнергетике. lib.rosenergoservis.ru. Дата обращения: 19 августа 2017. Архивировано из оригинала 19 августа 2017 года.
- 1 2 3 Жданкин В. Подавление электромагнитных помех во входных цепях преобразователей постоянного напряжения. Дата обращения: 5 августа 2017. Архивировано 5 августа 2017 года.
- ↑ Севернс и Блум, 1988, с. 218.
- 1 2 Sokal, Nathan O. System oscillations from negative input resistance at power input port of switching-mode regulator, amplifier, DC/DC converter, or DC/DC inverter (англ.) : journal. — 1973. — P. 138—140. — doi:10.1109/PESC.1973.7065180. (англ.)
- ↑ Титце У. Шенк К. Полупроводниковая схемотехника. Мир, 1982. — С. 271. Дата обращения: 1 января 2018. Архивировано 2 января 2018 года.
- 1 2 Импульсные стабилизаторы. Studopedia.org. Дата обращения: 6 января 2018. Архивировано 6 января 2018 года.
- ↑ Китаев В. В. и др. Электропитание устройств связи. — М.: Связь, 1975. — С. 196—207. — 328 с. — 24 000 экз.
- 1 2 3 4 5 8.4. Импульсные стабилизаторы. riostat.ru. Дата обращения: 16 августа 2017. Архивировано 16 августа 2017 года.
- ↑ В расчётах стабилизатора обычно используется величина, обратная скважности — коэффициент заполнения.
- ↑ Семенов, 2006.
- ↑ Севернс и Блум, 1988, с. 9—14.
- ↑ Севернс и Блум, 1988, с. 138—139.
- ↑ Поликарпов А. Г., Сергиенко Е. Ф. Однотактные преобразователи напряжения в устройствах электропитания РЭА. — М.: Радио и связь, 1989. — С. 6—7. — 160 с. — ISBN 5-256-00213-9
- ↑ issh.ru — Источники питания — Раздел 16 Импульсные источники питания — Основные импульсные схемы — Понижающий преобразователь — Стр. 128. Дата обращения: 5 июня 2010. Архивировано 1 июля 2010 года.
- ↑ issh.ru — Источники питания — Раздел 16 Импульсные источники питания — Основные импульсные схемы — Повышающий преобразователь — Стр. 129. Дата обращения: 5 июня 2010. Архивировано 1 июля 2010 года.
- ↑ issh.ru — Источники питания — Раздел 16 Импульсные источники питания — Основные импульсные схемы — Инвертирующий повышающий преобразователь — Стр. 130. Дата обращения: 5 июня 2010. Архивировано 1 июля 2010 года.
- ↑ Как, например, в микросхеме TPS54616
- ↑ The Flyback Converter Архивная копия от 30 августа 2017 на Wayback Machine — Lecture notes — ECEN4517 — Department of Electrical and Computer Engineering — University of Colorado, Boulder.
- ↑ issh.ru — Источники питания — Раздел 16 Импульсные источники питания — Первичный источник питания — Подавление радиопомех — Стр. 147. Дата обращения: 5 июня 2010. Архивировано 17 июня 2015 года.
- ↑ Источники питания — Раздел 16. Импульсные источники питания — Схемы управления — Резонансные контроллеры, стр. 145 Архивная копия от 8 сентября 2010 на Wayback Machine //issh.ru
- ↑ Авторская страница Б. Ю. Семенова. Дата обращения: 5 июня 2010. Архивировано 18 марта 2009 года.
Литература
- Вересов Г. П. Электропитание бытовой радиоэлектронной аппаратуры. — М.: Радио и связь, 1983. — 128 с. Архивная копия от 27 июля 2009 на Wayback Machine
- Китаев В. Е. и др. Электропитание устройств связи. — М.: Связь, 1975. — 328 с. — 24 000 экз. Архивная копия от 17 марта 2013 на Wayback Machine
- Костиков В. Г., Парфенов Е. М., Шахнов В. А. Источники электропитания электронных средств. Схемотехника и конструирование: Учебник для ВУЗов. — 2. — М.: Горячая линия — Телеком, 2001. — 344 с. — 3000 экз. — ISBN 5-93517-052-3.
- Миронов С. Я. Применение ЧИМ-ШИМ в регулируемых источниках питания (январь 2003).
- Семенов Б. Ю. Силовая электроника: от простого к сложному. — М.: СОЛОН-ПРЕСС, 2006. — 416 с. — 1500 экз. — ISBN 5-98003-223-1.
- Севернс Р., Блум Г. Импульсные преобразователи постоянного напряжения для систем вторичного электропитания: Пер. с англ. под ред. Л. Е. Смольникова. — М.: Энергоатомиздат, 1988. — 294 с. — 9000 экз. — ISBN 5-283-02435-0.
Ссылки
- ГОСТ Р 52907—2008 «Источники электропитания радиоэлектронной аппаратуры. Термины и определения»