Применение операционных усилителей
В статье описаны некоторые типовые применения операцио́нных усили́телей (ОУ) в аналоговой схемотехнике.
Электрические схемы на рисунках изображены упрощённо, поэтому следует иметь в виду, что подробности, несущественные для объяснения работы схемы (соединения ОУ с цепями питания, блокировочные конденсаторы в цепях питания, цепи частотной коррекции ОУ, конкретный тип применённого ОУ, нумерация выводов ОУ), опущены.
Резисторы, используемые в данных схемах, имеют типичное сопротивление порядка единиц-десятков килоом. Использование резисторов с сопротивлением менее 1 кОм нежелательно (кроме тех резисторов, которые не создают нагрузки на выход ОУ), так как они могут вызвать чрезмерный ток выходного каскада ОУ, перегружающий выход ОУ. Резисторы с сопротивлениями более 1 МОм, подключённые ко входам ОУ, вносят повышенный тепловой шум и делают схему менее точной из-за влияния входных токов токов ОУ и дрейфа входных токов.
В современной электронике в качестве ОУ в подавляющем большинстве случаев применяются ОУ в монолитном интегральном исполнении, но все рассуждения применимы и для других любых иначе сконструированных ОУ, например, в виде гибридных микросхем.
Примечание: математические выражения, приведенные в статье, если не оговорено особо, получены в предположении о том, что операционные усилители являются идеальными. Ограничения, вызванные неидеальностью ОУ, явно указаны. Для практического использования схемных решений из приведенных примеров следует ознакомиться с более подробным их описанием. См. разделы «Список литературы» и «Ссылки».
Линейные системы
Дифференциальный усилитель (вычитатель)

- Примечание: не следует путать дифференциальный усилитель с дифференциатором (см. ниже)
Данная схема предназначена для получения разности двух напряжений, при этом каждое из них предварительно умножается на некоторую константу, величины констант определяются соотношением сопротивлений резисторов в схеме:
Если обозначить дифференциальную составляющую входных напряжений как:
и синфазную составляющую как полусумму входных напряжений:
то выражение для выходного напряжения можно переписать в виде:
Для того, чтобы этот усилитель усиливал только разность входных напряжений, но был нечувствителен к синфазной составляющей, необходимо выполнить соотношение:
При этом коэффициент передачи для синфазной составляющей становится равным 0 и выходное напряжение зависит только от разности входных напряжений:
- Входное сопротивление для дифференциального сигнала (между входными выводами) при любых значениях сопротивлений:
- Входное сопротивление для синфазного сигнала будет в общем случае:
При выполнении соотношения входное сопротивление для синфазного сигнала будет:
Инвертирующий усилитель

Инвертирует и усиливает/ослабляет напряжение (то есть умножает напряжение на отрицательную константу, определяемую соотношением сопротивлений резисторов). Модуль коэффициента передачи может быть как больше, так и меньше единицы.
- Входной импеданс поскольку потенциал на инвертируем входе самого ОУ равен нулю, так как за счет действия отрицательной обратной связи является виртуальной землёй.
- Иногда между неинвертирующим входом и «землёй» устанавливают третий резистор с сопротивлением, равным (сопротивление параллельно соединённых резисторов и ). Этот дополнительный резистор исключает дополнительную ошибку смещения, возникающую из-за входных токов ОУ.
Если , то схема представляет собой линейный преобразователь ток — напряжение. Входное сопротивление такой схемы в предположении идеальности ОУ равно 0. Фактически оно определяется коэффициентом усиления реального ОУ с разомкнутой обратной связью и сопротивлением обратной связи по формуле: где — собственный коэффициент усиления ОУ; и очень мало, так как современных ОУ более сотен тысяч, что выгодно отличает такой преобразователь от простого резистора, который тоже является линейным преобразователем ток — напряжение.
Выходное напряжение такого преобразователя ток — напряжение будет:
Предполагается, что втекающий ток положителен.
Неинвертирующий усилитель

Усиливает напряжение (умножает напряжение на константу, больше единицы):
- (на практике — входное сопротивление операционного усилителя: от 1 MОм до 10 TОм)
- Третий резистор с сопротивлением, равным (равному сопротивлению параллельно соединённых резисторов и ), устанавливаемый (при необходимости) между точкой подачи входного сигнала и неинвертирующим входом ОУ, уменьшает ошибку, возникающую из-за тока смещения ОУ.
Повторитель напряжения

Используется как буферный усилитель, для исключения влияния низкоомной нагрузки на источник с высоким(поконкретнее) выходным сопротивлением.
Инвертирующий суммирующий усилитель (инвертирующий сумматор)

Суммирует с весовыми коэффициентами несколько входных напряжений. Все весовые коэффициенты отрицательны.
Выражение для коэффициентов передачи (весов суммирования) по всем входам:
- Если , то:
- Если , то:
- Выходной сигнал инвертирован инвертирован.
- Входной импеданс n-го входа равен (поскольку инвертирующий вход ОУ является виртуальной землёй).
Интегратор


— сопротивление нагрузки.

Интегрирует (с инверсией) входной сигнал по времени:
- где — входное напряжение,
- — выходное напряжение — функция времени,
- — выходное напряжение интегратора в момент времени .
Такой интегратор можно также рассматривать как фильтр нижних частот 1-го порядка со скоростью спада коэффициента передачи в полосе подавления −20 дБ/декаду.
- Некоторые ограничения, накладываемые неидеальностью ОУ:
- Обычно предполагается, что входное напряжение не имеет постоянной составляющей (то есть усреднение за длительный промежуток времени даёт ноль). В противном случае выходное напряжение будет дрейфовать со скоростью интегрирования постоянной составляющей, и со временем установится на одном из пределов рабочего диапазона выходного напряжения ОУ, если конденсатор периодически не разряжать. Для этого в практических схемах обычно параллельно конденсатору включают электронный или электромеханический ключ.
- Даже если не имеет постоянной составляющей, отличия реальных ОУ от идеального входной ток ОУ создаёт некоторое падение напряжения на входном резисторе, это напряжение интегрируется так же, как и входной сигнал. Другой источник дрейфа интегратора — ненулевое напряжение смещения между инвертирующим и неинвертирующим входами. Напряжение смещения суммируется с полезным сигналом, вызывая ошибку интегрирования и дрейф.
- Скомпенсировать дрейф от входного тока ОУ можно, включив резистор с неинвертирующего входа на «землю» с сопротивлением, равным сопротивлению входного резистора, как показано на рисунке. При равенстве входных токов падение напряжение на этом дополнительном резисторе равно дополнительному падению напряжения от тока инвертирующего входа и, тем самым, дрейф от входного тока ОУ будет подавлен. Если токи входов не равны, то сопротивление дополнительного резистора нужно выбрать таким, чтобы падения напряжения на обоих резисторах от входных токов были равны. В результате дрейф от входных токов будет определяться только дрейфом разности токов, например, от изменений температуры.
- Дрейф от входного напряжения смещения можно снизить тщательной балансировкой входа ОУ - настройкой входного смещения как иожно ближе к нулю. В выпускаемых промышленностью ОУ повышенной точности и в прецизионных ОУ для балансировки входа предусмотрены специальные выводы.
Поскольку в этой схеме отсутствует обратная связь по постоянному току (конденсатор имеет бесконечный импеданс для постоянного тока, иными словами — не пропускает ток с нулевой частотой), даже самым тщательным образом скомпенсированный по дрейфу интегратор постепенно изменяет выходное напряжение (так называемое «сползание» интегратора).
В тех случаях, когда требуется интегрирование переменного сигнала и нужно подавить медленный дрейф, параллельно конденсатору включают дополнительный резистор как показано на рисунке. Такая мера превращает интегратор для медленно изменяющегося напряжения и постоянного тока в ФНЧ 1-го порядка с коэффициентом передачи на постоянном токе равным и частотой среза
Другой способ подавления медленного дрейфа — разряд конденсатора дополнительной внешней цепью или периодическое закорачивание его ключом.
Дифференциатор

- Примечание: Не следует путать дифференциатор с дифференциальным усилителем (см. выше)
Дифференцирует (инвертированный) входной сигнал по времени.
- где и — входной и выходной сигналы соответственно, функции времени.
Этот четырёхполюсник можно также рассматривать как фильтр верхних частот.
Компаратор

Сравнивает два напряжения и выдает на выходе одно из двух состояний в зависимости от того, какое из входных напряжений больше.
- — предельное положительное выходное напряжение ОУ, немного меньше положительного напряжения питания;
- — редельное отрицательное выходное напряжение ОУ, немного больше отрицательного напряжения питания.
При равенстве входных напряжений значение выходного напряжения идеального компаратора не определено, у реальных компараторов устанавливается равным предельному положительное или отрицательному выходному напряжению ОУ из-за входного небольшого напряжения смещения, реальный ОУ ведет себя как идеальный ОУ, у которого внутри последовательно с одним из входов включен генератор напряжения с ЭДС Uсм. Типичные значения Uсм реальных ОУ составляют 10−3 ÷ 10−6 В. Напряжегние смещения вносит ошибку при сравнении входных напряжений.
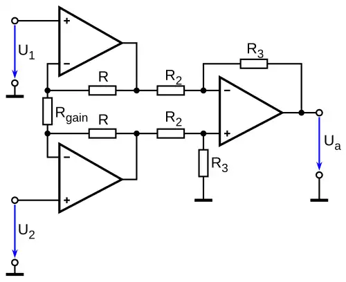
Измерительный усилитель

Измерительный усилитель, также называемый инструментальным усилителем (англ. instrumentation(al) amplifier), принципиально не отличается от дифференциального усилителя, однако обладает очень высоким входным сопротивлением, высоким коэффициентом ослабления синфазного сигнала, низким напряжением смещения.
Коэффициент передачи усилителя изображёногго на рисунке:
- Также может быть построен путём добавления неинвертирующих буферных усилителей к каждому входу простейшего дифференциального усилителя для увеличения входного сопротивления.
- Известна также реализация на двух (а не трёх, как в приведённой схеме) операционных усилителей.
Триггер Шмитта
![]() | ![]() |
Если ОУ охватить положительной обратной связью то образуется компаратор с гистерезисом, иначе называемый триггером Шмитта. Измегнением точки подачи входного сигнала можно образовать неинвертирующий или инвертирующий триггер Шмитта.
Гиратор

Имитирует индуктивность.
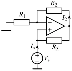
Преобразователь отрицательного сопротивления

Преобразователь отрицательного сопротивления (англ. Negative impedance converter) имитирует резистор с отрицательным сопротивлением, здесь вход изображён в виде источника напряжения . Величина отрицательного сопротивления[1][2][3]:
Нелинейные системы
Точный выпрямитель

В простейшем классическом выпрямителе на полупроводниковом диоде имеется падение напряжения на прямосмещённом диоде, которое часто нежелательно. В приведённой на рисунке схеме прямое падение напряжения на диоде практически полностью исключено путем включения диода в цепь отрицательной обратной связи ОУ. ОУ сравнивает выходное напряжение на нагрузке с входным напряжением и увеличивает собственное выходное напряжение ОУ на величину падения напряжения на диоде. В результате это напряжение компенсируется и схема электрически ведёт себя почти как идеальный диод с прямым падением напряжения равным 0, подключённым к сопротивлению нагрузки .
Схема имеет ограничения по скорости отклика на высоких частотах из-за запаздывания в контуре отрицательной обратной связи и ограниченной скорости нарастания выходного напряжения реальных операционных усилителей.
Пиковый детектор

Устройство предназначено для запоминания экстремального (максимального или минимального) напряжения на входе, достигнутого за период времени с момента разряда конденсатора.
При замкнутом ключе конденсатор разряжен и выходное напряжение нулевое. Когда ключ разомкнут, экстремумы напряжения заряжают конденсатор через диод до значения экстремума. После достижения экстремума и последующем снижении по модулю входного напряжения значение экстремума сохраняется в виде заряда на конденсаторе до замыкания ключа или достижения бо́льшего экстремума.
В показанном на рисунке включении диода производится выборка максимальных входных положительных напряжений. Для выборки отрицательных максимальных по модулю напряжений диод включают в обратной полярности.
За счет действия отрицательной обратной связи через ОУ компенсируется ошибка выборки экстремума, вызванная относительной большим падением напряжения на диоде при прямом токе через него (для кремниевых диодов с p-n-переходом — около 0,6 В), что выгодно отличает схему пикового детектора с ОУ от простейшей схемы пикового детектора, представляющего последовательное соединение диода и конденсатора. Поэтому конденсатор заряжается практически точно до напряжения экстремума.
Другое преимущество этой схемы — очень большое входное сопротивление и, соответственно, малый входной ток, так как сигнал подаётся на неинвертирующий вход ОУ.
Длительность хранения напряжения достигнутого экстремума с достаточной точностью хранения ограничено разрядом конденсатора через диод, который почти всегда заперт и открывается только в моменты выборки экстремума, и собственными утечками через конденсатор (саморазряд конденсатора), которые обычно пренебрежимо мало по сравнению с утечками через диод, поэтому для увеличения времени хранения экстремума ёмкость конденсатора следует увеличивать.
С другой стороны, увеличение ёмкости конденсатора ухудшает точность выборки экстремумов с малой длительностью — коротких импульсов, так как конденсатор не успевает зарядиться до напряжения экстремума из-за ограничения выходного тока ОУ. Поэтому ёмкость конденсатора выбирают исходя из разумного компромисса в зависимости от назначения пикового детектора в конкретном электронном устройстве.
Логарифмический усилитель

Так как напряжение на полупроводниковом диоде с p-n-переходом при прямом смещении на диоде и ток через диод связаны согласно уравнению Шокли:
- где — ток диода;
- — ток насыщения при обратном смещении на диоде;
- — прямое напряжение на диоде;
- — температурный потенциал (температурное напряжение).
Температурный потенциал, в свою очередь, связан с температурой p-n-перехода:
- где — постоянная Больцмана;
- — абсолютная температура p-n-перехода;
- — элементарный электрический заряд.
При = 300 K температурный потенциал приблизительно равен 25,85 мВ.
Напряжение на диоде, выраженное через протекающий через него ток, из уравнения Шокли:
Обратный ток насыщения кремниевых диодов при комнатной температуре очень мал, порядка единиц-десятков пА, поэтому отношение для прямых токов через диод, превышающих единицы наноампер. Пренебрегая единицей в слагаемом знаменателя можно приближённо положить:
Так как входной ток идеального ОУ равен нулю, то, из 1-го правила Кирхгофа, ток через резистор равен току через диод, то есть:
С другой стороны, потенциал инвертирующего входа ОУ равен 0 за счёт действия обратной связи, поэтому ток через резистор по закону Ома равен:
Окончательно имеем:
Знак минус указывает, что выходной сигнал инвертирован относительно входного.
Приведённая схема является логарифмическим усилителем (преобразователем) только для положительных входных напряжений. При отрицательных напряжениях диод запирается, и реальный ОУ переходит в ограничение выходного напряжения — напряжения немного ниже напряжения положительного источника питания ОУ ().
В практическом устройстве по приведенной схеме достигается диапазон преобразования в несколько декад (при изменении входного напряжения на несколько порядков) изменения входного напряжения при удовлетворительной точности, но невысокой температурной стабильности.
Основным источником температурной нестабильности являются изменения обратного тока насыщения диода и изменение температурного потенциала — параметры, входящие в уравнение Шокли. В практических схемах логарифмических усилителей эти температурные дрейфы компенсируются схемными дополнениями — обычно с добавлением в схему дополнительного диода с параметрами, аналогичными «логарифмирующему» диоду. Часто в качестве диодов в этой схеме применяют p-n-переходы биполярных транзисторов.
Экспоненцирующий усилитель

Как описано в разделе «логарифмический усилитель» (обозначения в формулах см. этот раздел), согласно уравнению Шокли ток через полупроводниковый диоде с p-n-переходом при прямом смещении на диоде и напряжение на нём связаны зависимостью:
- где — ток диода;
- — ток насыщения при обратном смещении на диоде;
- — прямое напряжение на диоде;
- — температурный потенциал (температурное напряжение).
Опять же, пренебрегая единицей в скобках, так как температурный потенциал мал по сравнению с прямым напряжением на диоде и можно приблизительно положить:
Так как входной ток идеального ОУ равен нулю, то, из 1-го правила Кирхгофа, ток через резистор обратной связи равен току через диод, то есть:
Потенциал инвертирующего входа ОУ равен 0 за счёт действия отрицательной обратной связи, поэтому ток через резистор по закону Ома равен:
Окончательно имеем:
При указанной на рисунке полярности включения диода усилитель экспоненцирует только положительные входные напряжения. При отрицательном входном напряжении диод запирается и выходное напряжение определяется только обратным током насыщения диода который мал и потому близко к нулю:
Точность и температурная стабильность этого усилителя примерно те же, что и у логарифмического усилителя.
Другие применения
См. также
- Операционный усилитель с токовой обратной связью
- Трансимпедансный операционный усилитель
- Частотная коррекция
Примечания
- ↑ Chen, W.-K. The Circuits and Filters Handbook. — CRC Press, 2003. — P. 396–397. — ISBN 0-8493-0912-3.
- ↑ Mehrotra, S. R. (2005). The Synthetic floating negative inductor using only two op-amps. Electronics World. 111 (1827): 47.
- ↑ Deboo, G. J., "Gyrator type circuit", US patent 3493901, issued 1970-02-03
Список литературы
- Хоровиц П., Хилл У. Искусство схемотехники: В 2-х томах = The Art of Electronics: Second Edition (© Cambridge University Press, 1980) / Пер. с англ. под ред. М. В. Гальперина, редакторы: Н. В. Серёгина, Ю. Л. Евдокимова. — М.: Мир, 1983. — т. 1: 568 с., т. 2: 590 с. — 50 000 экз.
- Sergio Franco. Design with Operational Amplifiers and Analog Integrated Circuits, 3rd Ed., McGraw-Hill, New York, 2002 ISBN 0-07-232084-2
Ссылки
- Single supply op-amp circuit collection. (163 KiB)
- Op-amp circuit collection. (2980
- A Collection of Amp Applications. (1.06 MiB) – Analog Devices Application note
- Basic OpAmp Applications. (173 KiB)
- Handbook of operational amplifier applications. (2.00 MiB) – Texas Instruments Application note
- Low Side Current Sensing Using Operational Amplifiers Архивировано 8 апреля 2009 года.
- Log/anti-log generators, cube generator, multiply/divide amp. Архивировано из оригинала 9 мая 2008 года. (165 KiB)
- Logarithmically variable gain from a linear variable component
- Impedance and admittance transformations using operational amplifiers by D. H. Sheingold
- High Speed Amplifier Techniques very practical and readable – with photos and real waveforms
- Properly terminating an unused op-amp

