ВЛ82
| ВЛ82 | |
|---|---|
| Электровоз ВЛ82-018 на станции Кисловодск | |
| Производство | |
| Страна постройки |
|
| Заводы | НЭВЗ |
| Годы постройки | 1966—1979 |
| Всего построено | 91 |
| Технические данные | |
| Род тока и напряжение в контактной сети | переменный, 25 кВ, 50 Гц; постоянный, 3кВ |
| Осевая формула | 2(2O - 2O) |
| Ширина колеи | 1520 мм |
| Сила тяги при трогании с места |
ВЛ82: 640 кН ВЛ82М: 667 кН |
| Часовая мощность ТЭД | 8 × (700-755) кВт (в зависимости от модификации) |
| Скорость часового режима | 51,0-51,4 км/ч (в зависимости от модификации) |
| Длительная мощность ТЭД | 8 × (635-720) кВт (в зависимости от модификации) |
| Скорость длительного режима | 51,6-53,4 км/ч (в зависимости от модификации) |
| Конструкционная скорость | 110 км/ч |
| Эксплуатация | |
| Страны |
|
| Советские железные дороги | |
| Период | — |
ВЛ82 («Владимир Ленин», тип 82) — советский двухсекционный грузовой электровоз двойного питания. Предназначен для безостановочного вождения поездов на участках, электрифицированных как переменным током 25 кВ 50 Гц, так и постоянным 3 кВ. Создан на базе восьмиосных электровозов ВЛ10 и ВЛ80.
История и конструкция
Двухсистемные электровозы используются на тех железнодорожных магистралях, где есть стыки между участками линий, электрифицированных на постоянном и переменном токе (нейтральные вставки), однако строительство специальной станции стыкования по тем или иным причинам невыгодно. В свою очередь двухсистемные электровозы, реализуя полную мощность в обоих режимах, отличаются повышенным весом (что, впрочем, не является недостатком для грузовых электровозов) и стоимостью электрооборудования и его эксплуатации.
ВЛ82
Первые опытные двухсистемные восьмиосные двухсекционные электровозы ВЛ82-001 и ВЛ82-002 были построены Новочеркасским электровозостроительным заводом (НЭВЗ) в июле 1966 года. Фактически они представляли собой электровозы постоянного тока с трансформаторно-выпрямительными устройствами для работы под переменным током.

Большинство элементов механической части новых локомотивов были унифицированы с электровозами серии ВЛ80К. На каждой секции электровоза установлен трансформатор производства Таллинского электротехнического завода. Масса трансформатора с маслом — 5800 кг. Шестиполюсные тяговые электродвигатели (ТЭД) НБ-420А были спроектированы специально для данного локомотива. Масса электродвигателя — 4500 кг. Для их охлаждения на каждой секции установлено два мотор-вентилятора. Также каждая из секций оборудована аккумуляторной батареей. В процессе эксплуатации ВЛ82 ТЭД были заменены на двигатели, устанавливаемые впоследствии на электровозы серии ВЛ82М.
Секции электровоза имеют одинаковые электрические схемы и работают по системе многих единиц. При работе с переменным током напряжение к ТЭД подводится через понижающий трансформатор и выпрямительную установку. При питании постоянным током напряжение подводится непосредственно к цепи ТЭД. В обоих случаях напряжение на зажимах двигателей регулируется реостатами. Схема локомотива позволяет использовать реостатное торможение, при котором ТЭД соединяются перекрёстно.
Соединений тяговых двигателей два — сериес-параллельное (СП), при котором на каждой из секций все четыре тяговых двигателя секции соединяются последовательно, и параллельное (П), по два последовательно соединённых двигателя соединяются параллельно. Последовательного соединения всех восьми тяговых двигателей электровоза при нормальной работе не предусмотрено. Переключение соединений двигателей и секций пускового реостата выполняется находящимся в каждой секции имеющим электропривод главным контроллером ЭКГ-82, по конструкции аналогичным главному контроллеру ЭКГ-8Ж электровозов ВЛ80к, ВЛ80с. Контроллер машиниста также аналогичен контроллеру ВЛ80.
Вспомогательные машины каждой секции — четыре мотор-вентилятора (МВ), мотор-компрессор (МК), мотор-насос МН масла трансформатора. Все машины, кроме мотор-насоса, имеют высоковольтные (на напряжение 3000 В) коллекторные двигатели, мотор-насос — от ВЛ80, с асинхронным двигателем, так как он работает только при езде электровоза на переменном токе и получает питание переменным током от трансформатора. МВ № 3 и № 4 подключены к отпайкам пуско-тормозного реостата и получают питание при протекании по реостату тока, обдувая реостат. Двигатели МВ № 1, МВ № 2 и МК имеют каждый свой контактор, демпферный резистор (ограничивающий пусковой ток) и сглаживающий реактор. Пуск МК — реостатный, через несколько секунд после включения часть демпферного резистора закорачивается. На вал МВ № 1 насажен генератор тока управления. Генератор синхронный трёхфазный с выпрямителем, в отличие от архаичных коллекторных генераторов электровозов ВЛ8, ВЛ10, ВЛ11, ВЛ60.
Для выбора режима работы силовой схемы на каждой секции установлены 5 групповых переключателей, одинаковых по конструкции, но различающихся числом контактов:
| Название | Реверсор | Тормозной переключатель | Переключатель вентилей | Переключатель двигателей |
| Назначение | Выбор направления | Тяга/Электроторможение | Вкл./откл. тр-ра и выпрямителя | Сбор аварийной схемы |
| Схемный номер | 63 (как и на ВЛ80) | ПТ | 48 | ПД1, ПД2 |
| Число силовых контактов | 8 | 10 | 4 | 6 |
Реверсор 63 переполюсовывает обмотки возбуждения ТЭД, ПТ включает двигатели в перекрёстную тормозную схему (якори ТЭД первой тележки включаются последовательно с обмотками возбуждения ТЭД второй тележки и наоборот), ПВ 48 совместно с крышевым переключателем рода тока ПРТ 7 переключает электровоз между режимами работы постоянном или переменном токе. ПД1 и ПД2 служат для подключения двигателей отказавшей секции к двигателям исправной, это особенность схемы ВЛ82 и ВЛ82М — если на прочих электровозах неисправная пара двигателей просто выключается из схемы секции, то здесь исправная подключается в схему другой секции. ПД управляются тумблерами в углу пульта машиниста, при развороте ПД1 двигатели 1-й тележки включаются последовательно в схему другой секции, при развороте ПД2 — двигатели 2-й, при развороте обоих обе тележки включаются в схему другой секции. При развороте любого ПД блокируется переход на параллельное соединение. Это используется как при некоторых отказах на одной из секций, так и при необходимости более плавного трогания и разгона (например, после остановки на подъёме). Схема с одним развёрнутым ПД называется 6-моторной, с двумя — 8-моторной.
По результатам испытаний на Северо-Кавказской железной дороге завод построил до 1968 года ещё 22 электровоза серии ВЛ82.
Первоначально электровозы ВЛ82 эксплуатировались на участке Свеча — Буй — Ярославль Северной железной дороги, а после постройки станции стыкования были переданы в депо Купянск Южной дороги. В 1977—1980 годах большинство локомотивов были переданы в депо Минеральные Воды Северо-Кавказской железной дороги.
По состоянию на начало 2010-х годов все электровозы были списаны и отстранены от эксплуатации. Электровоз ВЛ82-016 было решено сохранить в качестве музейного, в настоящее время он находится на площадке Ростовского музея железнодорожного транспорта на станции Гниловская в Ростове-на-Дону. Интересный факт, что при оформлении обложки[1] для альбома «Runaway Train» группы Soul Asylum использовалось фото электровоза ВЛ82-016.
ВЛ82М
С 1972 года Новочеркасский электровозостроительный завод начал выпуск усовершенствованного варианта двухсистемного электровоза, получившего обозначение ВЛ82М. Всего до 1979 года включительно было построено 67 таких локомотивов.
От своих предшественников новые локомотивы отличаются изменённой конструкцией кузова (вместо одиночных больших круглых буферных фонарей на лобовой части установлены двойные с козырьком как на ВЛ80Т, изменены боковые стенки), уменьшенным передаточным числом, разработанными специально для них новыми тяговыми электродвигателями НБ-407Б, изменениями в схеме электроцепей, новым контроллером машиниста, токоприёмниками и пр. Вес электровоза с 2/3 запаса песка составил 200 т против 188 т для ВЛ82. Различия в конструкции кузова и тележек между ВЛ82 и ВЛ82М такие же, как между ВЛ10 и ВЛ10У или ВЛ80К и ВЛ80Т — установлены круглые окна машинного отделения вместо прямоугольных большой площади, боковые опоры заменены люлечными подвесками. Главное отличие в электрической части — вместо силового контроллера ЭКГ-82 применены индивидуальные линейные и реостатные контакторы и групповые переключатели соединений, контроллер машиниста выполнен по типу контроллера электровоза ВЛ10.
Эксплуатировались электровозы серии ВЛ82М в депо Купянск Южной железной дороги (и эксплуатируются ныне), депо Красноуфимск (до оборудования станции стыкования), депо Минеральные Воды Северо-Кавказской дороги и в депо Волховстрой Октябрьской железной дороги для вождения поездов от Выборга до границы с Финляндией.
По мере поступления на железные дороги электровозов серии ВЛ82М электровозы ВЛ82 из-за склонности к боксованию (следствие меньшей массы и меньшего числа позиций) переводились на работу с пассажирскими поездами.
ВЛ82М-069
ВЛ82М-077
Кулачковый переключатель перехода ПКГ-169
Устройство определения рода тока

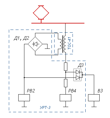
Задача устройства определения рода тока — надёжно автоматически определять род тока (переменный или постоянный) на токоприёмнике электровоза и выдавать сигналы на соответствующие переключения в высоковольтных цепях — в частности, на разворот переключателя рода тока ПРТ. На электровозах ВЛ82 и ВЛ82М эту задачу выполняет устройство УРТ-3, работающее в паре с сухим однофазным трансформатором ТОС-41, первичная обмотка которого одним выводом подключена к крышевой шине токоприёмников, а вторым выводом к УРТ-3. Вторичная обмотка, при первичном напряжении 25 кВ выдающая напряжение 160 В, также подключена к УРТ.
При появлении на крышевой шине постоянного тока напряжением 2,2-4 кВ ток проходит через первичную обмотку ТОС, добавочные резисторы и катушку реле РВ4, вызывая срабатывание реле. Реле своими контактами подаёт питание на вентиль постоянного тока ПРТ, низковольтную катушку вентиля защиты ВЗ, подающего сжатый воздух в блокировки высоковольтной камеры, и создаёт цепь удержания БВ.

При переменном токе на токоприёмнике напряжение понижается ТОС, выпрямляется мостом, собранным из двух высоковольтных диодных сборок Д1 и Д2, и вызывает включение реле РВ2. Это, в свою очередь, вызывает разворот ПРТ в положение переменного тока, создание цепей удержания БВ и ГВ и подачу питания на низковольтную катушку ВЗ. Реле РВ4 при этом не срабатывает, так как в дополнение к активному сопротивлению в цепи появляется значительное индуктивное (реактивное — сопротивление переменному току) сопротивление первичной обмотки ТОС, имеющей 1350 витков. Поэтому, несмотря на значительное повышение напряжения, почти всё оно падает на первичной обмотке ТОС и для включения РВ4 оказывается недостаточным.
На высоковольтную катушку ВЗ напряжение подаётся через диодную сборку Д3. При отсутствии этой сборки ток из цепи РВ2 перетекал бы в цепь РВ4 (или наоборот), что вызывало бы неизбежное срабатывание обоих реле. Таким образом, Д3 служит для развязки.
На упрощённой принципиальной схеме УРТ не показаны некоторые элементы — реле РВ1 и РВ3, включённые параллельно соответственно реле РВ2 и РВ4 для дублирования (повышения надёжности работы) и развязывающая диодная сборка Д4 в цепи питания ВЗ от цепи реле РВ3, РВ4. УРТ-3 смонтировано на текстолитовой панели, ТОС-41 установлен отдельно.
- Модернизация электровоза ВЛ82М (оснащение системой аналитической помощи BYDRAIL-VL82M1S ООО «БУДВИЖЕН»)
Модернизированный ВЛ82М-080 (ТЧ-15 ЮЖД Купянск-сортировочный Украина)
Интерьер кабины машиниста (ТЧ-15 ЮЖД Купянск-сортировочный Украина)
Монитор системы в кабине машиниста (ТЧ-15 ЮЖД Купянск-сортировочный Украина)
Примечания
- ↑ Astad Incorporated-Inc. Уникальные ЖД фото. vk.com (21 июля 2017). Дата обращения: 21 июля 2017.
Ссылки
- Фотографии и приписка ВЛ82 на сайте RailGallery
- Фотографии ВЛ82 на сайте «Паровоз ИС»
- Фотографии ВЛ82 на сайте Photo RZD
- Фотографии ВЛ82 на сайте Train Photo
- Система аналитической помощи BYDRAIL-VL82M1S для электровоза ВЛ82М на сайте ООО «БУДВИЖЕН»
Литература
- Абрамов Е.Р. Электровозы серий ВЛ82 и ВЛ82М // Электроподвижной состав отечественных железных дорог. — М., 2015. — С. 258—263.
- Раков В. А. Электровозы серий ВЛ82 и ВЛ82М // Локомотивы отечественных железных дорог 1956 - 1975. — М.: Транспорт, 1999. — С. 130—134. — ISBN 5-277-02012-8. Архивная копия от 24 мая 2014 на Wayback Machine