Блюмлейн, Алан
| Алан Дауэр Блюмлейн | |
|---|---|
| англ. Alan Dower Blumlein | |
![]() Фотография 1932 или 1933 года | |
| Дата рождения | 29 июня 1903 |
| Место рождения | Хампстед, Лондон, Великобритания |
| Дата смерти | 7 июня 1942 (38 лет) |
| Место смерти | близ деревни Уэлш-Бикнор, Херефордшир, Великобритания |
| Страна | |
| Род деятельности | изобретатель, звукорежиссёр, инженер-электрик, инженер |
| Научная сфера |
телефония звукозапись телевидение радиолокация схемотехника |
| Место работы |
IWE (1924—1928) EMI (1929—1942) |
| Альма-матер | Имперский колледж Лондона |
| Научный руководитель |
Эдвард Маллетт (1923—1924) Исаак Шёнберг (1929—1942) |
А́лан Да́уэр Блю́млейн, в русской литературе также Блю́мляйн[1] (англ. Alan Dower Blumlein, 29 июня 1903 — 7 июня 1942) — британский инженер по электротехнике и электронике, работавший в областях телефонии, записи и воспроизведения звука, телевидения и радиолокации. Многолетний ведущий конструктор компании EMI, разработчик британской системы телевизионного вещания с разложением на 405 строк и главный конструктор первого лондонского телецентра. В годы Второй мировой войны — конструктор и организатор производства радиолокационных станций (РЛС). Погиб в авиакатастрофе при испытаниях бортовой авиационной РЛС.
За семнадцать лет профессиональной деятельности Блюмлейн стал автором 128 изобретений, включая матричную обработку стереозвука, стереомикрофон Блюмлейна, импульсный генератор Блюмлейна, ультралинейный выходной каскад, трансверсальный фильтр[2][3], щелевую антенну[4] и систему стереофонической звукозаписи 45/45, которая стала мировым стандартом в 1950-е годы. Блюмлейн развил теорию и практику применения базовых схемотехнических узлов — усилителей с общей отрицательной обратной связью, катодных повторителей, дифференциальных каскадов и интеграторов. Работы Блюмлейна заложили основу схемотехники британских электронно-вычислительных машин первого послевоенного поколения[5], аналогового телевидения, формирования и обработки радиолокационных и видеосигналов[6].
Биография
Происхождение. Ранние годы (1903—1925)
Отец Алана, коммерсант Земми Блюмлейн (1863—1914), происходил из многодетного рода баварских евреев[7][8]. Проведя юность в Ливерпуле, в восемнадцать лет Земми отправился искать удачу в Южную Африку[9][8]. К 1883 году он обосновался в Кокстаде[10], где познакомился с семьёй шотландского миссионера Уильяма Дауэра, проповедовавшего пресвитерианское учение народу гриква[11]. В 1889 году Земми обвенчался по пресвитерианскому обряду со старшей дочерью Дауэра, Джесси[12]; в 1891 году в семье родилась дочь Мина-Филиппина[13]. В начале Англо-бурской войны Блюмлейны бежали из занятой Китченером Претории в Великобританию[14][8]. В Лондоне Земми нашёл себе доходное место управляющего банком[комм. 1] и арендовал просторный дом на улице Неверхолл-Гарденс в престижном районе Хампстед[17]. Доходы Земми Блюмлейна от должностей в банке, в «Свазилендской корпорации»[комм. 2] и в «Обществе Кыштымских заводов» позволяли не только содержать собственный дом, но и оплачивать услуги горничной, кухарки и няни[19].
Здесь, в доме на Неверхолл-Гарденс, 29 июня 1903 года Джесси Блюмлейн родила Алана[20]. Мальчик с шести лет обучался в частных подготовительных школах Лондона[21], а с десяти лет — в экспериментальном загородном пансионе Сесила Редди[22]. Учителя Алана ещё в 1910—1911 годах отметили странность его интеллекта: при хороших успехах в арифметике и посредственных в чтении Блюмлейн не мог осилить английскую орфографию[21][23]. Словесность была ему чужда, он не хотел и не мог читать «поэзию и тому подобное»; ничто не могло заставить своевольного ребёнка изучать неинтересные ему предметы или темы[24]. Однако в возрасте одиннадцати-двенадцати лет Алану довелось испытать череду потрясений, совпавшую во времени с естественным процессом взросления и изменившую отношение к учёбе[24]. 28 июля 1914 года, в день, когда Австро-Венгрия объявила войну Сербии, скоропостижно скончался отец Блюмлейна[25][26]. С началом войны сверстники начали открыто преследовать Алана за «немецкую» фамилию[27]. В январе 1915 года[28] Блюмлейн, по воле матери, оказался в загородном интернате, специализировавшемся на натаскивании отстающих детей[24]. Вероятно, Алан и сам осознавал, что его безграмотность нетерпима[26]. За двадцать месяцев интенсивных занятий он освоил основы правописания, но так и не смог полностью преодолеть дисграфию и в течение всей жизни писал с характерными «блюмлейновскими» ошибками[29][26]. В его последнем письме, отправленном за два дня до гибели, содержалось «всего» девять грубых ошибок на две страницы[29].
В 1916 году Алан сумел заслужить две стипендии на обучение в престижных частных школах[26]. Мать, зная склонность сына к технике, отказалась от права на поступление в классическую гимназию и устроила Алана в лондонскую частную школу с естественнонаучным уклоном Хайгейт[30]. В октябре 1921 года Блюмлейн поступил на электротехническое отделение Имперского колледжа Лондона; благодаря отличной подготовке в Хайгейте Блюмлейн был зачислен сразу на второй курс отделения и получил одну из шести доступных стипендий для лучших студентов[31]. Три курса Блюмлейн успешно прошёл всего за два года; летом 1923 года, в возрасте двадцати лет, он с отличием сдал экзамены на степень бакалавра[32]. К этому времени он уже решил, что выбранная специальность — силовая электротехника — его не привлекает[33][34]. Блюмлейн сделал выбор в пользу радиоэлектроники. Он отказался от работы по специальности и от профильной магистратуры и устроился ассистентом (англ. assistant demonstrator) к профессору Эдварду Маллетту, читавшему в Имперском колледже курс радиосвязи[33][34]. За год работы с Маллеттом Блюмлейн освоил азы зарождавшейся электроники, опубликовал первые научные работы и обзавёлся полезными связями. Рядом с Блюмлейном работали будущий изобретатель импульсно-кодовой модуляции Алек Ривз и пионер звуковой техники Гилберт Даттон; многие студенты профессора Маллетта позже вошли в исследовательскую группу Блюмлейна в EMI[33][34].
Год спустя Маллетт убедился, что талантливый ученик перерос возможности колледжа, и помог ему устроиться в лондонское отделение тогдашнего технологического лидера — американской компании Western Electric[35][36]. Компания, придерживавшаяся политики не нанимать евреев, поначалу отказывала Блюмлейну из-за его фамилии, и лишь личное обращение Маллетта помогло Алану получить место инженера в лаборатории телефонных линий[37]. В первые полгода работы на Western Electric Блюмлейну довелось заниматься разнообразными, не связанными друг с другом мелкими задачами — от измерения характеристик новейших пермаллоев до проверки слуха коллег и построения усреднённых аудиограмм[38]. Заполучив новейший американский конденсаторный микрофон Венте, Блюмлейн первым догадался размещать предварительный усилитель, согласующий высокое внутреннее сопротивление конденсатора с ёмкостью сигнального кабеля, непосредственно в корпусе микрофона[39]. В публикациях Western Electric подобная конструкция появилась лишь в 1928 году; была ли при этом использована идея Блюмлейна или американцы пришли к тому же решению сами — неизвестно[39].
Работы в телефонии (1925—1929)
В феврале 1925 года, успешно пройдя испытательный срок, Блюмлейн перешёл в отдел, занимавшийся вопросами электромагнитных помех в телефонных линиях и приёмо-сдаточными испытаниями новых линий[40]. В странах континентальной Европы, недавно договорившихся о стандартизации телефонных сетей, шло бурное строительство международных линий[41], а проблема помех стояла остро, так как телефонные кабели обычно прокладывались вдоль существующих линий электропередачи и контактных проводов железных дорог[40]. Western Electric активно осваивала новые рынки, и Блюмлейн провёл большую часть 1925—1927 годов во Франции и Швейцарии[42]. В марте 1927 года Блюмлейн (в соавторстве с инженером компании Джонсом) получил свой первый патент на изобретение помехозащищённой нагрузочной катушки, отличавшейся особо низким переходным затуханием, а затем разработал технологию её производства[43]. Катушка Блюмлейна немедленно пошла в серию; зимой 1927—1928 годов сам изобретатель прошёл горным маршрутом по швейцарским перевалам, тщательно проверяя уровень помех на каждом участке только что проложенной линии Альтдорф — Сен-Готард — Италия[44]. Здесь в декабре 1927 года Блюмлейн сформулировал идею нового изобретения — трансформаторного измерительного моста для измерения и балансировки ёмкостей кабельных линий[45]. Мост Блюмлейна, качественно превосходивший существовавшие мосты Уитстона, был запатентован и запущен в серию в течение 1928 года; даже спустя полтора десятилетия мосты Блюмлейна считались наиболее точными, наиболее дешёвыми и простыми в использовании приборами своего рода[46].
В 1928 году Блюмлейн перешёл из Western Electric в британскую телекоммуникационную компанию Standard Telephones and Cables (STC), где занимался «весьма конфиденциальными проблемами» (англ. more confidential problems) подводных линий связи[47]. О существе этих проблем можно судить лишь косвенно, по выданным в 1929 году патентам на средства измерения характеристик и способы экранирования подводных кабелей[47][48]. Всего же за четыре года работы в телефонном подразделении Western Electric и в STC (с февраля 1925 по март 1929 года) Блюмлейн оформил восемь патентов на изобретения[48].
Разработка системы звукозаписи EMI (1930—1931)

В начале 1929 года технический руководитель[комм. 3] звукозаписывающей компании Columbia Graphophone Исаак Шёнберг решил разработать собственную фирменную систему электрической граммофонной записи[51]. Компания с 1925 года применяла американскую систему Максфилда и Гаррисона и по условиям лицензионного договора платила «Лабораториям Белла» роялти в один дореформенный пенс за каждую пластинку[52][комм. 4]. Чтобы законно прекратить уплату роялти, Шёнбергу требовалось собственное, патентно чистое звукозаписывающее оборудование; для его разработки хедхантеры Columbia и переманили из STC Блюмлейна — лучшего из доступных тогда кандидатов[51][54]. Как показало ближайшее будущее, Алан ушёл из STC вовремя: начавшийся в октябре 1929 года кризис разорил компанию; STC выжила, но её подразделение, где работал Блюмлейн, было навсегда закрыто[55].
Рекордер (звукозаписывающая головка) с подвижным сердечником, разрабатывавшийся инженерами Columbia до прихода Блюмлейна, отличался неприемлемо высокими нелинейными искажениями; по меркам 1920-х годов он был лишь условно пригоден для записи европейской музыки, но совершенно не годился для японской музыки[56][57][комм. 5]. Оценив конструкцию, Блюмлейн понял, что его предшественники изначально шли по неверному пути. Всем устройствам с подвижными сердечниками (иначе, устройствам электромагнитной системы) свойственны высокие искажения; в звуковой технике следовало отдать предпочтение более линейным и более точным рекордерам с подвижными обмотками (устройствам электродинамической системы)[58]. Этим устройствам не требуется механический демпфер собственных колебаний (именно он составлял «изюминку» американского патента): его роль выполняет противоэлектродвижущая сила однородного магнитного поля[58].
В октябре 1929 года Блюмлейн составил первый подробный проект рекордера нового поколения[59]. Ключевой элемент изобретения — подвижная обмотка, подвешенная в поле мощной, неподвижной возбуждающей обмотки, — представлял собой единственный виток, выточенный из бруска алюминия[59]. Таким образом, рассуждал Блюмлейн, можно было одновременно минимизировать и электрическое сопротивление подвижной обмотки, и её момент инерции и массу, что позволяло записывать частоты до 15 кГц[59][комм. 6]. Первый вариант конструкции был забракован из-за неприемлемо высоких потерь энергии в магнитной системе. Блюмлейн полностью переработал конфигурацию головки, сохранив принцип её действия, а затем к проектированию подключился инженер-механик Герберт Холман[60]. Затем Блюмлейн, Холман и Генри Кларк разработали для Columbia Graphophone и собственный, патентно чистый динамический микрофон[61][62]. Законченная, работоспособная система студийной звукозаписи — от микрофона до звукозаписывающего станка — была отлажена и подготовлена к эксплуатации всего за полгода[63]. Три человека смогли не только составить конкуренцию многотысячной корпорации с практически неограниченным бюджетом, но и нашли принципиально лучшие решения, основанные на фундаментально линейных, мало подверженных искажениям явлениях[64].
Первые записи по системе Блюмлейна были выполнены 22 января 1931 года, за несколько недель до объединения Columbia и The Gramophone Company в компанию EMI[54]. В сентябре 1931 года в ещё строящейся студии EMI «Эбби-Роуд» начались сравнительные испытания, закончившиеся убедительной победой системы Блюмлейна над американским аналогом; в июле 1932 года начался переход всех подразделений EMI на новую технологию[54]. К середине 1930-х годов система Блюмлейна стала де-факто национальным стандартом Великобритании[53]. Рекордеры Блюмлейна интенсивно использовались студиями до начала Второй мировой войны, а отдельные образцы прослужили до 1960-х годов[64]. Микрофоны семейства HB1 (Holman—Blumlein) использовались при записи грампластинок EMI с весны 1931 по 1955 год; именно они определили высочайшее для своего времени качество фортепианных записей EMI 1930-х и 1940-х годов[64].
Стереофоническая звукозапись (1930—1935)
Стереофоническое или, точнее, бинауральное[комм. 7] воспроизведение звука было известно задолго до рождения Блюмлейна. Ещё в 1881 году Клеман Адер запатентовал и вывел на рынок «театрофон» — систему прямой трансляции звука по телефонным линиям[66]. Стереофонический вариант «театрофона», продемонстрированный на парижской выставке 1881 года, не нашёл спроса из-за низкого качества звучания и необходимости использовать две телефонные линии (для левого и правого стереоканалов)[66]. В годы Первой мировой войны вопросы бинаурального слуха изучались применительно к задачам противовоздушной обороны и контрбатарейной стрельбы. В 1930—1931 годах стереофонией занялись, независимо друг от друга, Артур Келлер и Харви Флетчер из «Лабораторий Белла» и Блюмлейн[67]. Использовал ли Блюмлейн наработки американцев, и если да, то насколько — достоверно неизвестно; вопрос о приоритете в разработке идеи стереофонии не имеет решения[68].
Конструкторы шли к цели принципиально разными путями. Келлер, расставив вдоль сцены линейку микрофонов, пытался регистрировать широкий «акустический фронт»[69]. Усиленные сигналы микрофонов поступали на линейку громкоговорителей, которая имитировала «акустический фронт» концертного зала[69]. Минимальная работоспособная стереосистема Келлера состояла из трёх каналов; она достаточно точно воспроизводила ширину стереосцены и отчасти её глубину, но лишь для слушателей на оси центрального канала[69]. Попытки обойтись всего двумя каналами закончились неудачей: во всех испробованных конфигурациях стереосцена разваливалась на два изолированных источника звука[70]. Блюмлейн и Флетчер поступили иначе: вместо имитации излучаемого оркестром фронта они решили моделировать звуковые сигналы, достигающие ушей слушателя. При таком подходе, рассуждал Блюмлейн, можно было ограничиться всего двумя микрофонами, имитирующими левое и правое ухо слушателя[70]. Однако если для записи используются обычные микрофоны давления, то качественно воспроизвести бинауральную запись можно только через наушники[71]. При воспроизведении громкоговорителями стереоэффект слабеет или полностью пропадает[71]. Причина этого — в безвозвратной утрате информации о фазах «левого» и «правого» сигналов, которая необходима человеку для корректной локализации звуковых образов[70]. Избежать этого, полагал Блюмлейн, можно было, перекодировав разницу фаз между левым и правым каналами в разницу их амплитуд[72]. Если сдвиг фаз указывает на то, что источник сигнала локализован слева от слушателя, следует увеличить амплитуду левого канала и уменьшить амплитуду правого, и наоборот[72]. Для выполнения этой манипуляции Блюмлейн предложил особый процессор сигнала (англ. Blumlein shuffler, «тасовщик Блюмлейна»), перекачивающий энергию из одного канала в другой в зависимости от фазы разностного сигнала подобно тому, как изобретённый полвека спустя декодер Dolby Surround «перекачивает» энергию из боковых каналов в центральный[72]. Аналогия не случайна: процессоры Dolby опираются на принципы матричной обработки суммарного и разностного сигналов, изложенные Блюмлейном в 1931 году[72].
14 декабря 1931 года Блюмлейн подал в патентное ведомство заявку на изобретение, которая два года спустя воплотилась в патент Великобритании № 394325 — основополагающую, фундаментальную работу по основам стереофонии[74][75]. 24 страницы патента содержали краткое изложение психоакустической теории стереофонии и семьдесят пунктов формулы изобретения[74]. Блюмлейн рассмотрел вопросы записи различными типами микрофонов, различные варианты записи оптических фонограмм звукового кино, предложил использовать для записи механических фонограмм не воск, а тонкий слой ацетилцеллюлозы[74] (что вошло в практику уже после его смерти). Главной же составляющей патента 394325 стало изобретение двухкомпонентной граммофонной стереозаписи системы 45/45[74]. При такой записи сигналы левого и правого стереоканалов возбуждают взаимно перпендикулярные колебания резца, направленные под углом 45° к поверхности диска[76]. В отличие от известной с 1910 года «системы 0/90», в которой один канал кодировался поперечными, а другой — глубинными колебаниями резца, два канала системы 45/45 практически идентичны, а сама пластинка полностью совместима с обычными, монофоническими, проигрывателями поперечной записи[76]. В 1957 году блюмлейновская система 45/45 стала европейским стандартом стереофонической грамзаписи, в 1958 году её признали американские компании[77]. Эксперты компании Westrex[комм. 8], владевшей патентом США на «заново изобретённую» систему 45/45, были шокированы, узнав о существовании патента Блюмлейна (к этому времени срок его охраны давно истёк)[77]. Американское Общество звукотехники признало приоритет Блюмлейна[79], а Ассоциация звукозаписывающих компаний продолжала именовать систему 45/45 «стандартом Westrex», что вызывало у британцев публичное негодование[80].
В течение 1933 года группа Блюмлейна (в ней в разное время работали от пяти до девяти человек) разработала и построила опытный комплект оборудования для стереофонической грамзаписи[81]. В декабре 1933 года — через полтора года после первых стереозаписей Келлера, выполненных по двухдорожечной схеме, — Блюмлейн записал в лаборатории EMI десять первых стереофонических дисков системы 45/45[82][83]. 19 января 1934 года в студии Эбби-Роуд состоялась первая стереофоническая запись Лондонского филармонического оркестра[82][83]. Летом 1935 года Блюмлейн снял серию коротких кинофрагментов с синхронной записью стереозвука на оптические дорожки[84]. Техническая возможность создания механических и оптических стереозаписей была доказана, но рынок и промышленность не были готовы к их внедрению[85]. Глава EMI Луи Стерлинг считал, что в кинематографе оно может состояться не ранее перехода на цветную плёнку; в грамзаписи предстояло заменить шумные шеллаковые диски на долгоиграющие пластинки[85]. Блюмлейн попытался решить эту проблему, но ни один испробованный им состав не дал ощутимых результатов[85]. На этом работы по бесперспективной в то время стереофонии были прекращены[73][комм. 9].
Работы в телевидении (1933—1939)
- Об истории телевидения во всемирном контексте см. Изобретение телевидения и начало регулярного вещания

Разработка электронного телевидения стала главной, стратегической целью EMI ещё в 1931 году[87]. Блюмлейн, получив от Шёнберга щедрое финансирование и практически неограниченные полномочия, возглавил телевизионный проект в марте 1933 года[88][89]. Следующий, 1934 год стал, вероятно, самым плодотворным для Блюмлейна и исключительно успешным годом в истории телевидения[90]. В Германии началось ежедневное телевещание с разложением на 180 строк, в США Владимир Зворыкин совершенствовал свою 343-строчную систему. Фило Фарнсворт, отстранённый волей RCA от крупномасштабных исследований, консультировал и немцев, и британцев[90]. Отношения RCA и подконтрольной ей EMI[комм. 10], напротив, складывались успешно. Запрет на разработку передающей телеаппаратуры, наложенный на EMI Давидом Сарновым[92], был снят ещё в 1933 году[93]. Американцы подробно информировали британцев о работах Зворыкина[94][95][96] и передали в распоряжение EMI образец разработанного им иконоскопа[97]. Ранний вариант иконоскопа оказался непригоден для коммерческого телевещания; Зворыкин столкнулся с, казалось бы, непреодолимыми техническими сложностями[97][98].
Шёнберг, опасавшийся упустить время, принял решение разрабатывать передающую трубку самостоятельно[98]. Летом 1933 года он нанял группу молодых учёных-физиков из Оксфорда и Кембриджа[98] и возложил на Блюмлейна обязанность интеграции учёных в прикладной, коммерческий проект[99]. В январе 1934 года подчинённая Блюмлейну группа Джеймса Макги изготовила первую работоспособную трубку собственной, патентно чистой конструкции — эмитрон[100]. Из-за выбранной оптической схемы первые эмитроны, как и иконоскоп Зворыкина, отличались высокими искажениями перспективы и чрезмерными помехами от вторичной эмиссии электронов с мишени[101]. Задачу коррекции перспективы Блюмлейн, Браун и Уайт решили чисто схемотехническими методами[101]. Радикальное решение проблемы помех — замедление сканирующего луча до скоростей, исключающих вторичную эмиссию (англ. cathode potential stabilization, c. p. s), — было предложено Блюмлейном и Макги одновременно и независимо друг от друга и запатентовано ими совместно в июле 1934 года[102]. В сентябре 1934 года Блюмлейн запатентовал два основополагающих[103] для видеотехники изобретения — катодный повторитель и технологию восстановления постоянной составляющей видеосигнала[104].
Второе полугодие 1934 года Блюмлейн провёл в переговорах в рамках Телевизионного комитета — консультативного органа при министерстве связи, ответственного за выработку национального стандарта телевещания[105]. Именно с подачи Блюмлейна были приняты ключевые характеристики видеосигнала британской системы: соотношение сторон экрана 5:4[106], передача постоянных уровней чёрного и белого[107], позитивная амплитудная модуляция видеосигнала, передача 50 полукадров в секунду с чересстрочной развёрткой и разложение видеокадра на 405[комм. 11] строк — вдвое больше, чем планировал сам Блюмлейн в начале 1934 года[108]. Полоса частот видеосигнала достигла неслыханных для своего времени 2,4 МГц[106]. В феврале 1935 года Шёнберг, после долгих колебаний, поддержал рискованное предложение и настоял на его принятии Комитетом[109]. Стандарт, получивший в британской литературе имя Блюмлейна (англ. Blumlein waveform), действовал почти полвека — с начала 1937 по 1986 год[110][111].
В 1935 году Блюмлейн возглавил проектирование, а в 1936 году — монтаж и наладку телецентра Би-Би-Си в Александра-паласе[112]. Из семнадцати ключевых патентов, заложенных в конструкцию телецентра, девять принадлежали Блюмлейну; всего же за годы работы в телевидении (с начала 1933 по август 1939 года) он стал автором 75 патентов в самых разных отраслях электроники — от технологии изготовления передающих трубок[112] до совмещения изображений с нескольких камер при комбинированной съёмке[113].
2 ноября 1936 года передатчик Александра-паласа начал опытное, пока ещё нерегулярное телевещание[114][комм. 12]. Механическое телевидение Бэрда было отвергнуто[116]; американцы, оценив превосходство британского подхода, интегрировали его технические решения в собственные стандарты[117][2][комм. 13]. На зарождающемся рынке электронного телевидения воцарилась дуополия RCA и EMI[116][118]; германские, советские, французские и японские инженеры постепенно отказались от совершенствования самобытных систем и занялись внедрением английских и американских технологий[119]. Настоящим триумфом группы Блюмлейна стала трансляция коронационной процессии[комм. 14] 12 мая 1937 года, которую смотрели в прямом эфире около пятидесяти тысяч человек[117]. Шёнберг заблаговременно поручил Блюмлейну обеспечить надёжную связь репортажных камер с телецентром в Александра-паласе, и ко дню коронации в центре Лондона была развёрнута сеть из разработанных Блюмлейном видеокабелей и передвижных телестанций[121][122]. Строительство спроектированной Шёнбергом национальной телевещательной сети планировалось на 1941—1945 годы; к этому времени следовало решить множество различных проблем передачи и приёма эфирного сигнала[123].
Работы в радиолокации (1939—1942)
Ещё в 1933 году Блюмлейн по собственной инициативе пытался вывести EMI на рынок военного оборудования, но его контакты с представителями подводного флота закончились безрезультатно[124]. Первую чисто военную разработку — устройство электронной визуализации сигналов, принимаемых звукопеленгаторами, — Блюмлейн выполнил накануне Второй мировой войны. В конце 1938 года EMI получила заказ на производство звукопеленгаторов Mark VIII; работа этих устройств полностью зависела от слуха и навыков оператора-«слухача»[125]. Блюмлейн, используя свои наработки по стереофонии, дополнил звукопеленгатор двухкоординатным «тасовщиком», который преобразовывал разности фаз принимаемого сигнала в разности их амплитуд[126]. Обработанный таким образом сигнал легко визуализировался на экранах осциллографических трубок, указывавших азимут и угол возвышения цели[126]. Индикатор Блюмлейна был немедленно запущен в крупносерийное производство и массово применялся частями ПВО вплоть до развёртывания полностью радиолокационных систем управления зенитным огнём[127]. В начале войны Блюмлейн попытался применить те же принципы стереофонии к радиолокаторам дальнего обнаружения воздушных целей[128]. Уже осенью 1939 года EMI начала испытания опытной РЛС, работавшей на несущей частоте 66 МГц[129]; в первой половине 1940 года Блюмлейн подготовил проект полномасштабной сканирующей допплеровской РЛС с несущей частотой 60 МГц[130].
В ходе этих работ Блюмлейн изобрёл и запатентовал ряд ключевых для радиолокации способов формирования, детектирования и фильтрации сигналов[131], но во второй половине 1940 года радиолокационный проект EMI был закрыт. Начало «битвы за Британию» изменило приоритеты: военные власти приостановили совершенствование уже действовавших систем дальнего обнаружения и сосредоточились на разработке радиолокационных систем управления зенитным огнём и бортовых РЛС для ночных перехватчиков[132]. Единственным разработчиком этих систем стал государственный Институт дальней связи (AMRE, с ноября 1940 года TRE); частные компании привлекались к опытно-конструкторским работам лишь по мере необходимости. Уникальный опыт по строительству систем и сетей, накопленный Блюмлейном и его учениками в ходе телевизионного проекта EMI, оказался востребован слишком поздно[133].

В апреле 1940 года военные возложили на EMI задачу снижения минимального радиуса действия бортовой авиационной РЛС AI Mk. IV[134]; за месяц Блюмлейн сумел снизить ключевой для ночных перехватчиков показатель с 330 м до 140 м[135]. Усовершенствованная РЛС начала поступать в войска в сентябре 1940 года[135] и активно использовалась в заключительной фазе обороны Англии от массовых бомбардировок в марте — мае 1941 года[136]. За Mk. IV последовала промежуточная модификация Mk. V, использовавшая блюмлейновскую схему селекции отражённых импульсов[137]. В октябре 1940 года[138], вскоре после начала «лондонского Блица», Блюмлейн возглавил разработку принципиально новой РЛС сантиметрового диапазона Mk. VI, предназначенной для скоростных одноместных перехватчиков[139][комм. 15]. Два месяца спустя прототип Mk. VI, созданный группой Блюмлейна «с чистого листа», впервые поднялся в воздух[138]. К апрелю 1941 года Блюмлейн устранил «детские болезни» новой РЛС; в августе 1941 года EMI передала опытную партию серийных Mk. VI в войска[138]. Блюмлейновский принцип автоматического стробирования, впервые применённый в Mk. VI, впоследствии использовался во всех британских РЛС и системах целеуказания 1940-х годов и в ранних образцах американских РЛС[141][142]. Запатентованная в октябре 1941 года линия Блюмлейна, предназначенная для формирования коротких импульсов питания магнетронов, была впервые применена в РЛС управления зенитным огнём GL Mk. III и в морских РЛС Тип 261, 274 и 275, поступивших на вооружение после смерти изобретателя[143].
В январе 1942 года власти Великобритании возложили на EMI обязанность серийного выпуска авиационной РЛС обзора земной поверхности H2S, существовавшей лишь в виде эскизного проекта[144]. Группе Блюмлейна предстояло построить опытный образец, передать его на испытания и составить рабочую документацию для заводов-изготовителей[144]. Ключевой вопрос выбора излучающей лампы — клистрона или магнетрона — оставался нерешённым. Магнетроны имели втрое[145] бо́льшую дальность действия, были проще в серийном производстве и при этом практически неразрушаемы[146]. По этой причине верховное командование опасалось выпускать совершенно секретные магнетроны в полёты над Германией, и конструкторам H2S пришлось разрабатывать два параллельных варианта[146]. EMI отвечала за разработку РЛС на клистронах, Институт — за вариант на магнетронах[146]. Прототип РЛС на магнетроне был испытан первым 17 апреля 1942 года; дальность обнаружения целей не превысила нескольких миль. Прототип на клистроне был испытан 2 июня и оказался неработоспособным; тем временем конструкторы Института, как им казалось, устранили неполадки своего локатора[147]. Узнав об этом, Блюмлейн принял решение лично подняться в воздух для испытания усовершенствованного магнетронного варианта[147].
Гибель
5 июня 1942 года Блюмлейн подал в патентное ведомство последнюю в своей жизни заявку на изобретение и вместе со своими подчинёнными — инженерами Сесилом Брауном и Фрэнком Блайтеном — выехал из Лондона в Мелверн-колледж, где в то время базировался Институт дальней связи. В 14:50[148] 7 июня летающая лаборатория — переоборудованный тяжёлый бомбардировщик «Галифакс» — благополучно взлетела с аэродрома в Деффорде. На борту находились пять членов экипажа, трое конструкторов Института, Блюмлейн, Блайтен и Браун[149]. Через полтора часа после взлёта самолёт загорелся. Пожар, начавшийся с катастрофического разрушения четвёртого двигателя, быстро охватил всё правое крыло; несколько минут спустя «Галифакс» разрушился в воздухе и упал на землю в долине реки Уай, близ деревни Уэлш-Бикнор[150][149][151]. Все находившиеся на борту погибли[152][153]. На следующий день Шёнберг, вызванный на место катастрофы для опознания тел[комм. 16], лично сообщил о смерти Блюмлейна его вдове[154]. 13 июня останки погибших кремировали и захоронили в лондонском крематории Голдерс-Грин[155].
Факт смерти Блюмлейна не скрывался, но её обстоятельства были немедленно засекречены[156]. В опубликованном 10 июня некрологе Блюмлейна причина смерти «при исполнении обязанностей» не называлась; в опубликованных днём позже некрологах Блайтена и Брауна был упомянут «несчастный случай»[155]. Лишь одна лондонская газета прямо связала смерть Блюмлейна с военными исследованиями, тем самым поставив под удар лондонские лаборатории EMI[155]. Проведённое по требованию Уинстона Черчилля следствие установило, что непосредственной причиной катастрофы стала халатность механика, обслуживавшего моторы летающей лаборатории за несколько дней до вылета[157][151].
Личность
Интеллект
Блюмлейн, будучи лично скромным человеком, прекрасно осознавал уникальность своего таланта и, по свидетельствам коллег, испытывал иррациональный страх потерять изобретательский дар[158]. Феноменальный склад его интеллекта впервые проявился в студенческие годы[32]. Блюмлейн необычно легко усваивал научные знания и имел исключительную память[32]. Он, с одной стороны, мог обрабатывать новую информацию намного быстрее своих сверстников, а с другой — ему не требовались усилия, чтобы надолго сохранить её в памяти[32]. Люди, знавшие молодого Блюмлейна, утверждались во мнении, что ему «всё даётся без труда»; в действительности же мысленный труд Блюмлейна был намного эффективнее и быстрее, чем у обычного студента[32]. При этом Алан уже тогда выделялся недюжинным терпением, умением выслушать собеседника и исключительной работоспособностью[159]. В мирное время Блюмлейн то и дело, по собственной воле, проводил выходные в лаборатории[88]; в военные годы Блюмлейн обычно работал до десяти вечера, а по ночам, также по собственной воле[комм. 17], дежурил на посту противовоздушной обороны[164].
Стремление к совершенству и скорость мышления нередко становились причиной конфликтов: Блюмлейн мог «с ходу» решать задачи, которые не могли решить коллеги, и зачастую исправлял допущенные ими ошибки, что многим не нравилось — особенно тогда, когда практика доказывала, что «выскочка» Блюмлейн был прав[165]. Иногда скорость мышления проявлялась неожиданным образом. Блюмлейн, любитель авиационного, мотоциклетного и автомобильного спорта, был агрессивным, но умелым и удачливым водителем[166]. По свидетельствам коллег, за рулём он то и дело «рисовал» на лобовом стекле схемы и формулы: он продолжал работать, даже во время рискованных манёвров[166]. Пассажиры, уже напуганные скоростным дрифтом по ночному Лондону, приходили в ужас, но Блюмлейн всегда выходил сухим из воды[166].
Блюмлейн был способен одновременно вести несколько проектов и умел быстро переключаться с одной темы на другую[167]. Неоднократно ему по разным причинам приходилось оставлять завершение начатых работ коллегам и приступать к решению совершенно иных задач, подчас никак не связанных с его предшествующим опытом[167]. Этот опыт не пропадал зря; годы спустя Блюмлейн возвращался к давно закрытым темам. Так, в 1932 году, через четыре года после ухода из телефонии, Блюмлейн неожиданно запатентовал новую конструкцию нагрузочной катушки для телефонных линий; вероятно, идея пришла к нему в ходе конструирования магнитной системы стереофонического рекордера[158]. Алан Ходжкин, работавший с Блюмлейном в военные годы, сказал в 1977 году: «Многосторонность Блюмлейна подчас мешает нам увидеть подлинный масштаб его гения. Сегодня его бы назвали системным инженером — человеком, способным не только проектировать приёмники и передатчики, но и одновременно видеть и технологическую, и экономическую стороны проекта в целом. В 20-е и 30-е годы такие люди были наперечёт, а Блюмлейн стал [в своём деле] первопроходцем … первым системным инженером»[168].
Учитель и ученики
Блюмлейн не имел и не мог иметь академической подготовки по электронике: её, как учебной дисциплины, ещё не существовало[6]. В Имперском колледже Блюмлейн получил лишь базовое образование в области силовой электротехники; основы зарождавшейся электроники он изучал на практике, во время недолгой работы у профессора Маллетта и в Western Electric[6]. Рядом с Блюмлейном никогда не было формальных научных руководителей, но в марте 1929 года он приобрёл наставника и покровителя в лице Исаака Шёнберга[55].
В разгар Великой депрессии Шёнберг сумел собрать небольшой, но чрезвычайно эффективный коллектив блестящих инженеров, не имевший аналогов в британской истории[169][комм. 18][170]. Шёнберг не только распознал в Блюмлейне талант изобретателя, но и в течение тринадцати лет поддерживал его всеми ресурсами компании; выделенные Шёнбергом средства и вспомогательный персонал помогли Блюмлейну реализоваться как изобретателю[55][169]. Однако именно Шёнберг, установивший в EMI жёсткий режим секретности и непрерывно эксплуатировавший Блюмлейна-изобретателя, помешал тому состояться как учёному[171][172]. Блюмлейн не возражал; он был полностью погружён в практическую инженерную работу и не стремился к публичности[171]. За семнадцать лет профессиональной деятельности он лишь один раз выступил на научно-технической конференции и опубликовал одну статью в профессиональной прессе[173][171][комм. 19]. Джеймс Макги заметил по этому поводу: «Профессор Габор говорил, что Резерфорд мог бы, при должном стечении обстоятельств, стать великим изобретателем — то есть Блюмлейном. Я же полагаю, что именно Блюмлейн, в иных обстоятельствах, мог бы стать Резерфордом»[176].
Собственный преподавательский дар Блюмлейна впервые раскрылся во время недолгой работы ассистентом в Имперском колледже[159]. Студенты, учившиеся у Блюмлейна, вспоминали, что он умел терпеливо разъяснять самые сложные темы. Он всегда находил удачный момент, чтобы задать вопрос, и умел предельно точно сформулировать его, побуждая тем самым студента к самостоятельному решению неразрешимой до того проблемы[33]. Первым из известных поимённо учеников Блюмлейна стал будущий конструктор EMI, звукоинженер Эрик Нинд[177], а наиболее продуктивным как изобретатель — Эрик Уайт. Даже непродолжительная работа с мастером подчиняла ученика его идеологии[178]. Активными адептами блюмлейновской схемотехники стали конструкторы ЭВМ ACE Тед Ньюмен и Дэвид Клейден, пришедшие в EMI в 1939 и 1941 годах соответственно[178].
Коллеги и ученики Блюмлейна отмечали его исключительные скромность и щепетильность в вопросах авторства изобретений[88]. Блюмлейн не принадлежал к числу карьеристов, всегда готовых воспользоваться чужими идеями; напротив, он тщательно фиксировал личные вклады сотрудников и всегда отдавал им должное[88]. В 46[комм. 20] из 128 своих патентов Блюмлейн разделил авторство с коллегами[88][179]. По мнению одного из соавторов, Джеймса Макги, честность и чистоплотность (англ. integrity) были определяющими чертами характера Блюмлейна; он был вообще не способен к обману[88]. Именно поэтому в EMI сложилась доверительная, плодотворная творческая атмосфера, в которой не было место интригам и подтасовкам[88].
Практика конструирования
Философия инженерной деятельности Блюмлейна опирались на «правильное», грамотное конструирование сверху вниз, от теории — к практическому воплощению[180]. Это роднило его с великими предшественниками и современниками — Брюнелем, Теслой и Штейнмецом: все они вошли в историю как плодотворные, многогранные изобретатели; все они, в отличие от экспериментатора-самоучки Эдисона, опирались на фундаментальную науку и тщательные конструкторские расчёты[181]. Их крупнейшие изобретения — в отличие от компиляций Маркони и Бэрда — не имели аналогов[182].
Метод проб и ошибок исключался: инженер, считал Блюмлейн, обязан владеть культурой конструирования так, чтобы характеристики опытного образца точно соответствовали расчётным, а характеристики серийного изделия не отличались в худшую сторону от прототипа[183][180]. Блюмлейн и сам превосходно владел культурой конструирования и всячески пропагандировал её в среде коллег[184]. Первым, непременным признаком грамотной конструкции было соответствие реальных и расчётных характеристик, а любое несовпадение было как минимум поводом для беспокойства[184][181]. Если первая оценка «правильности» проекта подтверждалась экспериментом, уверенность Блюмлейна становилась непоколебимой. Инстинктивное доверие к «правильным» вещам не ограничивалось рабочим местом, но продолжалось и за его пределами. Будучи авиатором-любителем, лишь поверхностно знакомым с аэродинамикой, Блюмлейн тем не менее был уверен в своём понимании механики полёта и в абсолютной устойчивости своего «правильно» сконструированного биплана De Havilland Moth — и регулярно испытывал его на прочность в полёте[185].
Блюмлейн всегда начинал цикл проектирования с детальных расчётов, а затем сам составлял подробный регламент испытаний образца[183]. Испытания электрических и электронных устройств в 1920-е годы были нетривиальной и трудоёмкой задачей: не существовало ни компьютеров, ни анализаторов спектра, ни даже обычных, аналоговых осциллографов[186][187]. Для того, чтобы «заглянуть» внутрь записанной на пластинку звуковой волны, инженер должен был сделать микрофотографию звуковой дорожки и вручную выполнить преобразование Фурье[183]. Конструкторы предпочитали отлаживать технику на слух, полагаясь лишь на него и собственную интуицию; Блюмлейн стремился, насколько это было возможным, уйти от этой практики[183]. Он признавал, что не имеет уникальных навыков инженеров старой школы, но был уверен, что качественный теоретический расчёт способен заменить недостаток личного опыта и скудные возможности измерительной аппаратуры[55][187].
Блюмлейн настаивал, что «правильная» электронная схема не должна требовать наладки на производстве и подстройки при эксплуатации[188]. Отсюда происходил блюмлейновский принцип ограничения токов: рабочие токи вакуумных ламп следует принудительно ограничивать так, чтобы неизбежные дрейф и разброс характеристик лампы не влияли на работоспособность схемы[188]. Для этого следовало применять внешние токоограничивающие компоненты (резисторы, дроссели, активные источники тока) и отрицательную обратную связь[188]. К принципу ограничения токов восходят два важнейших изобретения Блюмлейна — токовый ключ на дифференциальном каскаде и катодный повторитель[188].
Инструментарий схемотехники
Типичным «строительным блоком» ранних изобретений Блюмлейна были трансформаторы, точнее — взаимно связанные индуктивности[189]. Так как главным фактором, определяющим реактивное сопротивление каждой обмотки переменному току, является общая для всех обмоток взаимоиндукция, то относительная точность согласования сопротивлений обмоток может быть весьма велика[189]. Уже в первых мостах Блюмлейна 1920-х годов разбаланс сопротивлений двух плеч моста не превышал одной миллионной, при этом достигнутая в лабораторных условиях точность легко и стабильно воспроизводилась в серийных изделиях[189]. Принцип трансформаторного моста был использован как минимум в девяти запатентованных Блюмлейном изобретениях, включая ёмкостный высотомер[189], ставший поводом для споров в 1970-е годы.
Опыт работы с электронными лампами пришёл к Блюмлейну постепенно. В 1920-е годы лампы использовались исключительно для генерации и усиления гармонических колебаний, обычно в узкой полосе частот; практика применения ламп для манипуляции формой импульса (что было абсолютно необходимо для телевидения) ещё не существовала[6]. С течением времени, к середине 1930-х годов, Блюмлейн выработал собственный «почерк» в схемотехнике, основанный на немногочисленном арсенале типовых узлов[180]. К трансформаторам и индуктивностям 1920-х годов добавились цепи обратной связи, катодные повторители, линии задержки и RC-LC цепи с постоянным полным сопротивлением[180].
Частная жизнь
Политические взгляды Блюмлейна достоверно неизвестны. Во время всеобщей стачки 1926 года он и ряд его коллег добровольно заступили на дежурство на железнодорожных узлах связи, покинутых операторами-забастовщиками[190]. По возвращении в лабораторию Блюмлейна ожидал триумф: помощь руководству железной дороги была щедро вознаграждена выгодными контрактами с Western Electric[190].
В 1930 году Блюмлейн познакомился с Дори́н Лейн, учительницей частной школы, где учились племянники Блюмлейна и где когда-то учился он сам[191][192]. 22 апреля 1933 года Блюмлейн и Дорин обвенчались; их первый сын умер в младенческом возрасте, а родившиеся в 1936 и 1938 годах Саймон и Дэвид выжили[193]. Заняв в 1933 году формально третье, а фактически — второе место в технической дирекции EMI[комм. 21], Блюмлейн обеспечивал жене и детям комфортный уровень жизни[194]. Дорин вела всё домашнее хозяйство; муж был полностью зависим от неё в повседневных бытовых вопросах[195].
Сторонние наблюдатели считали Блюмлейнов образцовой парой, но, по воспоминаниям Дорин, её муж был непростым, непредсказуемым, склонным к мелким конфликтам человеком[196]. Шёнберг, справедливо считая, что Дорин благотворно влияет на импульсивного Блюмлейна, по-своему опекал её и помогал паре поддерживать мир в семье[196][197]. Несмотря на служебные и семейные обязанности, Блюмлейн и после свадьбы оставался активным спортсменом, авиатором и автогонщиком[198]. Он, по воспоминаниям Дорин, вполне осознавал возможность случайной гибели и считал своё пребывание на земле лишь временной остановкой: «А потом я уйду… как погашенная свеча» (англ. I shall be gone like a blown candle)[154].
Вклад в схемотехнику. Вопросы приоритета

Научно-техническое наследие Блюмлейна сосредоточено во множестве внутренних, непубличных служебных записок и рукописей и в 128 патентах Великобритании[172]. Некоторые из них — в особенности патент № 394325 «Усовершенствования систем передачи, записи и воспроизведения звука» — являются, по сути, фундаментальными научно-прикладными работами[74][200]. Пик производительности пришёлся на «телевизионные» 1934—1937 годы[115]; именно в этот период Блюмлейн опубликовал свои важнейшие схемотехнические решения.
В британской популярной литературе Блюмлейна называют изобретателем фундаментальных, основополагающих схемотехнических узлов — катодного повторителя, дифференциального каскада и усилителя, охваченного петлёй отрицательной обратной связи[201][202]. В действительности эти узлы, как и принципы стереофонии, разрабатывались одновременно множеством конструкторов; вопрос абсолютного приоритета зачастую не имеет решения. Блюмлейн, бесспорно, был единоличным изобретателем линии задержки, названной его именем[203], и ультралинейного каскада[204] — эти его работы не имели аналогов. На другом полюсе находится дифференциальный каскад — Блюмлейн лишь предложил одну из его ранних конфигураций; привычная сегодня схема и принципы её действия были разработаны позже другими изобретателями[205].
Усилитель с общей отрицательной обратной связью
Краткая история электроники в изложении американских учебников гласит, что в августе 1927 года к двадцатидевятилетнему инженеру Bell Labs Гарольду Блэку пришло озарение[206]. Блэк, несколько лет пытавшийся уменьшить нелинейные искажения ламповых усилителей на трансконтинентальных телефонных линиях, внезапно догадался, что задачу сможет решить петля отрицательной обратной связи (ООС) — если удастся избежать самовозбуждения охваченного ею усилителя[206][207]. Несмотря на то, что Блэк подтвердил свою догадку экспериментально, руководство компании поначалу встретило её в штыки и разрешило обнародовать идею лишь в январе 1934 года[208]; в следующем, 1935 году её жизнеспособность признало и патентное ведомство США[209]. Теорию и методику расчётов усилителей с ООС, по той же легенде, составили в 1927—1940 годах Блэк, Боде и Найквист[210]. В действительности Блэк не владел необходимым для этого математическим кругозором[211]. Критерий устойчивости усилителя с ООС сформулировал в 1931 году Найквист[212], а затем Боде обобщил решение Найквиста на произвольные электрические цепи[213][214]. В 1936—1938 годах теорию и схемотехнику усилителей с ООС развили Бернард Теллеген и Фред Терман[215].
Учебники умалчивают о том, что ещё в 1928 году компания Philips запатентовала конструкцию высококачественного усилителя низкой частоты (УНЧ) с обратной связью по напряжению[216]. В 1932 году Блюмлейн занялся постройкой патентно чистого аналога; средством обойти патент Philips стала замена ООС по напряжению на ООС по току[216]. В служебной записке от 19 июля 1932 года Блюмлейн и Кларк перечислили основные выгоды применения ООС: снижение выходного сопротивления, снижение нелинейных искажений и увеличение максимальной выходной мощности[216]. Однако в поданной годом позже патентной заявке соавторы рассмотрели лишь снижение выходного сопротивления, умалчивая о других выгодах от введения ООС[207]. УНЧ Блюмлейна-Кларка никогда не производился серийно, а его конструкция не публиковалась. Работы Блюмлейна по теории и практике ООС остались фирменным секретом EMI, сама же обратная связь стала излюбленным схемотехническим приёмом Блюмлейна и легла в основу его позднейших изобретений — дифференциального каскада, ультралинейного каскада и миллеровского интегратора[217].
Катодный повторитель
Приоритет в изобретении и использовании катодного повторителя принадлежит американцу Энтони Уинтеру[218]. В 1925 году Уинтер запатентовал и запустил в производство оригинальную схему приёмника прямого усиления, в котором усиление тока было возложено на катодный повторитель, а усиление напряжения — на повышающий межкаскадный трансформатор[218]. В последующие десять лет повторитель применялся эпизодически, а теория его действия пребывала в зачаточном состоянии[218].
Блюмлейн впервые применил катодный повторитель на триоде в усилителе звуковых частот 1932 года[217], а впоследствии широко применял повторители при разработке измерительных приборов[219] и при строительстве лондонского телевизионного узла[220]. В обзорной статье 1938 года, посвящённой устройству телецентра в Александра-паласе, ученик и соавтор Блюмлейна Сесил Браун перечислил четыре основные области применения повторителей в телевидении: входные каскады видеоусилителей с особо высоким входным сопротивлением[221], драйверы длинных линий, драйверы ёмкостных нагрузок и стабилизаторы напряжения[222].
Теоретическое обоснование работы повторителя было впервые изложено во внутренней служебной записке Блюмлейна и Кларка 19 июля 1932 года[216] и впервые опубликовано в 1934 году в патентной заявке, воплотившейся в патент Великобритании 448421[217]. Патент, открывший миру эффективный способ подавления нежелательного действия паразитных ёмкостей источников сигнала и нагрузок усилительных каскадов, входит в число крупнейших, фундаментальных работ Блюмлейна[223]. Само понятие катодного повторителя (англ. cathode follower) было впервые применено в патентных заявках Блюмлейна и Эрика Уайта, датированных 1936 и 1937 годами соответственно[218]. Блюмлейн запатентовал схему катодного повторителя на пентоде[224], а его ученик Уайт — оригинальную схему двухтактного повторителя, получившую имя повторителя Уайта.
Дифференциальный каскад
Дифференциальный каскад на триодах вошёл в практику инженеров, разрабатывавших электрофизиологические медицинские приборы[комм. 23], ещё в начале 1930-х годов[226]. В 1936 году Блюмлейн запатентовал собственную конструкцию дифференциального каскада для усиления широкополосных импульсных и видеосигналов[226][227][комм. 24]. Выбранная им схема смещения обеспечивала лучшее, чем у предшествующих конструкций, подавление синфазного сигнала; аналогичное решение для медицинских приборов, независимо от Блюмлейна, предложил Франклин Оффнер в 1937 году[226]. Затем Отто Шмитт предложил схему, оптимизированную для работы фазоинвертором[226], и лишь в марте 1938 года Ян-Фридрих Тённис опубликовал привычную сегодня, классическую конфигурацию дифференциального каскада с двухполярным питанием[228]. Благодаря возросшему в десятки раз сопротивлению катодной цепи, фактически превратившейся в источник тока, подавление синфазного сигнала значительно улучшилось; в позднейших схемах 1940-х годов, использовавших активный источник тока на пентоде, оно достигло практического максимума[225]. Первую полноценную теорию и принципы расчёта дифференциальных каскадов опубликовал Отто Шмитт в 1941 году[229]. После Второй мировой войны американские авторы называли «отцом» дифференциального каскада и Шмитта, и Оффнера (но не Тённиса), а британские — Блюмлейна[230].
Можно лишь гадать, как бы сам Блюмлейн решал проблемы вычислительной техники[231], но именно его решение активно применялось в ранних британских компьютерах. Катодно-связанная логика компьютера EDSAC непосредственно восходила к дифференциальному каскаду Блюмлейна[232]; его схемотехническая гибкость и отличные перегрузочные характеристики позволили конструкторами EDSAC обойтись без дополнительных инверторов[233]. В 1948 году ученик Блюмлейна Тед Ньюмен применил блюмлейновскую схемотехнику в ЭВМ ACE[234][235]. Британцы отказались от громоздкой, устаревшей схемотехники американского ENIAC; основным узлом арифметико-логического устройства ACE стал двухкаскадный дифференциальный ключ на трёх двойных триодах с непосредственными связями[236]. В конце 1950-х годов на смену катодно-связанной логике пришёл её транзисторный аналог — эмиттерно-связанная логика[237][204]; позже появилась истоково-связанная логика на арсенид-галлиевых полевых транзисторах, а в XXI веке те же принципы применяются в малошумящей токовой КМОП-логике, предназначенной для использования в прецизионных цифроаналоговых схемах[238].
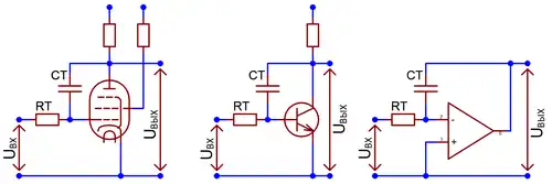
Интегратор
.png)
Эффект Миллера — увеличение эквивалентной входной ёмкости усилительного каскада с чисто резистивной нагрузкой — был известен с 1919 года[239]. Причиной этого явления была обратная связь через паразитную проходную ёмкость триода, а следствием — спад АЧХ каскада на частотах выше нескольких сотен кГц[240]. В середине 1930-х годов Блюмлейн, уже освоивший практику применения ООС, первым догадался использовать эффект Миллера преднамеренно, для построения активных интеграторов[240]. В пассивных интеграторах на RC-цепях допустимый размах выходного напряжения был ограничен величиной, не превышающей доли входного напряжения; в активной схеме он был ограничен лишь напряжением питания[240]. Для того, чтобы превратить усилительный каскад в интегратор, было достаточно подключить времязадающую ёмкость между анодом и сеткой триода, параллельно проходной ёмкости, а времязадающее сопротивление — между входом интегратора и сеткой[240]. На этом же принципе строятся и современные интеграторы на операционных усилителях (ОУ) и цепи частотной коррекции внутри самих ОУ[240].
Интегратор хорошо подошёл для построения релаксационных генераторов пилообразного напряжения строчной и кадровой развёртки[241]. Первую подобную схему — генератор кадровой развёртки на интеграторе — Блюмлейн запатентовал в 1936 году[220]; в 1942 году, за два дня до смерти, он подал патентную заявку на изобретение собственно интегратора, содержавшую детальный анализ схемы[241]. Генераторы, построенные на её основе, стали базовыми узлами ранних радиолокационных станций, а после Второй мировой войны широко применялись в аналоговых компьютерах[241]. По инициативе самого Блюмлейна его изобретение получило в англо-американской литературе имя миллеровского интегратора (англ. Miller integrator); кампания Маркуса Скрогги по переименованию в интегратор Блюмлейна (англ. Blumlein integrator) успеха не имела[комм. 25].
Посмертная память
В англоязычной среде сохранилось немало понятий, названных именем изобретателя: импульсный генератор на линиях задержки (англ. Blumlein Line), в русской литературе также просто «Блюмлейн» или «Блюмляйн»[1]; стереомикрофон (англ. Blumlein microphone technique, Blumlein pair), частотная характеристика механической грамзаписи (англ. Blumlein 250), формат видеосигнала (англ. Blumlein waveform). В профессиональном сообществе британских и американских инженеров-электронщиков Блюмлейна называли и продолжают называть гением[243][202][244][245][201][246], но в популярной литературе и публицистике Блюмлейн предстаёт исключительно как «изобретатель стереозвука». Блюмлейн никогда не был известен широкой публике; ни на родине, ни за её пределами он не получил и доли признания, доставшегося его современникам Зворыкину, Флетчеру или Тьюрингу[247].
Наиболее очевидная причина происшедшего — режим секретности, окружавший военно-прикладные работы Блюмлейна и обстоятельства его смерти[247]. Рассекречивание документов военного времени могло начаться по истечении тридцати лет, в начале 1970-х годов, но к этому времени многие из них были навсегда утрачены[247]. Институт дальней связи «отличался» поверхностным подходом к архивному делу, особенно в отношении работ сторонних подрядчиков и консультантов[247]. EMI, напротив, тщательно собирала и хранила служебную документацию. Однако, следуя установленному ещё Шёнбергом правилу[171], компания держала свои архивы на замке, не публиковала исторические документы и фонограммы, не допускала в архивы историков и не объясняла причины этого[248]. Уникальная блюмлейновская студия стереофонической звукозаписи была и вовсе уничтожена в ходе очередной «антикризисной» кампании[248].
Блюмлейн не мог сам рассказать о себе будущим поколениям, зато этой возможностью сполна воспользовались сотрудники Института дальней связи, сделавшие после войны блестящие карьеры. Таффи Боуэн[249], Бернард Ловелл[144], Альберт Роу[249], Роберт Уотсон-Уотт[249] и их коллеги оказались не только успешными учёными и администраторами, но и активными публицистами. Вольно или невольно, в своих воспоминаниях они описывали в первую очередь деятельность Института и умалчивали о вкладе сторонних подрядчиков и консультантов[250]. Так, уже в 1945 году[комм. 26] в британской публицистике сложился системный перекос, работавший против памяти о Блюмлейне[250].
1 июня 1977 года, в тридцать пятую годовщину катастрофы, на лондонском доме Блюмлейна появилась типовая мемориальная доска[252]. Речь о Блюмлейне, которую произнёс на церемонии открытия Алан Ходжкин[253], стала катализатором общественной дискуссии о катастрофе 1942 года[254]. Журналы публиковали мемуары и биографические очерки о Блюмлейне и его товарищах, но обстоятельства их гибели оставались государственной тайной ещё почти два десятилетия[255]. В 1981 году Барри Фокс начал кампанию за немедленное опубликование стереозаписей Блюмлейна, хранившихся на складах EMI[256]. Как минимум следовало перенести архивные киноленты с пожароопасной, недолговечной нитроцеллюлозной основы на безопасную триацетатную[256]. Годом спустя EMI согласилось допустить в архивы реставраторов; первый, закрытый кинопросмотр восстановленных лент состоялся лишь в 1992 году[256].
Две подробные, но далеко не полные биографии Блюмлейна вышли только в самом конце XX века. Первый биограф, инженер Бэйзил Бензимра, приступил к сбору материалов в 1967 году, но несколько лет спустя прекратил работу по состоянию здоровья[248]. В 1972 году роль биографа принял на себя автор популярной литературы[248], банкир, ветеран спецназа[257] Фрэнсис Пол Томсон. Национальный Институт инженеров-электротехников (IEE), а затем Королевское общество[258] санкционировали работу Томсона, назначив его официальным биографом Блюмлейна. Другой биограф, Рассел Бёрнс, начавший сбор материалов в том же 1972 году, уступил первенство Томсону и свернул свои исследования[257]. Широко разрекламированная книга Томсона так и не была написана. В 1992 году под давлением общественности[259] IEE отстранил Томсона от написания биографии и потребовал передать в публичный доступ все накопленные материалы[260]. Этого не произошло; Томсон буквально исчез[260]. Он умер в 1998 году, так и не опубликовав ничего о Блюмлейне; его архив, если он действительно существовал, был навсегда утрачен[260][261]. Бёрнс, с санкции IEE возобновивший написание биографии, издал свою книгу в 2000 году; годом раньше вышла в свет другая биография Блюмлейна, написанная Робертом Александером[261]. К этому времени большинство современников Блюмлейна уже умерли; авторы вынужденно опирались не столько на свидетельства очевидцев, сколько на архивный материал[172][261]. Книга Александера в особенности оказалась перегружена техническим анализом патентов в ущерб связности и логике повествования[261].
В 2017 году Национальная академия искусства и науки звукозаписи США посмертно наградила Блюмлейна «технической Грэмми» за изобретение стереофонической звукозаписи[262][263]. Тогда же, в феврале 2017 года, правопреемник EMI — компания Universal Music Group — огласила планы создания полнометражного художественного фильма о Блюмлейне[264].
Комментарии
- ↑ Владелец банка Бенджамин Ньюгасс (Нойгас), баварские Блюмлейны и американские банкиры братья Леман и Исайя Хеллман были связаны дальним родством через мать Земми, Филиппину Хеллман[15][16].
- ↑ «Свазилендская корпорация» (англ. Swaziland Corporation), основанная в 1898 году, занималась добычей цинка в Свазиленде[18].
- ↑ Columbia Graphophone управлялась дуумвиратом финансиста Луи Стерлинга (1879—1958) и «технаря» и музыканта-любителя Исаака Шёнберга[50].
- ↑ Ставка в 1 пенс применялась к первым пяти миллионам пластинок в год. С дальнейшим ростом оборота ставка последовательно снижалась до 0,25 пенса[53].
- ↑ Шёнберг всерьёз нацеливался на завоевание японского рынка. В 1929 году Эрик Нинд привёз опытный рекордер Columbia в Японию, и провёл там неудачные опыты записи традиционной музыки и цикл испытательных записей. Именно он выявил, что на частотах порядка 375 Гц «доблюмлейновский» рекордер Columbia генерировал чудовищные, даже по меркам 1920-х годов, искажения — 150 % второй гармоники и 100 % третьей гармоники (против 5 % американской системы)[56][57].
- ↑ На практике резонансная частота головки, ограничивающая полосу пропускания, была существенно меньше; её можно было корректировать как механическими регулировками, так и электрическими шунтами, замыкавшими цепь подвижной катушки[60].
- ↑ Стереофонические записи, в узком смысле, предназначены для прослушивания через громкоговорители — при этом каждое ухо слушателя слышит одновременно и левый, и правый каналы. Бинауральные записи предназначены для прослушивания через наушники — при этом каждое ухо слушателя слышит сигнал одного из двух каналов. При воспроизведении бинауральной записи через громкоговорители стереосцена, как правило, разваливается на изолированные источники звука[65]
- ↑ Westrex (Western Electric Exports, ранее ERPI) — в прошлом дочерняя компания Western Electric, занимавшаяся продажами и сервисом кинематографических звукоустановок. К 1957 году она юридически обособилась от Western Electric и Bell Labs, но поддерживала с ними тесные неформальные связи. Westrex в США и Decca в Европе создали свои системы 45/45 одновременно и независимо друг от друга: Westrex самостоятельно, Decca — на основе работ Блюмлейна[78]
- ↑ Созданная в 1940 году система стереофонического звука «Фантасаунд» была использована лишь в одном фильме — «Фантазия», так и не став стандартом из-за сложности оборудования[86]
- ↑ С момента учреждения EMI и до середины 1934 года RCA владела 27 % капитала британской компании[91].
- ↑ До широкого распространения цифровых счётчиков строк единственным способом счёта были каскады аналоговых делителей частоты на 3, на 5 или на 7. Выбранные Блюмлейном 405 строк соответствуют каскаду из пяти последовательно соединённых делителей: 405=3•3•3•3•5. Зворыкинские 343 строки соответствуют трём делителям на 7: 343=7•7•7[106].
- ↑ В первые недели опытное вещание велось попеременно: одна неделя — системой Marconi-EMI из Александра-паласа, другая неделя — системой Бэрда из Хрустального дворца. 30 ноября 1936 года Хрустальный дворец, вместе со всем оборудованием Бэрда, был уничтожен пожаром. 4 февраля 1937 года Телевизионный комитет огласил окончательный выбор в пользу системы Marconi-EMI, который был предопределён ещё осенью 1936 года[115].
- ↑ В принятом 3 июня 1938 года американском стандарте RMA применялись разложение на 441 строку (441=3•3•7•7) и формат экрана 4:3. Во всех остальных положениях американский стандарт следовал британскому. Осенью того же 1938 года к американскому стандарту присоединилась Германия[2].
- ↑ Сам обряд коронации, традиционно проводившийся в Вестминстерском аббатстве, не транслировался по настоянию архиепископа Кентерберийского[120].
- ↑ Все предшествующие британские РЛС требовали наличия на борту оператора РЛС, что ограничивало выбор самолётов-носителей (медленные «Бленимы» и «Бофайтеры») и привносило неустранимую задержку передачи информации от оператора к пилоту[140].
- ↑ По утверждению Дорин Блюмлейн, тело её мужа было единственным, поддававшимся опознанию. Остальные десять человек обгорели до неузнаваемости. Останки одиннадцати погибших уместились в три армейских гроба[154].
- ↑ По законам военного времени, гражданские мужчины были обязаны дежурить в пожарной охране 48 часов в месяц[160]. В период интенсивных бомбардировок Лондона (сентябрь — октябрь 1940 года) Блюмлейн, эвакуировавший семью в Корнуолл, дежурил на постах ПВО и пожарной охраны практически каждую ночь[161]. Его отдельно стоявший дом стал прибежищем для семей коллег, живших в небезопасных старых многоэтажных зданиях[162]. В октябре 1940 года руководство EMI сочло, что риск гибели под бомбами слишком велик, и перевело Блюмлейна на казарменное положение[163].
- ↑ К сентябрю 1934 года штат лаборатории EMI вырос до 114 человек, из них 23 имели высшее образование, а ещё девять — докторские дипломы, которые в те годы были относительно редки. Шёнбергу «помог» экономический кризис, позволивший отбирать действительно лучших[55].
- ↑ Кроме того, в 1925 году, ещё будучи ассистентом Имперского колледжа, Блюмлейн опубликовал одну статью в научном журнале (в соавторстве с Маллеттом[174]) и один цикл статей в журнале для радиолюбителей Wireless World (в соавторстве с Норманом Киппингом[175])[171].
- ↑ В числе 46 учтены только соавторы — физические лица, но не соавторы — организации. STC и EMI фигурируют как номинальные соавторы примерно в половине патентов Блюмлейна[179].
- ↑ Формально вторым после Шёнберга был директор по исследованиям EMI Кондлифф; фактически Блюмлейн и Кондлифф располагали равными правами и получали почти одинаковое жалование[194].
- ↑ В обычных условиях существенная ревизия первоначального текста заявки была бы оформлена отдельной заявкой и воплотилась бы в отдельный патент. Блюмлейн и его соавтор Майкл Боумен-Менифолд успели внести изменения до того, как патентное ведомство зафиксировало формулу первой заявки, — и именно изменённый текст лёг в основу патента № 449533[199].
- ↑ В телефонии, звуковоспроизведении и радиосвязи ту же функцию выполняли обычные электронные усилители, связанные с дифференциальным источником сигнала через разделительный трансформатор. Трансформатор эффективно подавляет прохождение синфазного сигнала, но принципиально неспособен передавать со входа на выход постоянный ток или напряжение и практически не может передавать типичные для электроэнцефалограмм и электрокардиограмм инфразвуковые сигналы. Именно поэтому конструкторам медицинских приборов потребовались бестрансформаторные дифференциальные усилители[225].
- ↑ Блюмлейн столкнулся с той же проблемой, что и конструкторы электрокардиографов: полоса пропускания доступных в 1930-е годы трансформаторов была слишком узка для видеосигнала[227].
- ↑ В конце XX века даже в британской литературе понятие «интегратора Блюмлейна» использовалось эпизодически, например, в кембриджском учебнике Мартина Хартли Джонса 1995 года[242].
- ↑ Бёрнс цитирует датированное сентябрём 1945 года письмо маршала авиации Филиппа Жубера в редакцию Daily Telegraph. Маршал возмущался тем, что современные ему публикации восхваляли исключительно учёных Института и умалчивали о вкладе частных компаний и лично Блюмлейна и Клиффорда Патерсона[251].
Примечания
- 1 2 Например, в Крастелев Е. Г. и др. Мощные электроимпульсные системы. Часть II. — М. : МИФИ, 2008. — ISBN 9785726210902., глава 1.5: «… По имени её автора такую схему часто называют линией Блюмляйна или просто „блюмляйном“».
- 1 2 3 Alexander, 2013, p. 224.
- ↑ Burns, 2006, p. 274.
- ↑ Burns, 2006, p. 222.
- ↑ Copeland J., 2012, 'Blumlein and the long-tailed pair'.
- 1 2 3 4 Burns, 2006, p. 248.
- ↑ Burns, 2006, p. 2.
- 1 2 3 Alexander, 2013, p. 1.
- ↑ Burns, 2006, p. 3.
- ↑ Burns, 2006, p. 4.
- ↑ Burns, 2006, pp. 5—8.
- ↑ Burns, 2006, p. 8.
- ↑ Burns, 2006, p. 9.
- ↑ Burns, 2006, p. 10.
- ↑ Dinkelspiel F. Towers of Gold: How One Jewish Immigrant Named Isaias Hellman Created California. — New York : St. Martin’s Press, 2010. — P. 56—57. — ISBN 9781429959599.
- ↑ Chapman S. D. The Rise of Merchant Banking. — Abingdon, UK : Taylor & Francis, 2005. — P. 77—78. — ISBN 9780415378635.
- ↑ Burns, 2006, p. 11.
- ↑ Burns, 2006, p. 14.
- ↑ Burns, 2006, pp. 13—14.
- ↑ Burns, 2006, pp. 2, 12.
- 1 2 Burns, 2006, pp. 18—19.
- ↑ Burns, 2006, p. 23.
- ↑ Alexander, 2013, pp. 2—3.
- 1 2 3 Alexander, 2013, p. 2.
- ↑ Burns, 2006, pp. 23—24.
- 1 2 3 4 Alexander, 2013, p. 3.
- ↑ Alexander, 2013, p. 4.
- ↑ Burns, 2006, p. 27.
- 1 2 Burns, 2006, p. 19.
- ↑ Burns, 2006, pp. 28—36.
- ↑ Burns, 2006, p. 37.
- 1 2 3 4 5 Burns, 2006, p. 39.
- 1 2 3 4 Burns, 2006, p. 43.
- 1 2 3 Alexander, 2013, p. 6.
- ↑ Burns, 2006, pp. 49, 55.
- ↑ Alexander, 2013, p. 8.
- ↑ Burns, 2006, p. 49.
- ↑ Burns, 2006, pp. 50, 53.
- 1 2 Burns, 2006, p. 56.
- 1 2 Burns, 2006, pp. 55—56.
- ↑ Burns, 2006, p. 59.
- ↑ Burns, 2006, pp. 59—60.
- ↑ Burns, 2006, p. 65.
- ↑ Burns, 2006, pp. 65—66.
- ↑ Burns, 2006, pp. 69—70.
- ↑ Burns, 2006, p. 72.
- 1 2 Burns, 2006, p. 82.
- 1 2 Burns, 2006, pp. 79—80.
- ↑ Аннотации «Эбби-Роуд», сопровождающие экспонаты. См. фото в высоком разрешении: аннотация к HB-1E, аннотация к EMI RM-1B.
- ↑ Burns, 2006, pp. 100—101.
- 1 2 Burns, 2006, pp. 98—99.
- ↑ Burns, 2006, pp. 98, 117.
- 1 2 Burns, 2006, p. 117.
- 1 2 3 Copeland P., 2008, p. 127.
- 1 2 3 4 5 Burns, 2006, p. 99.
- 1 2 Burns, 2006, p. 102.
- 1 2 Alexander, 2013, p. 41.
- 1 2 Burns, 2006, pp. 104—105.
- 1 2 3 Burns, 2006, p. 105.
- 1 2 Burns, 2006, p. 106.
- ↑ Burns, 2006, pp. 110—112.
- ↑ Copeland P., 2008, pp. 127—128.
- ↑ Burns, 2006, pp. 104—108.
- 1 2 3 Burns, 2006, p. 112.
- ↑ Morton, 2006, p. 146.
- 1 2 Burns, 2006, p. 128.
- ↑ Burns, 2006, pp. 127—129.
- ↑ Théberge, Devine, Everrett, 2015, p. 18 (примечание 2).
- 1 2 3 Burns, 2006, p. 129.
- 1 2 3 Burns, 2006, p. 130.
- 1 2 Burns, 2006, p. 131.
- 1 2 3 4 Burns, 2006, pp. 130—131.
- 1 2 3 Burns, 2006, p. 141.
- 1 2 3 4 5 Burns, 2006, p. 133.
- ↑ Fox, Studio Sound, 1982, p. 36.
- 1 2 Burns, 2006, p. 134.
- 1 2 Burns, 2006, pp. 143—145.
- ↑ Morton, 2006, pp. 146—147.
- ↑ Burns, 2006, p. 145.
- ↑ Fox, Studio Sound, 1982, p. 37.
- ↑ Burns, 2006, pp. 136—137.
- 1 2 Burns, 2006, p. 138.
- 1 2 Fox, Studio Sound, 1982, p. 38.
- ↑ Burns, 2006, pp. 139—140.
- 1 2 3 Burns, 2006, pp. 140—141.
- ↑ Системы кино и стереозвук, 1972, с. 126.
- ↑ Burns, 2006, pp. 166—170.
- 1 2 3 4 5 6 7 Burns, 2006, p. 174.
- ↑ Burns, 2006, p. 176.
- 1 2 Alexander, 2013, pp. 153—154.
- ↑ Abramson, 1995, p. 110.
- ↑ Abramson, 1995, p. 112: 'Sarnoff made sure that RCA had a monopoly on ... Zworykin camera tube'.
- ↑ Abramson, 1995, p. 128.
- ↑ Alexander, 2013, pp. 153.
- ↑ Burns, 2006, p. 158.
- ↑ Abramson, 1995, p. 112: 'EMI received a steady stream of information ... and exchange of ideas between the two companies'.
- 1 2 Alexander, 2013, p. 149.
- 1 2 3 Burns, 2006, p. 172.
- ↑ Burns, 2006, p. 175.
- ↑ Burns, 2006, p. 178.
- 1 2 Burns, 2006, p. 180.
- ↑ Burns, 2006, p. 181.
- ↑ Alexander, 2013, p. 151: «…another of Blumlein’s classic patents…».
- ↑ Alexander, 2013, pp. 150—151.
- ↑ Burns, 2006, p. 186.
- 1 2 3 Burns, 2006, p. 193.
- ↑ Burns, 2006, p. 188—189.
- ↑ Burns, 2006, pp. 190—194.
- ↑ Burns, 2006, pp. 193—194, 196.
- ↑ Burns, 2006, p. 195.
- ↑ Alexander, 2013, p. 203.
- 1 2 Burns, 2006, pp. 200—201.
- ↑ Burns, 2006, p. 218.
- ↑ Burns, 2006, pp. 200, 209.
- 1 2 Alexander, 2013, p. 202.
- 1 2 Burns, 2006, p. 212.
- 1 2 Burns, 2006, p. 215.
- ↑ Abramson, 1995, p. 112: 'almost complete domination of the new television industry'.
- ↑ Burns, 2006, p. 213.
- ↑ Alexander, 2013, p. 209.
- ↑ Burns, 2006, p. 216.
- ↑ Alexander, 2013, p. 204.
- ↑ Burns, 2006, p. 220.
- ↑ Alexander, 2013, p. 74.
- ↑ Burns, 2006, p. 297.
- 1 2 Burns, 2006, pp. 299—300.
- ↑ Burns, 2006, p. 298.
- ↑ Burns, 2006, p. 299.
- ↑ Burns, 2006, p. 301.
- ↑ Burns, 2006, pp. 303—306.
- ↑ Burns, 2006, pp. 315—319.
- ↑ Burns, 2006, p. 309.
- ↑ Burns, 2006, p. 310.
- ↑ Burns, 2006, p. 332.
- 1 2 Burns, 2006, p. 333.
- ↑ Burns, 2006, p. 338.
- ↑ Burns, 2006, p. 350.
- 1 2 3 Burns, 2006, p. 365.
- ↑ Burns, 2006, pp. 351, 362.
- ↑ Burns, 2006, p. 349.
- ↑ Burns, 2006, p. 366.
- ↑ Burns, 2006, p. 368.
- ↑ Burns, 2006, p. 398—399.
- 1 2 3 Burns, 2006, p. 444.
- ↑ Burns, 2006, p. 448.
- 1 2 3 Burns, 2006, p. 444—445.
- 1 2 Alexander, 2013, pp. 299—300.
- ↑ Alexander, 2013, p. 320.
- 1 2 Burns, 2006, pp. 460—463.
- ↑ Alexander, 2013, p. 322.
- 1 2 Burns, 2006, p. 463.
- ↑ Alexander, 2013, p. 323.
- ↑ Burns, 2006, pp. 460—461, 463.
- 1 2 3 Burns, 2006, p. 461.
- 1 2 3 Burns, 2006, p. 464.
- ↑ Alexander, 2013, p. 327.
- ↑ Alexander, 2013, pp. 330, 331, 342.
- 1 2 Alexander, 2013, p. 98.
- 1 2 Burns, 2006, pp. 40, 43.
- ↑ Burns, 2006, p. 356.
- ↑ Burns, 2006, pp. 358—359.
- ↑ Burns, 2006, p. 358.
- ↑ Burns, 2006, pp. 360—361.
- ↑ Burns, 2006, p. 490.
- ↑ Burns, 2006, p. 104.
- 1 2 3 Burns, 2006, pp. 66—67.
- 1 2 Alexander, 2013, p. 97.
- ↑ Alexander, 2013, p. 373.
- 1 2 Alexander, 2013, p. 123.
- ↑ Abramson, 1995, p. 127: 'Schoenberg had a superb staff working for him…'.
- 1 2 3 4 5 Burns, 2006, p. 196.
- 1 2 3 Burns, 2006, p. xviii.
- ↑ Alexander, 2013, p. 222.
- ↑ Blumlein A. D., Mallett E. A new method of high-frequency resistance measurement : [арх. 22 июля 2018] // Journal of the Institution of Electrical Engineers. — 1925. — Vol. 63, № 340 (April). — P. 397—412.
- ↑ Kipping N. V., Blumlein A. D. The Selection of a Valve : [англ.] // Wireless World. — 1925. — 30 September. — P. 445—448. (и последующие номера)
- ↑ Morgan, 1988, p. 538.
- ↑ Alexander, 2013, p. 125.
- 1 2 Copeland J., 2012, «I joined the laboratory in 1941…».
- 1 2 Alexander, 2013, pp. 405—408.
- 1 2 3 4 Burns, 2006, p. 249.
- 1 2 Burns, 2006, p. 486.
- ↑ Burns, 2006, pp. 487—488.
- 1 2 3 4 Burns, 2006, p. 103.
- 1 2 Burns, 2006, p. 79.
- ↑ Burns, 2006, p. 78.
- ↑ Burns, 2006, p. 52.
- 1 2 Burns, 2006, pp. 102—103.
- 1 2 3 4 Copeland J., 2012, «Blumlein developed the defined current principle…».
- 1 2 3 4 Burns, 2006, pp. 80—81.
- 1 2 Burns, 2006, pp. 69—68.
- ↑ Burns, 2006, p. 18.
- ↑ Burns, 2006, pp. 233—234.
- ↑ Burns, 2006, p. 235.
- 1 2 Burns, 2006, p. 241.
- ↑ Burns, 2006, p. 239.
- 1 2 Burns, 2006, p. 236.
- ↑ Burns, 2006, p. 238.
- ↑ Burns, 2006, pp. 242—243.
- ↑ Alexander, 2013, p. 152.
- ↑ Burns, 2006, p. 148.
- 1 2 Fox, New Scientist, 1982, p. 643.
- 1 2 Scroggie, 1960, p. 451.
- ↑ Burns, 2006, p. 270.
- 1 2 Burns, 2006, p. 259.
- ↑ Jung, 2005, pp. 773—776.
- 1 2 Mindell, 2000, pp. 405—406.
- 1 2 Jung, 2005, p. 767.
- ↑ Mindell, 2000, pp. 422, 426.
- ↑ Mindell, 2000, pp. 418—419.
- ↑ Mindell, 2000, p. 406.
- ↑ Mindell, 2000, p. 420.
- ↑ Mindell, 2000, p. 426.
- ↑ Mindell, 2000, p. 429.
- ↑ Jung, 2005, p. 768.
- ↑ Jung, 2005, pp. 26, 767, 769.
- 1 2 3 4 Burns, 2006, p. 256.
- 1 2 3 Burns, 2006, p. 257.
- 1 2 3 4 Blencowe, 2016, p. 247.
- ↑ Burns, 2006, p. 268.
- 1 2 Burns, 2006, p. 263.
- ↑ Burns, 2006, p. 251.
- ↑ Burns, 2006, p. 254.
- ↑ Alexander, 2013, p. 150.
- ↑ Alexander, 2013, p. 151.
- 1 2 Jung, 2005, p. 774.
- 1 2 3 4 Jung, 2005, p. 773.
- 1 2 Burns, 2006, p. 258.
- ↑ Jung, 2005, pp. 773—774.
- ↑ Jung, 2005, pp. 774—775.
- ↑ Jung, 2005, pp. 775—776.
- ↑ Copeland J., 2012, «… we can only speculate as to what his approach to the design of digital computers would be…».
- ↑ Copeland J., 2012, «EDSAC, namely the use of cathode-coupled amplifiers».
- ↑ Copeland J., 2012, «For this latter reason the EDSAC contained no invertors.».
- ↑ Copeland J., 2012, «Huskey’s approach to circuit design was replaced by the Blumlein approach…».
- ↑ Copeland J., 2012, «The Blumlein style circuits that Newman designed for the ACE…».
- ↑ Copeland J., 2012, Figure 2.
- ↑ Roehr W., Kane J., Flood J., Hamilton D. High-Speed Switching Handbook. — 1963. — P. 253, 263.
- ↑ Alioto M., Palumbo G. Model and Design of Bipolar and MOS Current-Mode Logic: CML, ECL and SCL Digital Circuits. — Springer, 2006. — P. xiii. — ISBN 9781402028885.
- ↑ Burns, 2006, p. 260.
- 1 2 3 4 5 Burns, 2006, p. 261.
- 1 2 3 Burns, 2006, p. 262.
- ↑ Jones M. H. A Practical Introduction to Electronic Circuits. — Cambridge; New York : Cambridge University Press, 1995. — P. 290. — ISBN 9780521478793.
- ↑ Burns, 2006, p. xvii: 'by any definition he was a genius...'.
- ↑ Abramson, 1995, p. 287: 'was considered a genius...'.
- ↑ Burns, 2006, p. 451.
- ↑ Alexander, 2013, pp. 302, 358, 376, 397.
- 1 2 3 4 Fox, New Scientist, 1982, p. 641.
- 1 2 3 4 Fox, New Scientist, 1982, p. 642.
- 1 2 3 Burns, 2006, p. 399.
- 1 2 Burns, 2006, pp. 399—400, 443—444.
- ↑ Burns, 2006, p. 400.
- ↑ Alexander, 2013, pp. xxvi, 375.
- ↑ Alexander, 2013, pp. 371—373 (полный текст речи).
- ↑ Alexander, 2013, pp. 375—378.
- ↑ Alexander, 2013, p. 376.
- 1 2 3 Alexander, 2013, p. 91.
- 1 2 Alexander, 2013, p. 366.
- ↑ Alexander, 2013, p. 393.
- ↑ Alexander, 2013, pp. 385, 383, 393, 395—396.
- 1 2 3 Alexander, 2013, pp. 395—396.
- 1 2 3 4 Fox Barry. Book Review: The hunt for Alan B : [англ.] // New Scientist. — 1999. — 16 October.
- ↑ Technical Grammy Award. Recording Academy. Дата обращения: 12 марта 2018. Архивировано 8 января 2020 года.
- ↑ Alan Blumlein To Receive Posthumous Grammy Award. Abbey Road Stidios. Дата обращения: 12 марта 2018. Архивировано 22 июля 2018 года.
- ↑ British engineer Alan Dower Blumlein to be honoured with Technical Grammy award. Music Week (2017). Дата обращения: 12 марта 2018. Архивировано 22 июля 2018 года.
Литература
- Биографии
- Alexander R. The Inventor of Stereo: The Life and Works of Alan Dower Blumlein. — CRC Press, 2013. — ISBN 9781136120381.
- Burns R. W. The Life and Times of A. D. Blumlein. — Reprint with new cover. — IET, 2006. — 534 p. — (History of Technology Series, Volume 24). — ISBN 9780852967737.
- Публицистика и мемуары
- Fox B. Early Stereo Recording : [англ.] // Studio Sound. — 1982. — May. — P. 36—42.
- Fox B. The Briton who invented electronics : [англ.] // New Scientist. — 1982. — 3 June. — P. 641—643.
- Hope A. Surround Sound Patents : [англ.] // Wireless World. — 1979. — January. — P. 57—58.
- Lovell B. Echoes of War: The Story of H2S Radar. — CRC Press, 1991. — ISBN 9780852743171.
- Mindell D. A. Opening Black's Box: Rethinking Feedback's Myth of Origin // Technology and Culture (Johns Hopkins University Press). — 2000. — Vol. 41, № 3. — P. 405—434. — ISSN 0040-165X.
- Scroggie M. G.. The Genius of A. D. Blumlein : [англ.] // Wireless World. — 1960. — September. — P. 451—456.
- Обзорные монографии
- Высоцкий М. З. Системы кино и стереозвук / Эйсымонт Л. О. — М.: «Искусство», 1972. — С. 122—126. — 336 с. — 3500 экз.
- Abramson A. Zworykin, Pioneer of Television. — Urbana : University of Illinois Press, 1995. — 312 p. — ISBN 9780252021046.
- Blencowe M. Designing High-Fidelity Valve Preamps. — Lulu, 2016. — ISBN 9780956154538.
- Brown L. A Radar History of World War II: Technical and Military Imperatives. — CRC Press, 1999. — 580 p. — ISBN 9781420050660.
- Copeland J. B. Alan Turing's Electronic Brain: The Struggle to Build the ACE, the World's Fastest Computer. — Oxford University Press, 2012. — 576 p. — ISBN 9780191625862.
- Copeland P. Manual of Analogue Sound Restoration Techniques (англ.) — British Library, 2008.
- Jung W. Op Amp applications handbook. — Elsevier/Newnes, 2005. — 878 p. — (Analog Devices series). — ISBN 0750678445.
- Morgan B. L. James Dwyer McGee, 17 December 1903 — 28 February 1987 // Biographical Memoirs of Fellows of the Royal Society. — 1988. — Vol. 34. — P. 511—551.
- Morton D. Sound Recording: The Life Story of a Technology. — Baltimore : JHU Press, 2006. — 215 p. — ISBN 9780801883989.
- Théberge P., Devine K., Everrett T. Living Stereo: Histories and Cultures of Multichannel Sound. — Bloomsbury Publishing USA, 2015. — 304 p. — ISBN 9781623565510.
.png)