GYATA-64
| GYATA-64 | |
|---|---|
| |
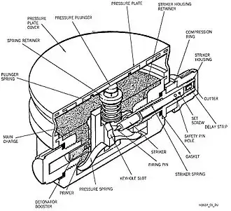
| Тип | противопехотная нажимная мина фугасного действия |
| Разработана |
|
| Материал корпуса | бакелит, резина, фенопласт |
| Общая масса | 520 г |
| Размер | ⌀10,6 × 6,1 см |
| Взрывчатое вещество | тротил, 300 г |
| Зона поражения | радиус 30 м |
| Самоликвидация | нет |
| Самонейтрализация | нет |
GYATA-64 (сокр. венг. gyalogsági taposóakna, «пехотная нажимная мина») — венгерский вариант советской противопехотной мины ПМН-1. Отличалась от ПМН значительно большей массой взрывчатого вещества (300 г; в ПМН — 200 г) и другой конструкцией штока (имеет две пружины для страховки от самопроизвольного срабатывания)[1]. Экспортировалась в Анголу и Ливан.
Венгрия прекратила производство и экспорт мин GYATA-64 в 1995 году, и уничтожила существующие запасы в 1998 году[2].
См. также
- ПМН
- Тип 58
- FMK-1
Примечания
- ↑ Валецкий Олег, Илиев Найден. Минное оружие в современном мире. Дата обращения: 20 декабря 2009. Архивировано из оригинала 7 мая 2012 года.
- ↑ Landmine Monitor: Hungary (англ.). Дата обращения: 20 декабря 2009. Архивировано из оригинала 13 апреля 2012 года.
Ссылки
- GYATA-64 на сайте ORDATA (англ.)
