Электронный пускорегулирующий аппарат

Электронный пускорегулирующий аппарат (ЭПРА)
Дешёвый вариант электронного подключения

Электро́нный пу́скорегули́рующий аппара́т (ЭПРА, электронный балласт) — электронное устройство, осуществляющее пуск и поддержание рабочего режима газоразрядных осветительных ламп.

Схема классического (неэлектронного) пускорегулирующего аппарата (ПРА):
A — люминесцентная лампа;
B — сеть переменного тока;
C — стартёр;
D — ключ — биметаллический термостат;
E — конденсатор;
F — нити накала катодов;
G — дроссель

Недостатками классического пускорегулирующего аппарата (ПРА) люминесцентных ламп являются:

  • громоздкий шумный дроссель с ненадёжным стартером;
  • мерцание с частотой сети (эффект стробирования);
  • вышедший из строя стартер вызывает фальстарт лампы (визуально определяется несколько вспышек перед стабильным зажиганием), сокращая срок службы нитей накала.
  • довольно высокие потери (низкий КПД)

В связи с наличием недостатков классического ПРА, применяемого для включения газоразрядных ламп, начались разработки альтернативного пускорегулирующего устройства на полупроводниковых элементах.

Первые ЭПРА появились в 1980-х годах, а широкое их применение началось в 1990-е годы.

Помимо отсутствия перечисленных выше недостатков классических пускорегулирующих аппаратов, электронный пускорегулирующий аппарат (ЭПРА) обладают рядом преимуществ — стабильность освещения в широком диапазоне питающих напряжений, увеличение срока службы ламп (путём обеспечения стабильного «тёплого» старта) и возможность плавного регулирования их яркости (как дополнительная опция) при помощи внешнего регулятора. Коэффициент мощности даже без корректора намного выше, чем у стартерно-дроссельной схемы; с корректором мощности же ЭПРА по этому параметру сравниваются с резистивной нагрузкой с коэффициентом мощности стремящимся к 1.

Устройство ЭПРА

Полумостовая схема инвертора на биполярных транзисторах
Мостовая схема инвертора на биполярных транзисторах

Типичный ЭПРА состоит из следующих блоков:

  1. Фильтр электромагнитных помех — отфильтровывает как входящие в ЭПРА из сети помехи, так и проникающие из ЭПРА в электросеть.
  2. Выпрямитель.
  3. Схема коррекции коэффициента мощности (опционально).
  4. Сглаживающий фильтр.
  5. Инвертор.
  6. Балласт (дроссель).

Инвертор может оснащаться устройством плавного регулирования яркости, требующим использования внешнего светорегулятора, специально предназначенного для управления электронным балластом.

Схема ЭПРА может быть мостовой и полумостовой. Мостовая схема имеет вдвое большее количество ключевых элементов (как правило, это биполярные транзисторы, но в мощных ЭПРА применяются также мощные полевые транзисторы). Мостовая схема используется при больших мощностях ламп (сотни ватт). Полумостовая схема применяется намного чаще и, хотя она имеет более низкий КПД по сравнению с мостовой, использование специальных микросхем-драйверов, управляющих ключевыми элементами ЭПРА (например, контроллер ICB1FL02G (Infineon)) в значительной степени компенсирует этот недостаток. Указанные микросхемы применяются и в мощных ЭПРА. В маломощных ЭПРА инвертор обычно строится по схеме автогенератора с трансформаторной положительной обратной связью.

Более дорогие ЭПРА, помимо перечисленных выше элементов, часто содержат встроенную защиту от перепадов напряжения сети, импульсных помех и блокировку запуска в случае отсутствия лампы или её отказе.

Выпускается много различных моделей ЭПРА различающихся по мощности и виду управления: стандартные аналоговые (с управлением 1—10 В) и цифровым управлением (DALI) ЭПРА.

Возможности энергосбережения с управляемыми ЭПРА до 85 % по сравнению с традиционными ПРА.

Устройство и работа маломощного ЭПРА
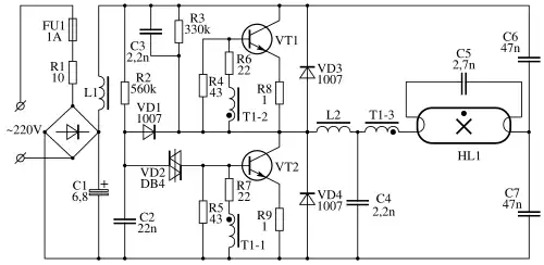
Принципиальная схема ЭПРА маломощной лампы с полумостовым инвертором

В маломощных ЭПРА, обычно встраиваемых в цоколь люминесцентной лампы (вариант часто используемой схемы см. рисунок), инвертор чаще всего представляет собой двухтактный полумостовой преобразователь напряжения (реже применяется полномостовая схема). Напряжение сети выпрямляется диодным мостом и сглаживается фильтрующим конденсатором C1. Далее двухтактный полумостовой инвертор выполненный на двух n-p-n-транзисторах VT1, VT2 преобразует постоянное напряжение с диодного моста в высокочастотное напряжение. Последовательно с нагрузкой полумостового инвертора включён тороидальный трансформатор Т1 с тремя обмотками, две из которых управляют базами транзисторов и противофазно открывают транзисторные ключи, а третья обмотка — это первичная обмотка обратной связи транзисторного автогенератора. Последовательно с трансформатором включён дроссель L2, ограничивающий ток газового разряда люминесцентной лампы HL1. Так как инвертор работает на высокой частоте (несколько десятков кГц), дроссель имеет малые размеры, в отличие от громоздких дросселей классической схемы, работающих на промышленной частоте (50 или 60 Гц). Конденсатор C5, включённый последовательно с нитями накала, обеспечивает некоторый ток через нити и их накал во время работы. Так как генератор выполнен по схеме с жёстким возбуждением, для запуска генерации необходимо подать импульс запуска генератора — кратковременно открыть один из транзисторов. Для запуска генератора служит цепь, в которую включён динистор VD2. При подаче питания через резистор R2 заряжается конденсатор С2, при достижении на нём напряжения открывания VD2, тот открывается и на базу VT2 подаётся положительный запускающий импульс. При работе генератора конденсатор С2 разряжается в каждом полупериоде почти до нулевого напряжения через диод VD1, напряжение на VD2 не достигает напряжения его пробоя и при нормальной работе генератора цепь запуска неактивна. Начальный импульс напряжения для поджигания газового разряда обеспечивает колебательный резонансный контур, состоящий из дросселя, конденсаторов С3 и С4. При резонансе напряжений в этом контуре напряжение на конденсаторе С4 высокое и превышает напряжения зажигания лампы. После зажигания газового разряда колебательный контур оказывается шунтирован малым сопротивлением газоразрядного промежутка, добротность контура падает и исчезает перенапряжение на С4 — устройство переходит в нормальный режим работы. Катушка индуктивности (дроссель) L1 служит для подавления проникновения в питающую сеть радиочастотных помех от инвертора.

Работа ЭПРА

Работа ЭПРА делится на три фазы:

  1. Предварительный разогрев электродов лампы. Делает запуск лампы мгновенным, мягким (продлевает срок службы лампы) и возможным при низких температурах окружающей среды.
  2. Поджиг — ЭПРА генерирует импульс высокого (до 1,6 кВ) напряжения, вызывающего пробой газа, наполняющего колбу лампы. ЭПРА для запуска металлогалогеновых ламп имеют более мощный импульс зажигания, который составляет не менее 4-5 кВ.
  3. Горение — на электродах лампы поддерживается небольшое напряжение, достаточное для поддержания её горения.

Фото

См. также

Примечания

    Литература

    Краснопольский А. Е., Троицкий А. М., Соколов В. Б. Пускорегулирующие аппараты для газоразрядных ламп. М.: Энергоатомиздат, 1988. — 207 с. — ISBN 5-283-00511-9.

    Бачурин В. В., Ваксенбург В. Я., Дьяконов В. П., Максимчук А. А., Ремнёв А. М., Смердов В. Ю. Схемотехника устройств на мощных полевых транзисторах: Справочник / под. ред. В. П. Дьяконова. М.: Радио и связь, 1994. — 280 с. — ISBN 5-256-00963-X, ББК 32.852.3.

    Ссылки