Транзистор Шоттки
Транзистор Шоттки — электронный компонент, представляющий собой комбинацию из биполярного транзистора и диода Шоттки.
Устройство
Транзистор Шоттки получается подключением диода Шоттки между базой и коллектором биполярного транзистора, причём для создания n-p-n транзистора Шоттки к биполярному n-p-n транзистору подключается диод Шоттки анодом к базе, а катодом к коллектору, а p-n-p транзистор Шоттки — подключением к биполярному p-n-p транзистору диода Шоттки катодом к базе и анодом к коллектору.
Диод Шоттки, благодаря своим свойствам обладает меньшим падением напряжения между анодом и катодом в открытом состоянии по сравнению с кремниевым диодом (0,2—0,3 В против 0,5—0,7 В) и его включение между базой и коллектором биполярного транзистора препятствует вхождению в насыщение в открытом состоянии — фактически здесь диод Шоттки осуществляет отрицательную обратную связь (ООС): чем сильнее открывается транзистор, тем больше уменьшается потенциал коллектора относительно земли и относительно базы, при этом увеличивается ток, протекающий через диод Шоттки, отводя базовый ток на землю и фиксируя напряжение база — коллектор на уровне 0,2—0,3 В, в открытом состоянии транзистор Шоттки находится в промежуточной области между активным режимом и насыщением, таким образом препятствуя двойной инжекции и накоплению зарядов, исключая задержку во времени, связанную с рассасыванием избыточных носителей при переключении из открытого в закрытое состояние. Кроме того сам диод Шоттки имеет высокое быстродействие при переходе из открытого в закрытого состояние, поскольку в нём нет процессов накопления носителей и все процессы не связаны с диффузией, а обусловлены только дрейфом в электрическом поле. В закрытом состоянии транзистора напряжение анод — катод диода смещает последний в обратное направление и никак не влияет на работу транзистора.
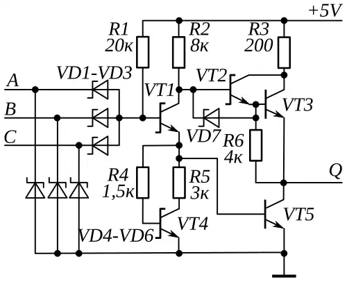
Применение
.svg.png)
Транзисторы Шоттки применяются в микросхемах транзисторно-транзисторной логики Шоттки (ТТЛШ), благодаря блокировке накопления неосновных носителей заряда в базовом слое транзисторов в режиме насыщения, быстродействие ТТЛШ гораздо выше традиционной транзистор-транзисторной логике (ТТЛ) с многоэмиттерным входным транзистором.
Обозначение на схемах

Транзистор Шоттки на электрических принципиальных схемах имеет самостоятельный символ, который используют обычно вместо комбинации обозначений биполярного транзистора и диода Шоттки.