Оружейная гильза



1 — пуля, 3 — заряд пороха, 4 — закраина (фланец), 5 — капсюль-воспламенитель, 2 — гильза (соединяет все элементы в патрон).


Гильза оружейная — тонкостенная закрытая с одного конца трубка (стакан), предназначенная для помещения метательного заряда и средств воспламенения, служащая оболочкой унитарного оружейного патрона либо артиллерийского выстрела для огнестрельного оружия и соединяющая в одно целое конструктивные части патрона (выстрела): снаряд (пулю, дробовой заряд, артиллерийский снаряд), пороховой заряд и капсюль-воспламенитель.
Важнейшие качества оружейной гильзы — герметичность, стойкость к коррозии, прочность и лёгкость извлечения (экстрагирования) её из патронника после выстрела. Гильзы современных патронов, чаще всего металлические, изготавливаются из сплавов цветных металлов или из стали с различными покрытиями. Гильзы патронов к гладкоствольному оружию нередко имеют металлическое донце и стенки из пластмассы или картона (папковые гильзы).
Формы гильз
По форме гильзы бывают цилиндрические (9-мм патрон ПМ), бутылочные (7,62-мм патрон обр. 1943 г.), конические (7,62-мм патрон к револьверу Нагана). Патроны фиксируются при досылке в патронник передним торцом гильзы в уступ патронника, или упором закраины в торец патронника.
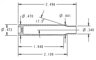
Гильзы бутылочной формы характеризуются следующими внешними размерами: длиной гильзы, диаметром дульца гильзы, диаметром шеи гильзы, диаметром плеча гильзы, диаметром основания гильзы, диаметром нижней части гильзы — закраины (фланца).
Гильзы конические и цилиндрические характеризуются длиной гильзы, диаметром дульца, диаметром основания и диаметром закраины (фланца).
Для гладкоствольных ружей нижнюю плоскую часть гильзы часто называют донцем.
Типы закраин
Закраина (тж. выступающая закраина, фланец, рант, шляпка) — кольцевой выступ у основания гильзы (например, гильза винтовочного патрона 7,62×54 R[1], патронов к револьверам и гладкоствольным ружьям) или нижняя часть гильзы, образованная кольцевой проточкой (например, в большинстве современных патронов к автоматическому оружию). Служит для извлечения (экстрагирования) гильзы из патронника.
Существуют также гильзы, закраина которых образована выступом и проточкой (например, гильза винтовочного патрона Арисака калибра 6,5 мм, револьверные патроны .38 Smith & Wesson Special, .357 Smith & Wesson Magnum и др.)[2].
Гильзы с выступающей закраиной в виде кольцевого выступа называются фланцевыми.
Гильзы с невыступающей закраиной, образованной кольцевой проточкой, называются бесфланцевыми.
Гильзы с частично выступающей закраиной, образованной выступом и проточкой, называются полуфланцевыми.
Диаметр закраины гильзы часто называют диаметром «фланца», в том числе и для бесфланцевых гильз. Сравнивая диаметр фланца с диаметром основания гильзы, можно легко определить тип закраины.
Термин «закраина» используется оружейниками, термин «фланец» применяется пользователями оружия, хотя фланец — это часть закраины, выступающая за основание гильзы.
Гильзы с выступающей закраиной (фланцевые)

Гильзы с выступающей закраиной используются в патронах к револьверам и гладкоствольному охотничьему оружию, кроме того, в патронах ко многим винтовкам, разработанным в XIX веке, таким как винтовка Мосина или британский Ли-Энфилд. Гильзы с закраиной помечаются буквой R (англ. rimmed — окаймлённый, с ободком). По соображениям больших затрат на производство и снабжение армии патронами нового образца, автоматическое оружие зачастую создавалось под ранее принятый на вооружение патрон (например, британский Брен). Коробчатые магазины под такие патроны громоздки, и к тому же заряжание магазина требует осторожности, поскольку закраина каждого верхнего патрона должны находиться впереди закраины нижнего патрона, иначе патрон будет заклинен в магазине.
Гильзы с невыступающей закраиной (бесфланцевые)

У основания таких гильз имеется кольцевая проточка для экстракции гильз из патронника. Гильзы без выступа закраины (англ. rimless — без ободка) в настоящее время наиболее популярны для применения в автоматическом оружии, так как они обеспечивают плотное заполнение магазина и надёжность боепитания. Для использования в револьверах (например, Кольт M1917) патроны без выступающей закраины используются с пачками, либо патронная камора делается с уступом, в который упирается дульце гильзы.
Известны также гильзы без закраины (5-мм и 6,5-мм патроны к первым пистолетам Бергмана).
Гильзы с уменьшенной закраиной

Это гильзы с кольцевой проточкой и диаметром закраины меньшим, чем диаметр основания гильзы. (англ. RB - Rebated Rim (напр. 8×59 мм RB Breda) Такие гильзы встречаются редко (например, .50 Action Express для пистолета Desert Eagle). Это гильзы с увеличенным размером для использования более мощного патрона без замены боевой личинки в существующем затворе.
Гильзы с частично выступающей закраиной (полуфланцевые)

Закраина таких гильз образована кольцевым выступом и проточкой (англ. SR - Semi Rimmed — полуокаймлённый, с полуободком), например, гильзы к патронам .25ACP или .32ACP. Патроны с такими гильзами имеют тот же, хотя и менее выраженный, недостаток, что и патроны с выступающей закраиной: неправильно заряженный магазин может заклинить в самый неподходящий момент. Однако теоретически они пригодны для применения в револьверах.
Гильзы с пояском


Гильзы с пояском (англ. belted) появились в начале XX века когда был разработан мощный патрон .375 Н&Н Magnum. Гильза получила поверх основания особый поясок-утолщение, игравший двойную роль — во-первых несколько усиливалась прочность конструкции, а главное, поясок обеспечивал точную фиксацию гильзы в патроннике и надёжный накол капсюля. Диаметр фланца может быть равен диаметру пояска или же основания гильзы. Такие гильзы постепенно теряют былую популярность из-за популяризации патронов высокой мощности с гильзами без закраины.
Технологические особенности
Крепление пули в гильзе осуществляется путём тугой посадки (иногда с применением герметизирующего контурного лака — патроны 9×18 ПМ, 7,62-мм патрон обр. 1943 г.), завальцовки дульца гильзы (5,6-мм патроны), кернения гильзы (патроны 5,45×18 мм к ПСМ и 7,62×38 мм патрон к револьверу Нагана). Некоторые гильзы имеют кольцевую выемку-каннелюру, в которую упирается пуля (патроны 7,65×17 мм Браунинг).
Гильзы для патронов скорострельных пулемётов — например, гильза для патронов ШКАС — имеют утолщённые стенки, усиленное крепление капсюля в гнезде, введён двойной кольцевой обжим пули в дульце гильзы. На дне гильзы, помимо стандартных обозначений, ставилась буква «Ш».
Гильзы для холостых патронов имеют удлинённое (в сравнении с боевыми) дульце с обжатыми лепестками. Для герметичности дульце покрывают лаком (холостые 7,62 мм патроны обр. 1943 г.).

Гильзы учебных патронов зарядом не снаряжаются, капсюль инертный. Чтобы их можно было отличить от боевых даже наощупь, гильзы учебных патронов имеют продольные или кольцевые выемки. Например, на учебных 7,62-мм промежуточных патронах делаются четыре продольные выемки, на учебных 9-мм патронах ПМ — две кольцевые выемки.
Гильза, как правило, используется один раз. Однако стрелки-любители, охотники и спортсмены, которые часто сами снаряжают свои патроны, нередко используют металлические гильзы повторно, что даёт существенную экономию. При этом переснаряжению, как правило, подвергаются только латунные гильзы, как обладающие достаточной пластичностью и устойчивостью к усталости металла, чтобы безопасно перезаряжаться много раз. Стальные гильзы чрезмерно тверды, и при попытке переобжать пулю в дульце часто трескаются, а также требуют внутренней чистки и повторной антикоррозийной обработки, что сложно и дорого для кустарного производства. Редко применяющиеся алюминиевые гильзы подвержены усталостным дефектам уже после однократного использования, и потому переснаряжать их небезопасно.
Конструкторы в течение многих десятков лет предпринимают попытки радикально модернизировать патрон, чтобы уйти от проблем, связанных с разрывом и заеданием гильзы при экстрагировании, облегчить и удешевить боеприпасы. На сегодня до массового применения доведены только артиллерийские выстрелы с частично сгорающей гильзой (выстрелы к советским танковым пушкам У-5ТС, Д-68, Д-81ТМ[3][4]): корпус гильзы сгорает при выстреле вместе с пороховым зарядом, остается только металлический поддон. Также в стрелковом (особенно охотничьем) оружии достаточно широко применяются пластиковые гильзы, цельные, или составные, с металлическим донцем. Единственный доведённый до серийного производства безгильзовый патрон калибра 4,7×33 мм для винтовки G11 концерна Хеклер и Кох, массово не производился в связи с отказом от этой винтовки после окончания «Холодной войны».
См. также
Примечания
- ↑ Буква R в наименовании этого патрона и ему подобных означает не англ. russian — русский и не англ. rifle — винтовочный, а англ. rimmed — с закраиной.
- ↑ Современное стрелковое оружие — Боеприпасы — Пистолетные патроны — подробно. Дата обращения: 22 июля 2009. Архивировано из оригинала 8 мая 2012 года.
- ↑ Краткое описание устройства танка Т-64А. Дата обращения: 5 октября 2009. Архивировано 4 марта 2016 года.
- ↑ ОСНОВНОЙ БОЕКОМПЛЕКТ ТАНКА Т-62. Дата обращения: 5 октября 2009. Архивировано 3 февраля 2016 года.