Мост Максвелла

Мост Ма́ксвелла — это разновидность моста Уитстона, применяемый для измерения неизвестной величины индуктивности (обычно при малых значениях добротности ) через изменяемые известные значения активного сопротивления и ёмкости.
Принцип действия
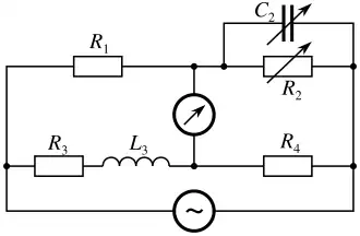
В соответствии с обозначениями на рисунке обычно и являются постоянными резисторам с известными сопротивлениями, а и являются известными изменяемыми величинами. При измерении и изменяются до балансировки моста.
Тогда и могут быть определены по формулам:
Во избежание сложностей, связанных с точным определением значения ёмкости переменного конденсатора иногда в схеме используют конденсатор с постоянной ёмкостью, а переменными делают более одного резистора.
Дополнительная трудность, возникающая при использовании моста Максвелла, по сравнению с более простыми видами измерительных мостов, возникает при существенных взаимной индуктивности между элементами схемы или электромагнитных наводках, вносящих погрешности в результаты измерения.
Реактивное сопротивление конденсатора в мосте компенсирует реактивное сопротивление измеряемой индуктивности, что позволяет надёжно определять значения измеряемой индуктивности и её активного сопротивления.