Дегазация шахт

Дегазация — меры по устранению опасных концентраций горючих, взрывоопасных и иных вредных газов в горных выработках.
Дегазация шахт — совокупность мероприятий, направленных на извлечение и улавливание метана, выделяющегося из различных источников, с изолированным отводом его на поверхность или в горные выработки, в которых возможно разбавление до безопасных концентраций. [Руководство по дегазации угольных шахт 1990]
Условия эксплуатации и режимы работы шахтных дегазационных систем
Дегазационная система состоит из вакуум-насосной станции, газопроводов, скважин, а также регулирующей запорной и предохранительной аппаратуры, включающей средства контроля и управления. Входящие в систему отдельные звенья размещаются на сравнительно больших площадях. Удаленность некоторых скважин от вакуум-насосной станции составляет до 5 км и более. Число скважин достигает иногда 50—60.
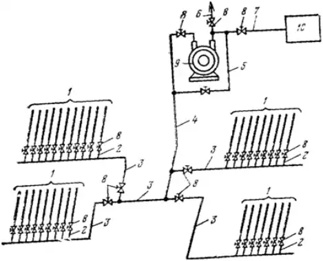
Устья скважин с помощью отрезков трубопроводов подсоединяются к участковым трубопроводам, которые, в свою очередь, соединены с магистральным трубопроводом, транспортирующим метано-воздушную смесь к вакуум-насосам. Диаметр скважинных трубопроводов составляет 100—150 мм (трубы меньших диаметров в настоящее время употребляются редко), диаметры участковых трубопроводов 150—250 мм, а магистральных 200—400 мм. Часто для обеспечения требуемой производительности системы используют два магистральных газопровода. Скважинные и участковые трубопроводы имеют запорную арматуру и штуцера для отбора газовых проб и контроля температуры, давления и расхода газовой смеси. Место замера параметров газовой смеси выбирают по направлению её движения за запорной или регулирующей арматурой. Принципиальная схема дегазационной системы представлена на рис.1 Отличительными особенностями сетей этой системы являются: возможность прокладки участков сети в ряде случаев по труднодоступным местам; отсутствие зачастую вблизи скважин и линий трубопроводов источников электрической энергии; изменяющаяся во времени структура сети, определяемая скоростью подвигания забоев.
По условиям эксплуатации все устройства контроля и автоматизации можно разделить на подземные, предназначенные для эксплуатации в горных выработках, и поверхностные, устанавливаемые в зданиях ВНС(вакуум-насосные станции) и помещениях общешахтного диспетчера.
Для первой группы устройств по аналогии с приборами и средствами автоматизации, применяющимися в подземных условиях, условия эксплуатации характеризуются следующими данными:
- давление шахтной атмосферы 840—1150 гПа;
- температура окружающей среды от −5 до +35°С (это условие не распространяется на устройства контроля и автоматизации, используемые на тех трубопроводах, где имеется вода; для этого случая температура окружающей среды от +5 до +35 °C);

Рис.1. Принципиальная схема дегазационной системы шахты: 1-скважины; 2- скважинный газопровод; 3- участковый газопровод: 4 — магистральный газопровод; 5-обводная магистраль; 6- свеча для выпуска газовой смеси в атмосферу; 7- напорный газопровод; 8- запорно-регулирующая аппаратура; 9- вакуум-насосная станция; 10- котельная (потребитель газовой смеси)
относительная влажность окружающей среды до 98 % (при температуре +35 °С); окружающая среда агрессивная, взрывоопасная 1-й категории; скорость воздушной струи в выработках до 8 м/с; запыленность среды, окружающей подземные устройства дегазационной системы, до 800 мг/см3.
Для средств контроля и автоматизации, размещенных на поверхности, условия работы следующие: барометрическое давление 840—1070 гПа; температура в помещениях от +10 до +35°С; относительная влажность окружающей среды до 80 % при температуре + 25°С; содержание метана в атмосфере зданий ВНС до I об. %. Большое значение для выбора необходимых средств контроля и автоматизации дегазационных систем имеют сведения о режимах работы отдельных звеньев этой системы и, в первую очередь, о пределах изменения параметров газовой смеси в трубопроводах и у устья скважин.
Параметры газовой смеси могут изменяться следующим об¬разом: разрежение у устья скважин от 0 до 270 (редко до 330) гПа, в участковых и магистральных трубопроводах — от 0 до 530 гПа; относительная влажность газовой смеси — до 100 % (возможно присутствие капельной влаги); содержание метана в смеси от 0 до 100 об. %; содержание углекислого газа от 0 до 2 об. %; скорость струи газовой смеси в трубопроводе от 0,5 до 20 м/с; температура газовой смеси от −5 до +35сС (за исключением трубопроводов, в которых наблюдается капельная влага; для таких газопроводов температура газовой смеси изменяется от +5 до +35°С); газовая смесь — взрывоопасная, агрессивная 1-й категории.
Газовая смесь в нагнетательном трубопроводе ВНС имеет практически те же параметры, что и смесь в подземных трубопроводах, за исключением давления смеси, превышающего барометрическое на величину от 0 до 250 гПа. При необходимости подачи газовой смеси потребителям на значительное расстояние эта величина не¬сколько увеличивается.
Вакуумные насосы (водокольцевые), широко используемые в существующих в настоящее время системах дегазации, имеют такие характеристики, при которых обеспечивается максимальный коэффициент полезного действия при величине разрежения, составляющей 40—60 % атмосферного давления. При расчетах дегазационной сети эта величина принимается равной 465 гПа.
С точки зрения динамики шахтные дегазационные системы обладают весьма разнородными характеристиками. Так, например, резкое изменение вакуума вследствие нарушения герметизации скважин, повреждения газопроводов, перекрытия сечения трубопроводов водяной пробкой вызывает довольно быстрое (от нескольких секунд до нескольких минут) изменение величины концентрации метана вблизи места повреждения или образования водяной пробки. Вместе с тем изменение концентрации метана у устья скважин при перераспределении величин разрежения происходит довольно медленно. В этих случаях длительность переходного процесса (по концентрации метана) может составлять от десятков минут до нескольких часов.
Статические характеристики объектов дегазационных установок, даже одноименных, различны. Так, например, даже из расположенных на одном участке скважин поступает смесь с различной концентрацией метана. Кроме того, эти характеристики могут значительно меняться во времени по мере подвигания фронта горных работ. Весьма непостоянны также характеристики трубопроводов, конфигурация которых меняется в процессе ведения горных работ.
Литература
1.Руководство по дегазации угольных шахт. М.,1975.
2.Правило безопасности в угольных и сланцевых шахтах. М.,Недра,1973.
3. Инструкция по дегазации угольных шахт. Зарегистрировано в Министерстве юстиции Российской Федерации 29 декабря 2011 года, регистрационный № 22811.
См. также
- Печук, Исаак Моисеевич (1893—1970) — выдающийся учёный, горный инженер, доктор технических наук, профессор, основоположник прогноза газообильности угольных шахт, один из основоположников современной дегазации угольных шахт, теории и практики борьбы с внезапными выбросами угля и газа, предупреждения эндогенных пожаров, Заслуженный деятель науки и техники Украинской ССР.
- https://www.atec.de/ (1994—2020) — немецкий производитель и поставщик дегазационных установок во многие страны мира, в том числе в Украину, Республику Казахстан и Россию на шахты Кузбасса (в том числе: 2019 г — шахта «Сибиргинская» ПАО «Южный Кузбасс»; 2020 — шахта «им. С. М. Кирова» СУЭК-Кузбасс)