Вермикулярный графит


Вермикулярный графит (лат. vermiculus — червячок) — микроструктурная составляющая чугуна, носящего название чугуна с вермикулярным графитом (ЧВГ).
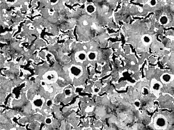
Червеобразная форма вермикулярного графита определяется обработкой жидкого чугуна активными модификаторами Mg, Ca, Ce и других, и условиями кристаллизации. Округленная форма вермикулярного графита меньше разупрочняет металлическую матрицу по сравнению с пластинчатым графитом. Использование в промышленности: детали общего машиностроения, работающие при повышенных циклических механических нагрузках; детали ДВС, работающих при переменных повышенных температурах и механических нагрузках.
Источники
- Чугун. Справочник. / Под редакцией А. Д. Шермана и А. А. Жукова, М. «Металлургия», 1991.
- Тодоров Р. П., Пешев П. Ц. Дефекты в отливках из чёрных металлов, М.: «Машиностроение» 1984.
- Ефименко Г. Г., Гиммельфарб А. А., Левченко В. Е. Металлургия чугуна. - 2-е изд. – К. : Вища школа, 1974. – 488 с.
- http://metallicheckiy-portal.ru/marki_metallov/chu/CHVG30
- http://www.modificator.ru/terms/ductile_nci.html