Активная фазированная антенная решётка


Активная фазированная антенная решётка (АФАР) — фазированная антенная решётка, в которой направление излучения и (или) форма диаграммы направленности регулируются изменением амплитудно-фазового распределения токов или полей возбуждения на индивидуальных активных излучающих элементах[1].
Устройство
Активная фазированная антенная решётка состоит из активных излучающих элементов (или конструктивно объединенных групп таких элементов — многоканальных модулей), каждый из которых состоит из излучающего элемента и активного устройства (приемопередающего модуля, ППМ). Приемопередающий модуль, по меньшей мере, регулирует начальную фазу несущей радиосигнала, проходящего через активный излучающий элемент (для электрического сканирования луча), а также усиливает передаваемый и (или) принимаемый этим элементом радиосигнал. Более сложные ППМ могут регулировать амплитуду радиосигнала, осуществлять преобразование радиочастоты, а также генерировать (формировать) радиосигнал, преобразовывать его из аналоговой в цифровую форму и (или) из цифровой в аналоговую. Для совместной согласованной работы все приемопередающие модули АФАР должны объединяться через распределитель (цепь, которая в режиме передачи распределяет по ППМ радиосигнал возбудителя, в режиме приёма — собирает радиосигналы с выходов ППМ в радиоприёмное устройство), а работа всех ППМ должна быть синхронизирована. Помимо излучающих элементов, ППМ и распределителя, АФАР содержат систему питания (вторичные источники электропитания для питания ППМ), систему охлаждения (для отвода тепла, выделяемого при работе ППМ), систему управления (цепи управления амплитудно-фазовым распределением и режимами работы ППМ и диагностики их состояния), а также основание, на котором закреплены составные части АФАР.
Сравнение с пассивной решёткой
В отличие от АФАР, пассивная ФАР не содержит активных устройств. Например, в передающей системе, оснащённой пассивной ФАР, радиосигнал генерируется и усиливается до требуемой мощности в едином для всей системы радиопередатчике, после чего распределяется (а мощность радиосигнала делится) между излучающими элементами. Напротив, в передающей активной ФАР нет единого выходного мощного усилителя: менее мощные усилители размещены в каждом её модуле.
В обычной пассивной решётке один передатчик мощностью несколько киловатт питает несколько сотен элементов, каждый из которых излучает только часть этой мощности (десятки ватт). Однако мощность современного микроволнового транзисторного излучателя также может составлять десятки ватт, и в радаре с АФАР несколько сотен таких модулей, каждый мощностью в десятки ватт, создают в целом мощный главный луч в несколько киловатт.
При идентичном результате активные решётки намного более надёжны: отказ одного приёмо-передающего элемента решётки лишь искажает диаграмму направленности антенны, несколько ухудшая характеристики локатора, но в целом он остаётся работоспособным. Катастрофического отказа лампы передатчика, что является проблемой обычных радаров, просто не может произойти. Дополнительная выгода — экономия веса: нет большой лампы высокой мощности, связанной с ней системы охлаждения и массивного блока питания высокого напряжения.
Другой особенностью, характерной только для активных решёток, является возможность управлять усилением индивидуальных приёмно-передающих модулей. При этом диапазон углов отклонения луча существенно увеличивается, в результате могут быть обойдены многие из ограничений геометрии пассивных решёток.
Недостатки
Технология АФАР имеет две ключевые проблемы: рассеивание мощности и стоимость.
Рассеивание мощности
Из-за недостатков микроволновых транзисторных усилителей и монолитных интегральных схем (СВЧ МИС) эффективность передатчика модуля обычно меньше 45%. В результате АФАР выделяет большое количество теплоты, которую необходимо рассеивать, чтобы предохранить чипы передатчика от расплавления — надёжность арсенид-галлиевых СВЧ МИС повышается при низкой рабочей температуре. Традиционное охлаждение воздухом, используемое в обычных ЭВМ и авионике, плохо подходит при высокой плотности компоновки, поэтому современные АФАР охлаждаются жидкостью (американские проекты используют полиальфаолефиновый хладагент, подобный синтетической гидравлической жидкости). Типичная жидкостная система охлаждения использует насосы, вводящие хладагент через каналы в антенне и выводящие затем его к теплообменнику — им может быть как воздушный охладитель (радиатор), так и теплообменник в топливном баке (со вторым контуром, чтобы уменьшить нагрев содержимого топливного бака).
По сравнению с обычным радаром истребителя с воздушным охлаждением радар с АФАР более надёжен, однако, потребляет больше электроэнергии и требует более интенсивного охлаждения. Но АФАР может обеспечить намного большую передаваемую мощность, что необходимо для большей дальности обнаружения цели (увеличение передающей мощности, однако, имеет побочный эффект — увеличение следа, по которому радиоразведка или СПО противника могут обнаружить радар).
Стоимость
Для радара истребителя, требующего обычно от 1000 до 1800 модулей, стоимость АФАР становится неприемлемой, если модули стоят больше, чем сто долларов каждый. Ранние модули стоили приблизительно 2 тыс. долларов, что не допускало массового использования АФАР. Однако стоимость таких модулей с развитием технологий постоянно уменьшается, поскольку себестоимость разработки и производства СВЧ МИС постоянно снижается.
Несмотря на недостатки, активные фазированные решётки превосходят обычные радарные антенны почти во всех отношениях, обеспечивая более высокую следящую способность и надёжность, пусть и при некотором увеличении в сложности и, возможно, стоимости.
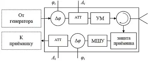
Приёмо-передающий модуль

Приёмо-передающий модуль — это основа пространственного канала обработки сигнала в АФАР.
В его состав входит активный элемент — усилитель, который делает это устройство электродинамически невзаимным. Поэтому для обеспечения возможности работы устройства как на приём, так и на передачу в нём разделяют передающий и приёмный каналы. Разделение осуществляется либо коммутатором, либо циркулятором.
Приёмный канал
В состав приёмного канала входят следующие устройства:
- Устройство защиты приёмника — обычно либо разрядник, либо другое пороговое устройство, предотвращающее перегрузку приёмного канала.
- Малошумящий усилитель — два или более каскадов активного усиления сигнала.
- Фазовращатель — устройство фазовой задержки сигнала в канале для задания фазового распределения по всему раскрыву решётки.
- Аттенюатор — устройство задания (понижения, ослабления) амплитуды сигнала для задания амплитудного распределения по раскрыву решётки.
Передающий канал
Состав передающего канала схож с составом приёмного канала. Отличие заключается в отсутствии устройства защиты и меньших требованиях к усилителю по шумам. Тем не менее, передающий усилитель должен обладать большей выходной мощностью, чем приёмный.
Производимые БРЛС с АФАР
- Жук-А(Э) (МиГ-35)
- Н036 Белка (Су-57)
- Type 1475 (J-11D)[2]
- AN/APG-63(V)2/3 (F-15 C/E)
- AN/APG-79 (F/A-18E/F)
- AN/APG-80 (F-16 Block 60)
- AN/APG-77 (F-22)
- AN/APG-81 (F-35)
- AN/APQ-181 (B-2 Spirit)
- Northrop Grumman SABR (General Dynamics F-16 Fighting Falcon)
- EL/M-2052 (F-15, МиГ-29, Mirage 2000)
- AMSAR (Eurofighter Typhoon, Rafale)
- CAESAR (Eurofighter Typhoon)
- J/APG-1 (Mitsubishi F-2)
См. также
Примечания
- ↑ ГОСТ 23282-91. Решётки антенные. Термины и определения.
- ↑ Chengdu J-20 Overhyped or Reality – A Comprehensive Story (англ.). Air Power Asia (15 августа 2020). Дата обращения: 18 декабря 2024.